GENOA SYSTEMS CORPORATION

SUPERSPECTRUM 4650

Card Type

Video/Parallel card

Video Chip Set

Unidentified

Maximum Video Memory

Unidentified

Video Types Supported

Monochrome, CGA

Highest Resolution Supported

1056 x 200

Data Bus

8-bit ISA

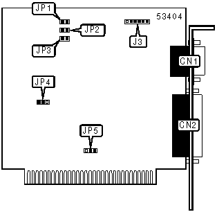
CONNECTIONS

Function

Label

Function

Label

9-pin video port

CN1

Light pen interface

J3

25-pin printer port

CN2

   

USER CONFIGURABLE SETTINGS

Function

Label

Position

 

Printer port configured as LPT 1

JP4

Pins 2 & 3 closed

 

Printer port configured as LPT 2

JP4

Pins 1 & 2 closed

 

Printer port disabled

JP4

Open

»

Printer port IRQ 7 enabled

JP5

Pins 2 & 3 closed

 

Printer port IRQ 5 enabled

JP5

Pins 1 & 2 closed

»

SuperSpectrum enabled

JP3

Open

 

SuperSpectrum disabled

JP3

Closed

Note:When using monochrome and color adapter in one system JP3 should be open. When using two SuperSpectrum adapters in one system JP3 should be open for the first adapter and close for the second.

DISPLAY SELECTION

Display type

JP1

JP2

IBM monochrome (MDA or Hercules)

Closed

Open

IBM monochrome (CGA double scan emulation)

Closed

Closed

Multifrequency (CGA double scan)

Open

Closed

IBM color (CGA)

Open

Open