DISPLAY RESEARCH LABORATORY

PC TELEVISOR BOX/CARD

Card Type

Video card

Video Chip Set

Unidentified

Highest Resolution Supported

640 x 480

Maximum Video Memory

Unidentified

Data Bus

8-bit ISA

Video Types Supported

VGA

Capture Format Supported

NTSC, PAL

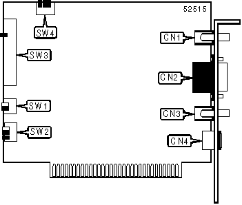
CONNECTIONS

Function

Label

Function

Label

Composite output

CN1

RGB SCART output

CN3

15-pin analog video connector

CN2

S-Video output

CN4

USER CONFIGURABLE SETTINGS

Function

Label

Position

Horizontal width selection

SW1

Unidentified

Video mode selection

SW2

Unidentified

Horizontal position slider

SW3

Unidentified

Vertical position slider

SW4

Unidentified