WISECOM, INC.

WS-2814IM4

Card Type

Modem (asynchronous)

Chipset

AT & T

Maximum Data Rate

28.8Kbps

Maximum Fax Rate

14.4Kbps

Data Bus

8-bit ISA

Fax Class

Class I & II

Data Modulation

Bell 103A/212A

ITU-T V.21, V.22, V.22bis, V.23, V.32, V.32bis, V.34

AT&T V.32terbo

Fax Modulation

ITU-T V.17, V.21CH2, V.27ter, V.29

Error Correction/Compression

MNP5, V.42, V.42bis

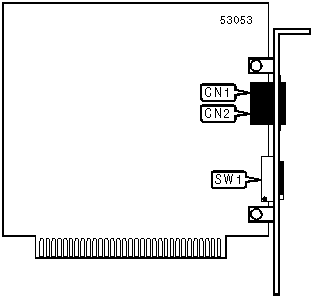
CONNECTIONS

Function

Label

Function

Label

Line in

CN1

Line out

CN2

SERIAL PORT ADDRESS SELECTION

Setting

SW1/1

SW1/2

3F8h (COM1:)

On

On

2F8h (COM2:)

Off

On

3E8h (COM3:)

On

Off

2E8h (COM4:)

Off

Off

INTERRUPT SELECTION

Setting

SW1/3

SW1/4

SW1/5

SW1/6

IRQ2

On

Off

Off

Off

IRQ3

Off

On

Off

Off

IRQ4

Off

Off

On

Off

IRQ5

Off

Off

Off

On

SUPPORTED STANDARD COMMANDS

Basic AT Commands

+++, ‘comma’, A/

A, E, H, L, M, N, O, P, Q, T, V, X, Y, Z

&C, &D, &F, &G, &K, &L, &P, &S, &T, &V, &W, &Y, &Z

Extended AT Commands

\A, \B, \C, \G, \J, \K, \N, \Q, \T, \X

%A, %B, %C, %D, %E, %N, %Q

S-Registers

S0, S1, S2, S3, S4, S5, S6, S7, S8, S9, S10, S11, S12, S14, S16, S18, S21, S22, S23, S25, S26

S27, S30, S91

Note: See MHI documentation for complete information.

UNIDENTIFIED COMMANDS

Command

Default

S15

83

S17

75

S19

3

S20

0

S24

72

S28

16

Proprietary AT Command Set

DIAL

Type:

Immediate

Format:

AT [cmds] D<#>;[cmds]

Description:

Dials the telephone number indicated according to any modifiers included in the string.

Note:

Any combination of modifiers can be used to produce the desired dial functions in sequence.

Command

Function

DL

Re-dial last number.

DP

Pulse dialing enabled.

DR

Answer mode enabled; originate mode disabled following handshake initiation.

DS=n

Dial stored telephone number n.

DT

Tone dialing enabled.

DW

Dialing resumed following dial tone detection.

D,

Dialing paused for amount of time specified in S8 register.

D!

Flash function initiated. Modem commanded to go off-hook for specified time before returning on-hook.

D@

Wait for Quiet Answer function enabled. Modem waits until a "quiet answer," a ring-back signal followed by silence up to the time specified in S7, is received prior to executing the rest of the dial string.

D^

Calling tone enabled for this call.

D;

Modem returned to idle state after dialing. The semicolon can only be placed at the end of the dial command.

V.32terbo AND V.34 PROTOCOLS

Type:

Configuration

Format:

AT [cmds] \Mn [cmds]

Description:

Selects whether the modem will use V.32terbo and V.34 modulation protocols.

Command

Protocol

í \M0

V.32terbo and V.34 protocols enabled.

\M1

V.32terbo protocol disabled.

\M2

V.34 protocol disabled.

See WISECOM, INC. WS-1414IM4 for a full command summary.