VEN-TEL, INC.
PCM144FAX
|
Modem Type |
Data (synchronous/asynchronous)/Fax |
|
Maximum Data Rate |
14.4Kbps |
|
Maximum Fax Rate |
14.4Kbps |
|
Data Bus |
8-bit ISA |
|
Fax Class |
Class I & II |
|
Data Modulation Protocol |
Bell 103A/212A ITU-T V.21, V.22, V.22bis, V.32, V.32bis |
|
Fax Modulation Protocol |
ITU-T V.17, V.21CH2, V.27ter, V.29 |
|
Error Correction/Compression | MNP5, MNP10 V.42, V.42bis |

|
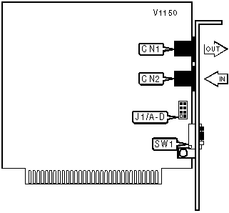
BASE I/O ADDRESS SELECTION | ||||
|
Address |
SW1/1 |
SW1/2 |
SW1/3 |
SW1/4 |
|
3F8h (COM1:) |
On |
Off |
Off |
On |
|
2F8h (COM2:) |
Off |
Off |
On |
Off |
|
3E8h (COM3:) |
On |
On |
Off |
On |
|
2E8h (COM4:) |
Off |
On |
On |
Off |
|
INTERRUPT SELECTION | ||||||
|
IRQ |
SW1/1 |
SW1/2 |
J1/A |
J1/B |
J1/C |
J1/D |
|
3 |
On |
Off |
Open |
Open |
Open |
Open |
|
4 |
Off |
On |
Open |
Open |
Open |
Open |
|
5 |
Off |
Off |
Closed |
Open |
Open |
Open |
|
6 |
Off |
Off |
Open |
Closed |
Open |
Open |
|
7 |
Off |
Off |
Open |
Open |
Closed |
Open |
Proprietary AT Command Set
|
ABORT DIALING | |
|
Type: |
Register |
|
Format: |
AT [cmds] S64=n [cmds] |
|
Example: |
AT S64=1 <CR> |
|
Description: |
Selects whether dialing and handshaking sequences can be interrupted. |
| Command |
Function |
| » S64=0 |
Dialing and handshaking are aborted on receipt of a character from the serial port. |
| S64=1 |
Characters received from the serial port during dialing and handshaking are ignored. |
|
BIT-MAPPED REGISTER S14 | |||
|
Format |
AT [cmds] S14=n [cmds] | ||
|
Example: |
ATS14=139 <CR> | ||
|
Default: |
171 | ||
|
Range: |
0 - 255 | ||
|
Unit: |
Bit-mapped | ||
|
Description: |
Controls echo, quiet mode, result codes, dial mode, and originate/answer mode. | ||
|
Bit | Value |
Function | |
|
0 | 1 |
Not used. | |
|
1 | 0 » 1 |
Command echo function disabled. Command echo function enabled. | |
|
2 | » 0 1 |
Result code sending enabled. Result code sending disabled. | |
|
3 | 0 » 1 |
Numeric format enabled. Verbose format enabled. | |
|
4 | 0 |
Not used. | |
|
5 | 0 » 1 |
Tone dialing mode enabled. Pulse dialing mode enabled. | |
|
6 | » 0 1 |
Result codes normal. Result codes disabled in answer mode. | |
|
7 | 0 » 1 |
Answer mode enabled. Originate mode enabled. | |
|
BIT-MAPPED REGISTER S21 | |||
|
Format |
AT [cmds] S21=n [cmds] | ||
|
Example: |
ATS21=1 <CR> | ||
|
Default: |
0 | ||
|
Range: |
0 - 255 | ||
|
Unit: |
Bit-mapped | ||
|
Description: |
Controls low DTR action, DCD signal, and the Long Space Disconnect function. | ||
|
Bit | Value |
Function | |
|
0 | 0 |
Not used. | |
|
1 | » 0 1 |
Profile 0 enabled. Profile 1 enabled. | |
|
4, 3, 2 | » 000 001 010 011 100 |
DTR signal ignored. Modem goes to command mode on low DTR. Modem disconnects on low DTR. Auto-Answer is disabled. Modem is initialized on low DTR. Modem dials default number on low DTR. | |
|
6, 5 | » 00 01 10 |
DCD signal forced high. DCD signal normal. DCD signal forced high except during disconnect. | |
|
7 | » 0 1 |
Long Space Disconnect function disabled. Long Space Disconnect function enabled. | |
|
BIT-MAPPED REGISTER S22 | |||
|
Format |
AT [cmds] S22=n [cmds] | ||
|
Example: |
ATS22=114 <CR> | ||
|
Default: |
118 | ||
|
Range: |
0 - 255 | ||
|
Unit: |
Bit-mapped | ||
|
Description: |
Controls volume and speaker settings, result codes, and make/break pulse ratio. | ||
|
Bit | Value |
Function | |
|
1, 0 | 00 01 » 10 11 |
Lowest volume setting. Low volume setting. Medium volume setting Highest volume setting. | |
|
3, 2 | 00 » 01 10 11 |
Speaker disabled. Speaker enabled until carrier signal detected Speaker enabled. Speaker enabled following dialing, then disabled after carrier signal detected. | |
|
6, 5 ,4 | 000 100 101 110 » 111 |
Busy and dialtone detection disabled, result codes 0-4 enabled. Busy and dialtone detection disabled, result codes 0-5, 10 enabled. Busy tone detection disabled, dialtone detection enabled, result codes 0-6, 10 enabled. Busy tone detection enabled, dialtone detection disabled, result codes 0-5, 7, 10 enabled. Busy and dialtone detection enabled, result codes 0-7, 10 enabled. | |
|
7 |
0 |
Not used. | |
|
BIT-MAPPED REGISTER S23 | |||
|
Format |
AT [cmds] S23=n [cmds] | ||
|
Example: |
ATS23=114 <CR> | ||
|
Default: |
0, read-only (see note) | ||
|
Range: |
0 - 255 | ||
|
Unit: |
Bit-mapped | ||
|
Description: |
Controls guard tones. Also indicates detected serial port speed and parity. Also provides storage for remote digital loopback tests. | ||
|
Note: |
All bits except bits 6 and 7 are read-only. | ||
|
Bit | Value |
Function | |
|
0 | N/A |
Reserved for internal use. | |
|
3, 2, 1 | 000 001 010 011 100 » 101 110 111 |
Local speed detected at 300bps. Local speed detected at 600bps. Local speed detected at 1200bps. Local speed detected at 2400bps. Local speed detected at 4800bps. Local speed detected at 9600bps. Local speed detected at 19200bps. Local speed detected at 384 00bps. | |
|
5, 4 | » 00 10 11 |
Even parity. Odd parity. No parity. | |
|
7, 6 | » 00 01 10 |
Guard tone disabled. 550Hz guard tone enabled. 1800Hz guard tone enabled. | |
|
BIT-MAPPED REGISTER S27 | |||
|
Format |
AT [cmds] S27=n [cmds] | ||
|
Example: |
ATS27=201 <CR> | ||
|
Default: |
73 | ||
|
Range: |
0 - 255 | ||
|
Unit: |
Bit-mapped | ||
|
Description: |
Controls communications mode, DSR signal, and protocol type. | ||
|
Note: |
Be aware that bits 2 and 3 are out of order. | ||
|
Bit | Value |
Function | |
|
3, 1, 0 | 000 001 » 101 110 |
Asynchronous mode, serial port speed follows connect speed. Asynchronous off-line command mode and synchronous connect mode. Error-correcting mode. Asynchronous mode, serial port speed locked. | |
|
2 | 0 |
Not used. | |
|
4 | 0 |
Not used. | |
|
5 | 0 |
Not used. | |
|
6 | » 0 1 |
Select CCITT protocols. Select Bell protocols. | |
|
7 | » 0 1 |
DSR forced high. DSR normal. | |
|
BIT-MAPPED REGISTER S39 | |||
|
Format |
AT [cmds] S39=n [cmds] | ||
|
Example: |
ATS39=201 <CR> | ||
|
Range: |
0 - 31 | ||
|
Unit: |
Bit-mapped | ||
|
Description: |
Controls flow control and line type. | ||
|
Bit | Value |
Function | |
|
2, 1, 0 |
000 011 100 101 110 |
Flow control disabled. Hardware flow control enabled. Normal software flow control enabled. Transparent software flow control enabled. Unidirectional software flow control enabled. | |
|
4, 3 |
00 01 10 |
Switched line. Leased line originate mode. Leased line answer mode. | |
|
COMPRESSION | |
|
Type: |
Register |
|
Format: |
AT [cmds] S41=n [cmds] |
|
Example: |
ATS41=2 <CR> |
|
Description: |
Selects data compression and error correction. |
|
Command |
Function |
|
S41=0 |
Data compression disabled. |
|
S41=1 |
Data compression enabled. |
|
S41=2 |
Error correction enabled. |
|
S41=3 |
Data compression and error correction enabled. |
|
COMPRESSION | |
|
Type: |
Configuration |
|
Format: |
AT %Cn |
|
Example: |
AT %C0 *Y1 <CR> |
|
Description: |
Selects data compression. |
| Command |
Function |
| %C0 |
Data compression disabled. |
| %C1 |
Data compression enabled. |
| %C2 |
Data correction enabled. |
| » %C3 |
Data compression and correction enabled. |
|
FLOW CONTROL | |
|
Type: |
Configuration |
|
Format: |
AT [cmds] \Gn [cmds] |
|
Example: |
AT G1 &K3 <CR> |
|
Description: |
Selects modem port flow control. |
| Command |
Function |
| » \G0 |
Flow control disabled. |
| \G1 |
Flow control enabled. |
|
LOOPBACK TESTS | |||
|
Format |
AT [cmds] S16=n [cmds] | ||
|
Example: |
ATS16=32 <CR> | ||
|
Default: |
0 | ||
|
Range: |
0 - 255 | ||
|
Unit: |
Bit-mapped | ||
|
Description: |
Enables loopback tests. | ||
|
Note: |
Bit 3 is read-only. | ||
|
Bit | Value |
Function | |
|
0 | » 0 1 |
Local analog loopback test disabled. Local analog loopback test enabled. | |
|
1 | 0 |
Not used. | |
|
2 | » 0 1 |
Local digital loopback test disabled. Local digital loopback test enabled. | |
|
3 | » 0 1 |
Modem is not performing remote digital loopback test. Modem is performing remote digital loopback test. | |
|
4 | » 0 1 |
Remote digital loopback test disabled. Remote digital loopback test enabled. | |
|
5 | » 0 1 |
Remote digital loopback with local self-test disabled. Remote digital loopback with local self-test enabled. | |
|
6 | » 0 1 |
Local analog loopback with local self-test disabled. Local analog loopback with local self-test enabled. | |
|
MNP10 COMPRESSION | |
|
Type: |
Configuration |
|
Format: |
AT [cmds] -Kn [cmds] |
|
Example: |
AT %C1 -K1 -Q0 <CR> |
|
Description: |
Selects MNP10 data compression. |
| Command |
Function |
| » -K0 |
MNP10 disabled. |
| -K1 |
MNP10 enabled. |
| -K2 |
MNP10 enabled on originate mode only. |
|
MNP10 FALL-BACK | |
|
Type: |
Configuration |
|
Format: |
AT [cmds] -Qn [cmds] |
|
Example: |
AT *H0 -Q1 <CR> |
|
Description: |
Allows MNP10 to fall back to speeds slower than 4800bps. |
| Command |
Function |
| -Q0 |
MNP10 at 2400 and 1200bps disabled. |
| » -Q1 |
MNP10 at 2400 and 1200bps enabled. |
|
MNP10 LINK NEGOTIATION | |
|
Type: |
Configuration |
|
Format: |
AT [cmds] *Hn [cmds] |
|
Example: |
AT *H0 -Q1 <CR> |
|
Description: |
Sets the speed at which MNP10 link negotiation will occur. |
| Command |
Function |
| » *H0 |
Link will be negotiated at highest possible speed. |
| *H1 |
Link will be negotiated at 1200bps. |
| *H2 |
Link will be negotiated at 4800bps. |
|
MNP10 POWER LEVEL ADJUST | |
|
Type: |
Configuration |
|
Format: |
AT [cmds] )Mn [cmds] |
|
Example: |
AT )M1 %C1 <CR> |
|
Description: |
Controls automatic transmit power level adjustment during MNP 10 link negotiation. |
| Command |
Function |
| » )M0 |
Power level adjustment disabled. |
| )M1 |
Power level adjustment enabled. |