TOSHIBA

T1100PLUS MODEM (VER.1)/T1200 MODEM/T3100 MODEM (VER.1)/T5100 MODEM/T5200 MODEM

Card Type

Modem (asynchronous)

Chip Set

Unidentified

Maximum Data Rate

2400bps

Data Bus

Internal/Toshiba bus

Data Modulation Protocol

Bell 103/212A

ITU-T V.21, V.22, V.22bis

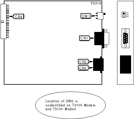
CONNECTIONS

Function

Label

Function

Label

RS-232-C

CN1

Line in

CN3

Line out

CN2

Proprietary connection to computer

CN4

POWER

Setting

SW1

Auto-start with telecommunication software

Position 1

Serial port in use/modem disabled

Position 2

On

Position 3

PORT ADDRESS

Modem

Serial Port

SW6

COM1 (3F8h)

COM2 (2F8h)

Up

COM2 (2F8h)

COM1 (3F8h)

Down

Only T3100 and T5100 has SW6, T1100PLUS and T1200 are defaulted to COM2, T1600 uses software to determine the COM setting, T5200 uses the SETUP program to set the COM port.

When SW1 is set to position 2 (serial port in use), serial port address is used.

SUPPORTED COMMAND SET

Basic AT Commands

AT, ‘+++’, ‘Comma’, ‘Semicolon, A/

A, B, C, E, F, H, I, L, M, O, P, Q, S, T, V, X, Y, Z

&C, &D, &F, &G, &P, &T, &W, &Y, &Z

S Registers

S0, S1, S2, S3, S4, S5, S6, S7, S8, S9, S10, S11, S12, S14, S16, S18, S21, S22, S25

Note: See MHI Help file for full command documentation.

Proprietary AT Command Set

BIT-MAPPED REGISTER S23

Format

AT [cmds] S23=n [cmds]

Default:

Unidentified

Range:

0-55

Unit:

Bit-mapped

Description:

Grants/denies remote digital loopback, controls DTE rate and parity.

Bit

Value

Function

0

0

1

Remote digital loopback denied

Remote digital loopback allowed

2, 1

00

01

10

11

Sets serial port speed to 0-300bps

Not used

Sets serial port speed to 1200bps

Sets serial port speed to 2400bps

3

0

Not used

5, 4

00

01

10

11

Parity even

Space Parity

Parity odd

Mark or No Parity

BIT-MAPPED REGISTER S27

Format

AT [cmds] S27=n [cmds]

Default:

Unidentified

Range:

0-116

Unit:

Bit-mapped

Description:

Selects ITU-T/Bell modes.

Bit

Value

Function

1, 0

í 00

Not used

2

0

Not used

3

í 0

Not used

5, 4

00

Not used

6

0

1

ITU/T mode

Bell mode

DIAL

Type:

Immediate

Format:

AT [cmds] D<#> [cmds]

Description:

Dials telephone number according to any modifiers included in the string

Note:

Any combination of modifiers can be used to produce the desired dial functions in sequence.

Command

Function

DP

Pulse dialing enabled

DR

Answer mode enabled; originate mode disabled following handshake initiation.

DS=n

Dial stored telephone number n

DT

Tone dialing enabled/Pulse dialing disabled

DW

Dialing resumed following dial tone detection

D,

Dialing paused for amount of time specified in S8 register

D!

Flash function initiated. Modem commanded to go off-hook for specified time before returning on-hook.

D@

Wait for Quite Answer function enabled. Modem waits until a "quiet answer," a ring-back signal followed by silence up to the time specified in S7, is received prior to executing the rest of the dial string.

/

Pause for .125 second

D;

Modem returned to idle state after dialing. The semicolon can only be placed at the end of the dial command.