RAD DATA COMMUNICATIONS
FOM-400
|
Card Type |
T1/E1 signal converter |
|
Chipset |
Unidentified |
|
Topology |
Peer-Peer |
|
Wire Type |
Fiber optic cable |
|
T1/E1 Transfer Rate |
1.544Mbps/2.048Mbps |
|
T1/E1 Protocol |
AMI, HDB3 |
|
Frame Type |
Unidentified |
|
Data Bus |
Proprietary |
|
CONNECTIONS | |||
|
Function |
Label |
Function |
Label |
|
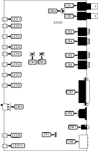
T1/E1 line in |
CN1 |
Primary fiber optic transmit connector |
CN6 |
|
T1/E1 line out |
CN2 |
Control port (see pinout below) |
CN7 |
|
Secondary fiber optic receive connector |
CN3 |
DC power in |
CN8 |
|
Secondary fiber optic transmit connector |
CN4 |
AC power in |
CN9 |
|
Primary fiber optic receive connector |
CN5 |
Power switch |
SW1 |
|
CN7 PINOUT | |||
|
Function |
Pin |
Function |
Pin |
|
Chassis ground |
1 |
Primary/secondary fiber optic channel indicator signal |
14 |
|
Not used |
2 |
Not used |
15 |
|
Not used |
3 |
T1/E1 connection broken relay |
16 |
|
T1/E1 connection broken signal |
4 |
Not used |
17 |
|
Not used |
5 |
Not used |
18 |
|
Not used |
6 |
T1/E1 connection broken relay |
19 |
|
Signal ground |
7 |
Alarm condition signal |
20 |
|
Not used |
8 |
Not used |
21 |
|
Not used |
9 |
Primary/secondary fiber optic channel selection |
22 |
|
Not used |
10 |
Secondary fiber optic connection broken signal |
23 |
|
Not used |
11 |
Not used |
24 |
|
Not used |
12 |
Primary fiber optic connection broken signal |
25 |
|
Not used |
13 |
Not used | |
|
USER CONFIGURABLE SETTINGS | ||
|
Setting |
Label |
Position |
|
Signal ground connected to chassis ground |
JP1 |
Pins 1 & 2 closed |
|
Signal ground not connected to chassis ground |
JP1 |
Pins 2 & 3 closed |
|
Primary fiber optic channel set for short-range operation |
SW2 |
On |
|
Primary fiber optic channel set for long-range operation |
SW2 |
Off |
|
Secondary fiber optic channel set for short-range operation |
SW3 |
On |
|
Secondary fiber optic channel set for long-range operation |
SW3 |
Off |
|
T1/E1 interface set for 100ohm or 120ohm balanced cable |
SW4 |
On |
|
T1/E1 interface set for 75ohm unbalanced cable |
SW4 |
Off |
|
FIBER OPTIC CHANNEL SELECTION | ||
|
Setting |
SW5 | |
| » |
Channel selected by control port |
Position 2 |
|
Primary channel active |
Position 1 | |
|
Secondary channel active |
Position 3 | |
|
DIAGNOSTIC LED(S) | |||
|
LED |
Color |
Status |
Condition |
|
LED1 |
Green |
On |
AC power source is connected at CN9 |
|
LED1 |
Green |
Off |
AC power source is not connected at CN9 |
|
LED2 |
Green |
On |
Backup DC power is connected to CN8 |
|
LED2 |
Green |
Off |
Backup DC power is not connected to CN8 |
|
LED3 |
Red |
On |
Internal power supply failed |
|
LED3 |
Red |
Off |
Internal power supplies are good |
|
LED4 |
Green |
On |
DSU is receiving data |
|
LED4 |
Green |
Off |
DSU is not receiving data |
|
LED5 |
Green |
On |
DSU is transmitting data |
|
LED5 |
Green |
Off |
DSU is not transmitting data |
|
LED6 |
Red |
On |
Fiber optic synchronization lost |
|
LED6 |
Red |
Off |
Fiber optic synchronization good |
|
LED7 |
Yellow |
On |
Primary fiber optic channel in use |
|
LED7 |
Yellow |
Off |
Primary fiber optic channel not in use |
|
LED8 |
Red |
On |
Primary fiber optic channel receive level less than -39dBm |
|
LED8 |
Red |
Off |
Primary fiber optic channel receive level more than -39dBm |
|
LED9 |
Yellow |
On |
Secondary fiber optic channel in use |
|
LED9 |
Yellow |
Off |
Secondary fiber optic channel not in use |
|
LED10 |
Red |
On |
Secondary fiber optic channel receive level less than -39dBm |
|
LED10 |
Red |
Off |
Secondary fiber optic channel receive level more than -39dBm |