MOTOROLA, INC.

DDS/MR64

Card Type

Modem (synchronous/asynchronous)

Chip Set

Unidentified

Maximum Data Rate

64Kbps

Data Bus

External

Data Modulation Protocol

Unidentified

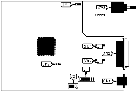
CONNECTIONS

Function

Label

Function

Label

Line out

CN1

Power switch

SW3

V.24/V.35 connector

CN2

   

USER CONFIGURABLE SETTINGS

Setting

Label

Position

í Chassis ground connected to signal ground

JP1

Pins 2 & 3 closed

Chassis ground not connected to signal ground

JP1

Pins 1 & 2 closed

í Factory configured - do not alter

JP2

Unidentified

í Test mode pins of interface not connected

S1/1

Off

Test mode pins of interface connected

S1/1

On

í No Signal output of V.35 interface not connected

S1/2

Off

No Signal output of V.35 interface connected

S1/2

On

í +12V pin of interface not connected

S1/3

Off

+12V pin of interface connected

S1/3

On

í -12V pin of interface not connected

S1/4

Off

-12V pin of interface connected

S1/4

On

í Factory configured - do not alter

S1/5

Off

í No Signal output of V.24 interface not connected

S1/6

Off

No Signal output of V.24 interface connected

S1/6

On

í TP and LL pins of V.35 interface follow V.35 standard

S1/7

On

TP and LL pins of V.35 interface follow Motorola standard (swapped)

S1/7

Off

í Factory configured - do not alter

S1/8

Off

CLOCK SOURCE

Setting

S2/1

S2/2

S2/3

S2/4

Normal operation

Off

Off

On

On

Source sealing current

On

On

Off

Off

SERIAL PORT TYPE

Setting

SW1

SW2

V.35 port

Off

Off

V.24 port

On

On