MOTOROLA, INC.

212A/D

Card Type

Modem (synchronous/asynchronous)

Chip Set

Unidentified

Maximum Data Rate

1200bps

Data Bus

External

Data Modulation Protocol

Bell 212A

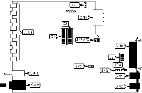
CONNECTIONS

Function

Label

Function

Label

Line out

CN1

AC power in

CN4

Line in

CN2

Talk/data switch

SW1

RS-232/422

CN3

300/1200bps switch

SW2

USER CONFIGURABLE SETTINGS

Setting

Label

Position

í Chassis ground connected to signal ground

JP1

Pins 2 & 3 closed

Chassis ground not connected to signal ground

JP1

Pins 1 & 2 closed

í Transmit level set to -9 (permissive)

JP2

Pins 2 & 3 closed

Transmit level set to programmable

JP2

Pins 1 & 2 closed

í Factory configured - do not alter

S1/1

N/A

í Automatic Call Unit returns verbose result codes

S1/2

Off

Automatic Call Unit returns numeric result codes

S1/2

On

í Automatic Call Unit enabled

S1/7

On

Automatic Call Unit disabled

S1/7

Off

í XXXT<CR> escape sequence enabled

S1/8

On

XXXT<CR> escape sequence disabled

S1/8

Off

í Modem operates in originate mode when forced to manual

S2/1

Off

Modem operates in answer mode when forced to manual

S2/1

On

í Switched-line mode

S2/2

Off

Leased-line mode

S2/2

On

í Disconnect modem on receipt of a long space

S2/3

On

Do not disconnect modem on receipt of a long space

S2/3

Off

í Transmit long space on disconnect

S2/4

On

Do not transmit long space on disconnect

S2/4

Off

í Auto-answer enabled

S2/5

On

Auto-answer disabled

S2/5

Off

í Disconnect on loss of carrier

S2/6

On

Disconnect after 18s loss of carrier

S2/6

Off

í Disconnect modem on low DTR

S2/7

On

Do not disconnect modem on low DTR

S2/7

Off

í Line will not be set busy during test modes

S2/8

Off

Line will be set busy during test modes

S2/8

On

í DTR normal

S3/1

Off

DTR forced high

S3/1

On

í Pin 23 of RS-232 port ignored

S3/2

Off

Speed set to 1200bps when pin 23 of RS-232 port is high

S3/2

On

í Pin 25 of RS-232 port ignored

S3/3

Off

Analog loopback test performed when pin 25 of RS-232 port is high

S3/3

On

í Pin 12 of RS-232 port has no function

S3/4

Off

Pin 12 of RS-232 port high indicates speed set to 1200bps

S3/4

On

HANDSET POLARITY

Setting

JP3

JP4

í Normal

Pins 2 & 3 closed

Pins 2 & 3 closed

Reversed

Pins 1 & 2 closed

Pins 1 & 2 closed

RECEIVED CD SIGNAL

Setting

S1/3

S1/4

Forced low

Off

Off

Forced high

Off

On

Low when idle

On

Off

RESET TO FACTORY DEFAULTS

Setting

S1/3

S1/4

í Normal operation

See above table

See above table

Reset configuration

On

On

DATA FORMAT

Setting

S1/5

S1/6

9-bit characters, async mode

Off

Off

í 10-bit characters, async mode

Off

On

11-bit characters, async mode

On

Off

Synchronous mode

On

On

CLOCK SOURCE

Setting

JP6/A

JP6/B

JP6/C

Slave

Open

Open

Closed

Internal

Open

Closed

Open

External

Closed

Open

Open

DIAGNOSTIC LED(S)

The functions of the LEDs are unidentified.