CREATIX POLYMEDIA

AT&T 28.8 (EXTERNAL)

Card Type

Modem (synchronous/asynchronous)

Chip Set

AT&T

I/O Options

Voice

Maximum Data Rate

28.8Kbps

Maximum Fax Rate

14.4Kbps

Data Bus

External

Fax Class

Class I & II

Data Modulation Protocol

Bell 103A/212A

ITU-T V.21, V.22, V.22bis, V.23, V.32, V.32bis, V.32terbo, V.34

Fax Modulation Protocol

ITU-T V.17, V.21CH2, V.27ter, V.29

Error Correction/Compression

MNP5, V.42, V.42bis

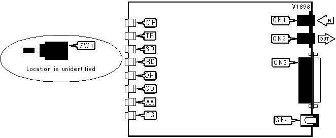
CONNECTIONS

Function

Label

Function

Label

Line in

CN1

DC power

CN4

Line out

CN2

Power switch

SW1

RS-232/422

CN3

   

DIAGNOSTIC LED(S)

LED

Color

Status

Condition

MR

Red

On

Power is on

MR

Red

Off

Power is off

TR

Red

On

DTR signal is high

TR

Red

Off

DTR signal is low

SD

Red

On

Modem is transmitting data

SD

Red

Off

Modem is not transmitting data

RD

Red

On

Modem is receiving data

RD

Red

Off

Modem is not receiving data

OH

Red

On

Modem is off-hook

OH

Red

Off

Modem is on-hook

CD

Red

On

Carrier signal detected

CD

Red

Off

Carrier signal not detected

AA

Red

On

Auto-answer enabled

AA

Red

Off

Auto-answer disabled

EC

Red

On

Error correction enabled

EC

Red

Off

Error correction disabled

Proprietary AT Command Set

AUTO-RELIABLE FALLBACK CHARACTER

Type:

Configuration

Format:

AT [cmds] %An [cmds]

Default:

0

Range:

0-127

Unit:

ASCII

Description:

Sets the character used as the auto-reliable fallback character. %A0 will disable this function.

AUTO-RELIABLE FALLBACK CHARACTER

Type:

Register

Format:

AT [cmds] S29=n [cmds]

Default:

0

Range:

0-127

Unit:

ASCII

Description:

Sets the character used as the auto-reliable fallback character. %A0 will disable this function.

AUTO-RELIABLE TIME BUFFER CONFIGURATION

Type:

Configuration

Format:

AT [cmds] \Cn [cmds]

Description:

Controls the handling of incoming data during auto-reliable time period

Command

Function

í \CO

Data is discarded

\C1

Data is buffered

\C2

Data is discarded, sets to normal mode and sends auto-reliable character to serial port.

AUTO-RETRAIN - FALLBACK/FALLFORWARD

Type:

Configuration

Format:

AT [cmds] %En [cmds]

Description:

Controls auto-retrain mode and fallback/fall forward

Command

Function

%E0

Auto-retrain disabled

%E1

Auto-retrain enabled

í %E2

Fallback/fall forward enabled

BIT MAPPED REGISTERS

Register

Default

S14

137

S15

83

S16

0

S17

75

S19

3

S20

0

S21

48

S22

246

S23

12

S24

72

S27

0

S28

16

BREAK SEND

Type:

Configuration

Format:

AT [cmds] \Bn [cmds]

Default:

3

Range:

0-9

Unit:

.1 second

Description:

Sends break to modem

BREAK TYPE

Type

Configuration

Format

AT [cmds] \Kn [cmds]

Default

5

Range

0-5

Description

Configures action of break signal

COMPRESSION

Type:

Configuration

Format:

AT [cmds] %Cn [cmds]

Description:

Controls data compression

Command

Function

%C0

Data compression disabled

í %C1

Data compression enabled

CONNECT MODE

Type:

Configuration

Format:

AT [cmds] \Nn [cmds]

Description:

Sets connect mode

Command

Function

\N0

Normal mode enabled

\N1

Direct mode enabled

\N2

MNP mode only enabled

í \N3

LAP-M/MNP/Normal mode enabled

\N4

LAP-M mode only enabled

\N5

LAP-M/Normal mode enabled

\N6

LAP-M/MNP mode enabled.

\N7

MNP/Normal mode enabled

CONNECTION SPEED UPPER LIMIT

Type:

Immediate

Format:

AT [cmds] %Bn [cmds]

Description:

Selects the maximum DCE connection speed

Command

Function

%B300

Select 300bps speed

%B1200

Select 1200bps speed

%B2400

Select 2400bps speed

%B4800

Select 4800bps speed

%B7200

Select 7200bps speed

%B9600

Select 9600bps speed

%B12000

Select 12Kbps speed

%B14400

Select 14.4Kbps speed

%B16800

Select 16.8Kbps speed

%B19200

Select 19.2Kbps speed

%B21600

Select 21.6Kbps speed

%B24000

Select 24Kbps speed

%B26400

Select 26.4Kbps speed

%B28800

Select 28.8Kbps speed

DTE BAUD RATE

Type:

Configuration

Format:

AT [cmds] %Nn [cmds]

Description:

Controls DTE baud rate

Command

Function

í %N0

IBM PC

%N1

NEC PC98 set 1

%N2

NEC PC98 set 2

Note: For use with external models

EXTENDED RESULT CODES

Type:

Configuration

Format:

AT [cmds] \Vn [cmds]

Description:

Selects extended result codes

Command

Function

\V0

Modem speed result codes enabled

\V1

Modem speed and basic REL result codes enabled

í \V2

All extended result codes enabled

\V3

Computer speed result codes enabled

FLOW CONTROL

Type:

Configuration

Format:

AT [cmds] \Gn [cmds]

Description:

Selects modem port flow control

Command

Function

í \G0

Flow control disabled

\G1

Flow control enabled

FLOW CONTROL TYPE

Type:

Configuration

Format:

AT [cmds] \Qn [cmds]

Description:

Sets type of flow control used by modem

Command

Function

\Q0

Flow control disabled

\Q1

Bidirectional XON/XOFF flow control enabled

\Q2

CTS flow control by DCE enabled

í \Q3

CTS/RTS flow control enabled

\Q4

Unidirectional XON/XOFF flow control enabled

INACTIVITY TIMER

Type:

Configuration

Format:

AT [cmds] \Tn [cmds]

Default:

0

Range:

0-90

Unit:

1 minute

Description:

Sets the length of time that the modem does not receive information before it disconnects

LINE SIGNAL QUALITY

Type:

Immediate

Format:

AT [cmds] %Q [cmds]

Description:

Displays line signal quality and receive level in dBm

DUMB MODE

Type:

Configuration

Format:

AT [cmds] %Dn [cmds]

Description:

Controls smart/dumb mode

Command

Function

í %D0

Smart mode enabled

%D1

Dumb mode enabled

LOCK SERIAL PORT

Type:

Configuration

Format:

AT [cmds] \Jn [cmds]

Description:

Sets operation of serial port speed

Command

Function

í \J0

Serial speed locked

\J1

Serial speed follows connect speed

MAXIMUM BLOCK SIZE FOR TRANSMISSION

Type:

Configuration

Format:

AT [cmds] \An [cmds]

Description:

Sets the maximum transmittable block size

Command

Function

\A0

MNP block size is 64 characters

\A1

MNP block size is 128 characters

\A2

MNP block size is 192 characters

í \A3

MNP block size is 256 characters

MODULATION SELECTION

Type:

Configuration

Format:

AT [cmds] \Mn [cmds]

Description:

Controls V.34 and V.32terbo modulation selection

Command

Function

í \M0

V.34 and V.32terbo enabled

\M1

V.32terbo disabled

\M2

V.34 disabled

SLEEP TIMER

Format

AT [cmds] S13=n [cmds]

Default:

6

Range:

0-255

Unit:

1 second

Description:

Maximum duration of DTE and DCE inactivity allowed prior to initiating low-power sleep mode

TRANSMIT ATTENUATION

Type:

Register

Format:

AT [cmds] S91=n [cmds]

Default:

12

Range:

0-15

Unit:

-1dBm

Description:

Controls attenuation for transmit level

XON/XOFF PASS-THROUGH

Type:

Configuration

Format:

AT [cmds] \Xn [cmds]

Description:

Selects whether XON/XOFF signals are sent to remote modem

Command

Function

í \X0

XON/XOFF signals trapped by local modem

\X1

XON/XOFF passed through local modem