CARDINAL TECHNOLOGIES, INC.
MVP144IV2
|
Modem Type |
Data (synchronous/asynchronous)/Fax/Voice |
|
Maximum Data Rate |
14.4Kbps |
|
Maximum Fax Rate |
14.4Kbps |
|
Data Bus |
8-bit ISA |
|
Fax Class |
Class I |
|
Data Modulation Protocol |
Bell 103A/212A ITU-T V.21, V.22, V.22bis, V.23, V.32, V.32bis |
|
Fax Modulation Protocol |
ITU-T V.17, V.21CH2, V.27ter, V.29 |
|
Error Correction/Compression |
MNP5, V.42, V.42bis |

|
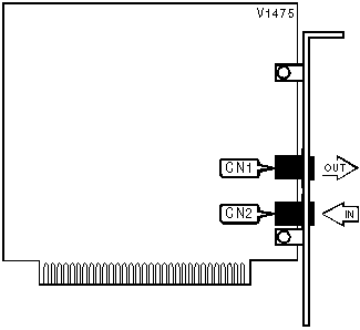
CONNECTIONS | |||
|
Purpose |
Location |
Purpose |
Location |
|
Line out |
CN1 |
Line in |
CN2 |
Proprietary AT Command Set
|
AUTO-RETRAIN - FALLBACK/FALLFORWARD | |
|
Type: |
Configuration |
|
Format: |
AT [cmds] %En [cmds] |
|
Example: |
AT %E2 <CR> |
|
Description: |
Controls auto-retrain mode and fallback/fall forward. |
|
Command |
Function |
|
%E0 |
Auto-retrain disabled. |
|
%E1 |
Auto-retrain enabled. |
| » %E2 |
Fallback/fall forward enabled. |
|
BIT-MAPPED REGISTERS | |
|
Register |
Default |
|
S14 |
138 |
|
S16 |
0 |
|
S21 |
52 |
|
S22 |
117 |
|
S23 |
62 |
|
S27 |
73 |
|
S28 |
0 |
|
S31 |
194 |
|
S39 |
3 |
|
S40 |
104 |
|
S41 |
195 |
|
BREAK SEND | |
|
Type: |
Configuration |
|
Format: |
AT [cmds] \Bn [cmds] |
|
Example: |
AT \B3 &W <CR> |
|
Default: |
3 |
|
Range: |
1-9 |
|
Unit: |
.1 second |
|
Description: |
Sends break to modem. |
|
BREAK TYPE | ||||
|
Type: |
Configuration | |||
|
Format: |
AT [cmds] \Kn [cmds] | |||
|
Example: |
AT \K5 <CR> | |||
|
Description: |
Configures action of break signal. | |||
|
Command |
Break from DTE Reliable/Normal mode |
Modem receives \B |
Break from remote modem | |
|
\K0 |
Enter command mode, do not send break to remote modem. |
Buffers cleared and break sent to remote modem. |
Buffers cleared and break sent to DTE. | |
|
\K1 |
Buffers cleared and break sent to remote modem. |
Buffers cleared and break sent to remote modem. |
Buffers cleared and break sent to DTE. | |
|
\K2 |
Enter command mode, do not send break to remote modem. |
Send break to remote modem immediately. |
Send break to DTE immediately. | |
|
\K3 |
Send break to remote modem immediately. |
Send break to remote modem immediately. |
Send break to DTE immediately. | |
|
\K4 |
Enter command mode, do not send break to remote modem. |
Send break to remote modem with transmitted data. |
Break sent with received data to the DTE. | |
| » \K5 |
Send break with transmitted data. |
Send break to remote modem with transmitted data. |
Break sent with received data to the DTE. | |
|
COMPROMISE EQUALIZER | |
|
Type: |
Configuration |
|
Format: |
AT [cmds] :En [cmds] |
|
Example: |
AT :E1 &W <CR> |
|
Description: |
Controls V.32 compromise equalizer. |
|
Command |
Function |
|
:E0 |
Equalizer disabled. |
| » :E1 |
Equalizer enabled. |
|
CONNECT MODE | |
|
Type: |
Configuration |
|
Format: |
AT [cmds] \Nn [cmds] |
|
Example: |
AT \N1 DT555-1212 <CR> |
|
Description: |
Sets connect mode. |
|
Command |
Function |
|
\N0 |
Normal mode. |
|
\N1 |
Direct mode. |
|
\N2 |
Reliable mode. |
|
\N3 |
Auto-reliable mode. |
|
\N4 |
V.42 reliable mode. |
|
\N5 |
MNP error correction mode. |
|
COMPRESSION | |
|
Type: |
Configuration |
|
Format: |
AT %Cn |
|
Example: |
AT *EC0 %C1 *AP0 <CR> |
|
Description: |
Selects data compression. |
|
Command |
Function |
|
%C0 |
Data compression disabled. |
|
%C1 |
MNP5 enabled. |
|
%C2 |
V.42bis enabled. |
| » %C3 |
MNP5 and V.42bis enabled. |
|
EXTENDED RING | |||
|
Format: |
AT [cmds] -SDR=n [cmds] | ||
|
Example: |
AT-SDR=3<CR> | ||
|
Default: |
0 | ||
|
Range: |
0 - 7 | ||
|
Unit: |
Bit-mapped | ||
|
Description: |
Selects the response to extended ring types. | ||
|
Bit |
Value |
Function | |
|
0 |
» 0
1 |
Do not respond to ring type 1. Respond to ring type 1. | |
|
1 |
» 0
1 |
Do not respond to ring type 2. Respond to ring type 2. | |
|
2 |
» 0
1 |
Do not respond to ring type 3. Respond to ring type 3. | |
|
FLASH DIAL MODIFIER TIME | |
|
Format |
AT [cmds] S29=n [cmds] |
|
Example: |
ATS29=0 <CR> |
|
Default: |
0 |
|
Range: |
0-255 |
|
Unit: |
.001 second |
|
Description: |
Time the modem will go on-hook upon receiving the ! dial modifier in dial string. |
|
FLOW CONTROL CHARACTER - XOFF | |
|
Type: |
Register |
|
Format: |
AT [cmds] S33=n [cmds] |
|
Example: |
ATS33=20 <CR> |
|
Default: |
19 |
|
Range: |
0-255 |
|
Unit: |
ASCII |
|
Description: |
Sets the character used to represent XOFF. |
|
FLOW CONTROL CHARACTER - XON | |
|
Type: |
Register |
|
Format: |
AT [cmds] S32=n [cmds] |
|
Example: |
ATS32=20 <CR> |
|
Default: |
17 |
|
Range: |
0-255 |
|
Unit: |
ASCII |
|
Description: |
Sets the character used to represent XON. |
|
LINE SIGNAL LEVEL | |
|
Type: |
Configuration |
|
Format: |
AT [cmds] %L [cmds] |
|
Example: |
AT %L &W <CR> |
|
Description: |
Returns recieved line signal level. |
|
MAXIMUM BLOCK SIZE FOR TRANSMISSION | |
|
Type: |
Configuration |
|
Format: |
AT [cmds] \An [cmds] |
|
Example: |
AT \A1 %C1 <CR> |
|
Description: |
Sets the maximum transmittable block size. |
|
Command |
Function |
|
\A0 |
MNP block size is 64 characters. |
| » \A1 |
MNP block size is 128 characters. |
|
\A2 |
MNP block size is 192 characters. |
|
\A3 |
MNP block size is 256 characters. |
|
MNP10 TRANSMISSION LEVEL | |
|
Type: |
Configuration |
|
Format: |
AT [cmds] -SECn,a [cmds] |
|
Example: |
AT-SEC1,24 <CR> |
|
Default: |
Unidentified |
|
Range: |
a =0-30 |
|
Unit: |
-1 dBm |
|
Description: |
Enables/disables and sets the transmission level for MNP10. |
|
Command |
Function |
|
n =0 |
MNP10 disabled. |
|
n =1 |
MNP10 enabled. |
|
MODE SELECTION | |
|
Type: |
Immediate |
|
Format: |
AT [cmds] +FCLASS=n [cmds] |
|
Example: |
AT +FCLASS=0 &W <CR> |
|
Description: |
Sets what mode the modem will operate in. |
|
Command |
Function |
|
+FCLASS=0 |
Data mode enabled. |
|
+FCLASS=1 |
Fax mode enabled. |
|
+FCLASS=80 |
Voice mode enabled. |
|
REPORT INFORMATION | |
|
Type: |
Immediate |
|
Format: |
AT [cmds] In [cmds] |
|
Example: |
AT I1 O <CR> |
|
Description: |
Displays modem properties. |
|
Command |
Function |
|
I0 |
Reports product code. |
|
I1 |
Reports firmware checksum. |
|
I2 |
Reports firmware checksum result. (report OK if correct) |
|
I3 |
Reports firmware revision. |
|
I4 |
Reports identifier string. |
|
I5 |
Reports country code. |
|
I6 |
Reports Data Pump modem and revision. |
|
REPORT SIGNAL QUALITY | |
|
Type: |
Configuration |
|
Format: |
AT [cmds] %Q [cmds] |
|
Example: |
AT %Q &W <CR> |
|
Description: |
Reports signal quality. |
|
SLEEP TIMER | |
|
Format |
AT [cmds] S24=n [cmds] |
|
Example: |
ATS24=40 <CR> |
|
Default: |
1 |
|
Range: |
0 - 255 |
|
Unit: |
.01 second |
|
Description: |
Maximum duration of DTE and DCE inactivity allowed prior to initiating low-power sleep mode. |
|
TRANSMISSION LEVEL | |
|
Type: |
Configuration |
|
Format: |
AT [cmds] @Mn [cmds] |
|
Example: |
AT @M25 &W <CR> |
|
Default: |
0 |
|
Range: |
11-30 |
|
Unit: |
-1 dBm |
|
Description: |
Sets the signal level for transmission. |
|
Command |
Function |
| » @M0 |
-26dBm |
|
@M1 |
-30dBm |
|
@M2-@M10 |
-10dBm |