ACER, INC.
28.8 internal MODEM (DIP switch)
|
Card Type |
Modem(synchronous/asynchronous), Fax, Voice |
|
Chip Set |
Unidentified |
|
Maximum Data Rate |
28.8Kbps |
|
Maximum Fax Rate |
14.4Kbps |
|
Data Bus |
8-bit ISA |
|
Fax Class |
Class I & II |
|
Data Modulation Protocol |
Bell 103A/212A ITU-T V.22, V.22bis, V.32, V.32bis, V.32terbo, V.34 |
|
Fax Modulation Protocol |
ITU-T V.17, V.21CH2, V.27ter, V.29 |
|
Error Correction/Compression |
MNP2-5, V.42, V.42bis |

|
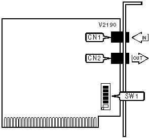
CONNECTIONS | ||||||
|
Function |
Label |
Function |
Label | |||
|
Line in |
CN1 |
Line out |
CN2 | |||
|
COM PORT ADDRESS | ||
|
Setting |
SW1/1 |
SW1/2 |
|
COM1 (3F8h) |
On |
On |
|
COM2 (2F8h) |
Off |
On |
|
COM3 (3E8h) |
On |
Off |
|
COM4 (2E8h) |
Off |
Off |
|
INTERRUPT | ||||
|
Setting |
SW1/3 |
SW1/4 |
SW1/5 |
SW1/6 |
|
IRQ2 |
On |
Off |
Off |
Off |
|
IRQ3 |
Off |
On |
Off |
Off |
|
IRQ4 |
Off |
Off |
On |
Off |
|
IRQ5 |
Off |
Off |
Off |
On |
Proprietary AT Command Set
See document V2110 for a full command summary.