3COM CORPORATION
US ROBOTICS 1200PC
|
Modem Type |
Data (synchronous/asynchronous) |
|
Maximum Data Rate |
1200bps |
|
Data Bus |
8-bit ISA |
|
Data Modulation Protocol |
Bell 103A/212A |

|
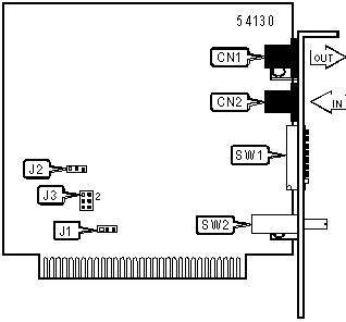
CONNECTIONS | |||
|
Purpose |
Location |
Purpose |
Location |
|
Line out |
CN1 |
Volume |
SW2 |
|
Line in |
CN2 | ||
|
DTR SIGNAL | |
| Setting |
SW1/1 |
| » DTR forced high |
On |
| DTR normal |
Off |
|
RESULT CODES | |
| Setting |
SW1/2 |
| » Verbose result codes enabled |
Off |
| Numeric result codes enabled |
On |
|
RESULT CODES DISPLAY | |
| Setting |
SW1/3 |
| » Display enabled |
On |
| Display disabled |
Off |
|
ECHO COMMANDS DISPLAY | |
| Setting |
SW1/4 |
| » Local echo enabled |
Off |
| Local echo disabled |
On |
|
AUTO ANSWER | |
| Setting |
SW1/5 |
| » Modem does not answer on first ring |
On |
| Modem answers on first ring |
Off |
|
CARRIER DETECT | |
| Setting |
SW1/6 |
| » CD normal |
Off |
| CD forced high |
On |
|
MULTLINE INSTALLATION | |
| Setting |
SW1/7 |
| » Single phone connected |
Off |
| Multiple phones connected |
On |
|
AT COMMAND SET | |
| Setting |
SW1/8 |
| » AT command set recognized |
On |
| AT command set disabled |
Off |
|
COM PORT CONFIGURATION | ||
|
Port |
J1 |
J2 |
|
COM1: (3F8h) |
Pins 1 & 2 closed |
Pins 1 & 2 closed |
|
COM2: (3E8h) |
Pins 2 & 3 closed |
Pins 1 & 2 closed |
|
COM3: (2F8h) |
Pins 1 & 2 closed |
Pins 2 & 3 closed |
|
COM4: (2E8h) |
Pins 2 & 3 closed |
Pins 2 & 3 closed |
|
INTERRUPT SELECTION | |
|
IRQ |
J3 |
|
3 |
Pins 3 & 5 closed |
|
4 |
Pins 1 & 3 closed |
|
5 |
Pins 2 & 4 closed |
|
7 |
Pins 4 & 6 closed |
|
Disabled |
Open |
Proprietary AT Command Set
|
ANALOG LOOPBACK SELF TEST | |
|
Type: |
Register |
|
Format: |
AT [cmds] S16=n [cmds] |
|
Example: |
ATS16=139 <CR> |
|
Description: |
Selects the tone dialing test. |
| Command |
Function |
|
0 |
Data mode. |
|
1 |
Analog loopback. |
|
2 |
Dial testing. |
|
4 |
Test pattern. |
|
5 |
Analog loopback and test pattern. |