LONGSHINE MICROSYSTEM, INC.

LCS-8834 (REV. C)

NIC Type

Ethernet

Transfer Rate

10Mbps

Data Bus

8-bit ISA

Topology

Linear Bus

Wiring Type

RG58A/U 50ohm coaxial

AUI transceiver via DB-15 port

Boot ROM

Available

CABLE TYPE

Type

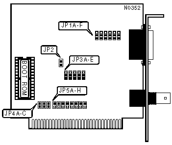
JP1A - JP1F

»

RG58A/U 50ohm coaxial

Pins 2 & 3 closed

 

AUI transceiver via DB-15 port

Pins 1 & 2 closed

BOOT ROM

Setting

JP2

»

Disabled

Open

 

Enabled

Closed

INTERUPT REQUEST

IRQ

JP5A

JP5B

JP5C

JP5D

 

2/9

Closed

Open

Open

Open

»

3

Open

Closed

Open

Open

 

4

Open

Open

Closed

Open

 

5

Open

Open

Open

Closed

DMA CHANNEL

Channel

JP5E

JP5F

JP5G

JP5H

»

Disabled

JP5E/pin 1 connected to JP5F/pin 1 and JP5G/pin 1 connected to JP5H/pin 1

 

DMA1

Closed

Open

Closed

Open

 

DMA3

Closed

Open

Open

Closed

BASE MEMORY ADDRESS

Address

JP3A

JP3B

JP3C

JP3D

JP3E

 

C000h

Pins 1 & 2

Pins 1 & 2

Pins 1 & 2

Pins 1 & 2

Pins 1 & 2

 

C200h

Pins 2 & 3

Pins 1 & 2

Pins 1 & 2

Pins 1 & 2

Pins 1 & 2

 

C400h

Pins 1 & 2

Pins 2 & 3

Pins 1 & 2

Pins 1 & 2

Pins 1 & 2

 

C600h

Pins 2 & 3

Pins 2 & 3

Pins 1 & 2

Pins 1 & 2

Pins 1 & 2

»

C800h

Pins 1 & 2

Pins 1 & 2

Pins 2 & 3

Pins 1 & 2

Pins 1 & 2

 

CA00h

Pins 2 & 3

Pins 1 & 2

Pins 2 & 3

Pins 1 & 2

Pins 1 & 2

 

CC00h

Pins 1 & 2

Pins 2 & 3

Pins 2 & 3

Pins 1 & 2

Pins 1 & 2

 

CE00h

Pins 2 & 3

Pins 2 & 3

Pins 2 & 3

Pins 1 & 2

Pins 1 & 2

 

D000h

Pins 1 & 2

Pins 1 & 2

Pins 1 & 2

Pins 2 & 3

Pins 1 & 2

 

D200h

Pins 2 & 3

Pins 1 & 2

Pins 1 & 2

Pins 2 & 3

Pins 1 & 2

 

D400h

Pins 1 & 2

Pins 2 & 3

Pins 1 & 2

Pins 2 & 3

Pins 1 & 2

 

D600h

Pins 2 & 3

Pins 2 & 3

Pins 1 & 2

Pins 2 & 3

Pins 1 & 2

 

D800h

Pins 1 & 2

Pins 1 & 2

Pins 2 & 3

Pins 2 & 3

Pins 1 & 2

 

DA00h

Pins 2 & 3

Pins 1 & 2

Pins 2 & 3

Pins 2 & 3

Pins 1 & 2

 

DC00h

Pins 1 & 2

Pins 2 & 3

Pins 2 & 3

Pins 2 & 3

Pins 1 & 2

 

DE00h

Pins 2 & 3

Pins 2 & 3

Pins 2 & 3

Pins 2 & 3

Pins 1 & 2

 

E000h

Pins 1 & 2

Pins 1 & 2

Pins 1 & 2

Pins 1 & 2

Pins 2 & 3

 

E200h

Pins 2 & 3

Pins 1 & 2

Pins 1 & 2

Pins 1 & 2

Pins 2 & 3

 

E400h

Pins 1 & 2

Pins 2 & 3

Pins 1 & 2

Pins 1 & 2

Pins 2 & 3

 

E600h

Pins 2 & 3

Pins 2 & 3

Pins 1 & 2

Pins 1 & 2

Pins 2 & 3

 

E800h

Pins 1 & 2

Pins 1 & 2

Pins 2 & 3

Pins 1 & 2

Pins 2 & 3

 

EA00h

Pins 2 & 3

Pins 1 & 2

Pins 2 & 3

Pins 1 & 2

Pins 2 & 3

 

EC00h

Pins 1 & 2

Pins 2 & 3

Pins 2 & 3

Pins 1 & 2

Pins 2 & 3

 

EE00h

Pins 2 & 3

Pins 2 & 3

Pins 2 & 3

Pins 1 & 2

Pins 2 & 3

 

F000h

Pins 1 & 2

Pins 1 & 2

Pins 1 & 2

Pins 2 & 3

Pins 2 & 3

 

F200h

Pins 2 & 3

Pins 1 & 2

Pins 1 & 2

Pins 2 & 3

Pins 2 & 3

 

Notes:Pins designated should be in the closed position.

Addresses C000h - C600h and E000h & E200h cannot be used in a PC/AT class machine.

Addresses C800h & CA00h cannot be used in a PC/XT class machine.

I/O BASE ADDRESS

Address

JP4A

JP4B

JP4C

»

300h

Closed

Closed

Closed

 

320h

Closed

Closed

Open

 

340h

Closed

Open

Closed

 

360h

Closed

Open

Open

 

380h

Open

Closed

Closed

 

3A0h

Open

Closed

Open

 

3C0h

Open

Open

Closed

 

3E0h

Open

Open

Open