COMPU-SHACK PRODUCTION, GMBH

FASTLINE-PCI FO (100BASE TX)

Card Type

Network Interface Card

NIC Type

Ethernet

Maximum Onboard Memory

Unidentified

Boot ROM

Unavailable

Network Transfer Rate

100Mbps (200Mbps full duplex)

Topology

Star

Wiring Type

Duplex-SC Fiber optic

Data Bus

32-bit PCI

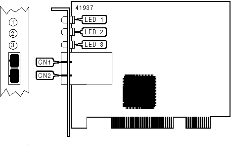
CONNECTIONS

Function

Label

Function

Label

Fiber optic connector (SC)

CN1

Fiber optic connector (SC)

CN2

DIAGNOSTIC LED(S)

LED

Color

Status

Condition

LED1

Green

On

Network connection is good

LED1

Green

Off

Network connection is broken

LED2

Green

On

Data is being received

LED2

Green

Off

Data is not being received

LED3

Green

On

Data is being transmitted

LED3

Green

Off

Data is not being transmitted