CNET TECHNOLOGY, INC.

CN815E

Card Type

Ethernet transceiver

Network Transfer Rate

10Mbps

Data Bus

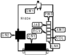
AUI via DB-15 port

Topology

Star

Wire Type

Unshielded twisted pair

CONNECTIONS

Function

Label

Function

Label

AUI via DB-15 port

CN1

Unshielded twisted pair connector

CN2

USER CONFIGURABLE SETTINGS

Setting

Label

Position

»

SQE test enabled

SW1

On

 

SQE test disabled

SW1

Off

DIAGNOSTIC LED(S)

LED

Color

Status

Condition

PWR

Unidentified

On

Power is on

PWR

Unidentified

Off

Power is off

JAB

Unidentified

On

Network jabber detected

JAB

Unidentified

Off

Network jabber not detected

XMT

Unidentified

Off

Transceiver is not transmitting data to the network

XMT

Unidentified

Blinking

Transceiver is transmitting data to the network

RCV

Unidentified

Off

Transceiver is not receiving data from the network

RCV

Unidentified

Blinking

Transceiver is receiving data from the network

COL

Unidentified

Off

Network collision not detected

COL

Unidentified

Blinking

Network collision detected

LNK

Unidentified

On

Network connection is good

LNK

Unidentified

Off

Network connection is broken