VEXTREC COMPUTER, INC.

GMB-P6EIMG (VER. 1.01)

Device Type

Mainboard

Processor

Pentium II

Processor Speed

233/266/300/333MHz

Chip Set

Intel 440EX

Maximum Onboard Memory

512MB (EDO & SDRAM supported)

Cache

256/512KB (located on the Pentium II CPU)

BIOS

Award

Dimensions

244mm x 210mm

I/O Options

32-bit PCI slots (2), floppy drive interface, game/MIDI port, IDE interfaces (2), parallel port, PS/2 mouse port, serial ports (2), IR connector, USB connectors (2), ATX power connector, AGP slot, line in, line out, microphone in, audio in – CD-ROMs (2)

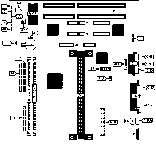
CONNECTIONS

Purpose

Location

Purpose

Location

AGP slot

AGP

Soft off power supply

J2

ATX power connector

ATX

Reset switch

J3

Microphone in

CN1

Power LED & keylock

J5

Line in

CN2

IDE interface LED

J6

Line out

CN3

IR connector

J7

Game/MIDI port

CN4

IDE interface 1

J9

Serial port 1

CN5

IDE interface 2

J10

Serial port 2

CN6

Audio in – CD-ROM (Sony)

J11

Parallel port

CN7

Audio in – CD-ROM (Mits/Pan)

J15

USB connector 1

CN8A

CPU fan power

J16

USB connector 2

CN8B

Floppy drive interface

J19

PS/2 mouse port

CN9

Wake on LAN

JP5

Speaker

J1

32-bit PCI slots

PC1 - PC2

USER CONFIGURABLE SETTINGS

Function

Label

Position

»

CMOS memory normal operation

J4

Pins 2 & 3 closed

 

CMOS memory clear

J4

Pins 1 & 2 closed

»

Power on after power failure enabled

J24

Closed

 

Power on after power failure disabled

J24

Open

DIMM CONFIGURATION

Size

Bank 0

Bank 1

8MB

1M x 64

None

16MB

2M x 64

None

16MB

1M x 64

1M x 64

24MB

2M x 64

1M x 64

32MB

4M x 64

None

32MB

2M x 64

2M x 64

40MB

4M x 64

1M x 64

48MB

4M x 64

2M x 64

64MB

8M x 64

None

64MB

4M x 64

4M x 64

72MB

8M x 64

1M x 64

80MB

8M x 64

2M x 64

96MB

8M x 64

4M x 64

128MB

8M x 64

8M x 64

128MB

16M x 64

None

136MB

16M x 64

1M x 64

144MB

16M x 64

2M x 64

160MB

16M x 64

4M x 64

192MB

16M x 64

8M x 64

256MB

16M x 64

16M x 64

256MB

32M x 64

None

264MB

32M x 64

1M x 64

272MB

32M x 64

2M x 64

288MB

32M x 64

4M x 64

320MB

32M x 64

8M x 64

384MB

32M x 64

16M x 64

512MB

32M x 64

32M x 64

Note: Board accepts 256MB SDRAM or 512MB EDO memory.

CPU SPEED SELECTION

CPU speed

Clock speed

Multiplier

JP2/pins 1 & 2

JP2/pins 3 & 4

JP2/pins 5 & 6

233MHz

66MHz

3.5x

Open

Open

Closed

266MHz

66MHz

4x

Closed

Closed

Open

300MHz

66MHz

4.5x

Open

Closed

Open

333MHz

66MHz

5x

Closed

Open

Open