ZIDA TECHNOLOGIES, INC.
6DXP (VER. 1.00)
|
Device Type |
Mainboard |
|
Processor |
Pentium Pro |
|
Processor Speed |
150/166/180/200MHz |
|
Chip Set |
Intel 440FX |
|
Video Chip Set |
None |
|
Maximum Onboard Memory |
256MB (EDO supported) |
|
Maximum Video Memory |
None |
|
Cache |
256/512KB (located on Pentium Pro CPU) |
|
BIOS |
Award |
|
Dimensions |
305mm x 244mm |
|
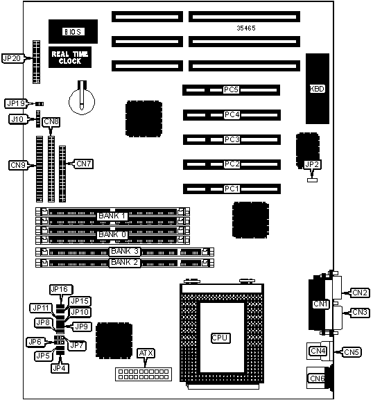
I/O Options |
32-bit PCI slots (5), floppy drive interface, green PC connector, IDE interfaces (2), parallel port, PS/2 mouse port, serial ports (2), IR connector, USB connectors (2), ATX power connector |
|
NPU Options |
None |
|
CONNECTIONS | |||
|
Purpose |
Location |
Purpose |
Location |
|
ATX power connector |
ATX |
CPU fan power |
JP6 |
|
Parallel port |
CN1 |
CPU fan power |
JP7 |
|
Serial port 1 |
CN2 |
Power LED & keylock |
JP20/pins 1 – 5 |
|
Serial port 2 |
CN3 |
Green PC connector |
JP20/pins 7 & 8 |
|
USB connector 1 |
CN4 |
Speaker |
JP20/pins 10 – 13 |
|
USB connector 2 |
CN5 |
IDE interface LED |
JP20/pins 14 & 15 |
|
PS/2 mouse port |
CN6 |
Soft off power supply |
JP20/pins 17 & 18 |
|
Floppy drive interface |
CN7 |
Reset switch |
JP20/pins 22 & 23 |
|
IDE interface 2 |
CN8 |
Turbo LED |
JP20/pins 25 & 26 |
|
IDE interface 1 |
CN9 |
32-bit PCI slots |
PC1 – PC5 |
|
IR connector |
J10 | ||
|
USER CONFIGURABLE SETTINGS | |||
|
Function |
Label |
Position | |
|
» |
Factory configured - do not alter |
JP2 |
Unidentified |
|
» |
Factory configured - do not alter |
JP11 |
Unidentified |
|
» |
CMOS memory normal operation |
JP19 |
Open |
|
CMOS memory clear |
JP19 |
Closed | |
|
SIMM CONFIGURATION | ||
|
Size |
Bank 0 |
Bank 1 |
|
8MB |
(2) 1M x 36 |
None |
|
16MB |
(2) 2M x 36 |
None |
|
16MB |
(2) 1M x 36 |
(2) 1M x 36 |
|
24MB |
(2) 2M x 36 |
(2) 1M x 36 |
|
32MB |
(2) 4M x 36 |
None |
|
32MB |
(2) 2M x 36 |
(2) 2M x 36 |
|
40MB |
(2) 4M x 36 |
(2) 1M x 36 |
|
48MB |
(2) 4M x 36 |
(2) 2M x 36 |
|
64MB |
(2) 8M x 36 |
None |
|
64MB |
(2) 4M x 36 |
(2) 4M x 36 |
|
72MB |
(2) 8M x 36 |
(2) 1M x 36 |
|
80MB |
(2) 8M x 36 |
(2) 2M x 36 |
|
96MB |
(2) 8M x 36 |
(2) 4M x 36 |
|
128MB |
(2) 8M x 36 |
(2) 8M x 36 |
|
128MB |
(2) 16M x 36 |
None |
|
SIMM CONFIGURATION (CON’T) | ||
|
Size |
Bank 0 |
Bank 1 |
|
136MB |
(2) 16M x 36 |
(2) 1M x 36 |
|
144MB |
(2) 16M x 36 |
(2) 2M x 36 |
|
160MB |
(2) 16M x 36 |
(2) 4M x 36 |
|
192MB |
(2) 16M x 36 |
(2) 8M x 36 |
|
256MB |
(2) 16M x 36 |
(2) 16M x 36 |
|
Note: Board accepts EDO memory. | ||
|
DIMM CONFIGURATION | ||
|
Size |
Bank 2 |
Bank 3 |
|
8MB |
(1) 1M x 64 |
None |
|
16MB |
(1) 2M x 64 |
None |
|
16MB |
(1) 1M x 64 |
(1) 1M x 64 |
|
24MB |
(1) 2M x 64 |
(1) 1M x 64 |
|
32MB |
(1) 4M x 64 |
None |
|
32MB |
(1) 2M x 64 |
(1) 2M x 64 |
|
40MB |
(1) 4M x 64 |
(1) 1M x 64 |
|
48MB |
(1) 4M x 64 |
(1) 2M x 64 |
|
64MB |
(1) 8M x 64 |
None |
|
64MB |
(1) 4M x 64 |
(1) 4M x 64 |
|
72MB |
(1) 8M x 64 |
(1) 1M x 64 |
|
80MB |
(1) 8M x 64 |
(1) 2M x 64 |
|
96MB |
(1) 8M x 64 |
(1) 4M x 64 |
|
128MB |
(1) 16M x 64 |
None |
|
128MB |
(1) 8M x 64 |
(1) 8M x 64 |
|
136MB |
(1) 16M x 64 |
(1) 1M x 64 |
|
144MB |
(1) 16M x 64 |
(1) 2M x 64 |
|
160MB |
(1) 16M x 64 |
(1) 4M x 64 |
|
192MB |
(1) 16M x 64 |
(1) 8M x 64 |
|
256MB |
(1) 16M x 64 |
(1) 16M x 64 |
|
Note: Board accepts EDO memory. | ||
|
CACHE CONFIGURATION |
|
Note: 256KB/512KB cache is located on the Pentium Pro CPU. |
|
CPU SPEED SELECTION | ||||||
|
CPU speed |
Clock speed |
Multiplier |
JP4 |
JP5 |
JP8 |
JP9 |
|
150MHz |
60MHz |
2.5x |
Closed |
Open |
Open |
Closed |
|
166MHz |
66MHz |
2.5x |
Open |
Closed |
Open |
Closed |
|
180MHz |
60MHz |
3x |
Closed |
Open |
Closed |
Open |
|
200MHz |
66MHz |
3x |
Open |
Closed |
Closed |
Open |
|
CPU SPEED SELECTION (CON’T) | |||||
|
CPU speed |
Clock speed |
Multiplier |
JP10 |
JP15 |
JP16 |
|
150MHz |
60MHz |
2.5x |
Closed |
Closed |
Open |
|
166MHz |
66MHz |
2.5x |
Closed |
Open |
Closed |
|
180MHz |
60MHz |
3x |
Closed |
Closed |
Open |
|
200MHz |
66MHz |
3x |
Closed |
Open |
Closed |