TEKRAM TECHNOLOGY CO., LTD.
P6PRO-A5
|
Device Type |
Mainboard |
|
Processor |
Pentium II/Celeron |
|
Processor Speed |
233/266/300/333/350/366/400/450/500/550MHz |
|
Chip Set |
VIA Apollo |
|
Maximum Onboard Memory |
384MB (EDO & SDRAM supported) |
|
Cache |
0/128/256/512KB (located on the CPU) |
|
BIOS |
Award |
|
Dimensions |
305mm x 175mm |
|
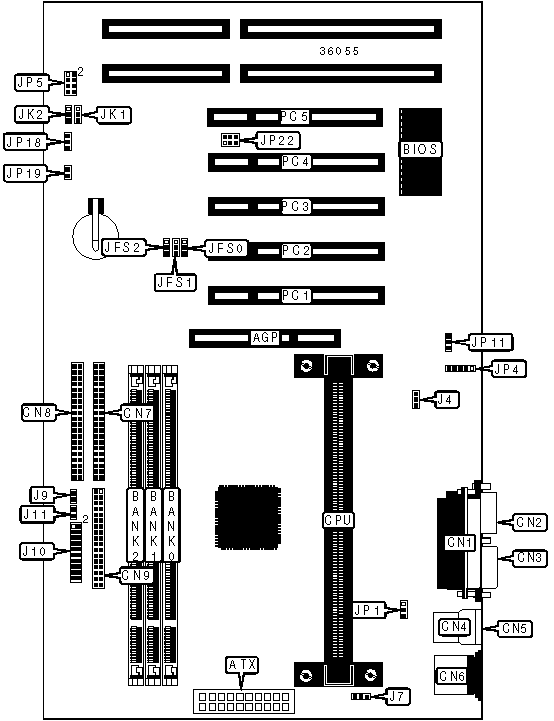
I/O Options |
32-bit PCI slots (5), floppy drive interface, green PC connector, IDE interfaces (2), parallel port, PS/2 mouse port, serial ports (2), IR connector, USB connectors (2), ATX power connector, AGP slot, SB-link connector, wake on LAN connector, wake on modem connector |
|
CONNECTIONS | |||
|
Purpose |
Location |
Purpose |
Location |
|
AGP slot |
AGP |
Soft off power supply |
J9 |
|
ATX power connector |
ATX |
Power LED & keylock |
J10/pins 2/4/6/8/10 |
|
Parallel port |
CN1 |
Turbo LED |
J10/pins 3 & 5 |
|
Serial port 2 |
CN2 |
Green PC connector |
J10/pins 7 & 9 |
|
Serial port 1 |
CN3 |
Speaker |
J10/pins 14/16/18/20 |
|
USB connector 1 |
CN4 |
Reset switch |
J10/pins 17 & 19 |
|
USB connector 2 |
CN5 |
IDE interface LED |
J11 |
|
PS/2 mouse port |
CN6 |
IR connector |
JP4 |
|
IDE interface 2 |
CN7 |
Wake on modem connector |
JP11 |
|
IDE interface 1 |
CN8 |
Chassis fan power |
JP18 |
|
Floppy drive interface |
CN9 |
SB-link connector |
JP22 |
|
Wake on LAN connector |
J4 |
32-bit PCI slots |
PC1 - PC5 |
|
Chassis fan power |
J7 | ||
|
USER CONFIGURABLE SETTINGS | |||
|
Function |
Label |
Position | |
|
DIMM clock select CPU CLK |
JK2 |
Pins 2 & 3 closed | |
|
DIMM clock select AGP CLK |
JK2 |
Pins 1 & 2 closed | |
|
Keyboard power on enabled |
JP1 |
Pins 1 & 2 closed | |
|
Keyboard power on disabled |
JP1 |
Pins 2 & 3 closed | |
|
Power state function enabled |
JP19 |
Closed | |
|
Power state function disabled |
JP19 |
Open | |
|
DIMM CONFIGURATION | |||
|
Size |
Bank 0 |
Bank 1 |
Bank 2 |
|
8MB |
(1) 1M x 64 |
None |
None |
|
16MB |
(1) 2M x 64 |
None |
None |
|
16MB |
(1) 1M x 64 |
(1) 1M x 64 |
None |
|
24MB |
(1) 2M x 64 |
(1) 1M x 64 |
None |
|
24MB |
(1) 1M x 64 |
(1) 1M x 64 |
(1) 1M x 64 |
|
32MB |
(1) 4M x 64 |
None |
None |
|
32MB |
(1) 2M x 64 |
(1) 1M x 64 |
(1) 1M x 64 |
|
32MB |
(1) 2M x 64 |
(1) 2M x 64 |
None |
|
40MB |
(1) 4M x 64 |
(1) 1M x 64 |
None |
|
40MB |
(1) 2M x 64 |
(1) 2M x 64 |
(1) 1M x 64 |
|
48MB |
(1) 4M x 64 |
(1) 1M x 64 |
(1) 1M x 64 |
|
48MB |
(1) 4M x 64 |
(1) 2M x 64 |
None |
|
48MB |
(1) 2M x 64 |
(1) 2M x 64 |
(1) 2M x 64 |
|
56MB |
(1) 4M x 64 |
(1) 2M x 64 |
(1) 1M x 64 |
|
64MB |
(1) 8M x 64 |
None |
None |
|
64MB |
(1) 4M x 64 |
(1) 2M x 64 |
(1) 2M x 64 |
|
64MB |
(1) 4M x 64 |
(1) 4M x 64 |
None |
|
72MB |
(1) 8M x 64 |
(1) 1M x 64 |
None |
|
DIMM CONFIGURATION (CON'T) | |||
|
Size |
Bank 0 |
Bank 1 |
Bank 2 |
|
72MB |
(1) 4M x 64 |
(1) 4M x 64 |
(1) 1M x 64 |
|
80MB |
(1) 8M x 64 |
(1) 1M x 64 |
(1) 1M x 64 |
|
80MB |
(1) 8M x 64 |
(1) 2M x 64 |
None |
|
80MB |
(1) 4M x 64 |
(1) 4M x 64 |
(1) 2M x 64 |
|
88MB |
(1) 8M x 64 |
(1) 2M x 64 |
(1) 1M x 64 |
|
96MB |
(1) 8M x 64 |
(1) 2M x 64 |
(1) 2M x 64 |
|
96MB |
(1) 8M x 64 |
(1) 4M x 64 |
None |
|
96MB |
(1) 4M x 64 |
(1) 4M x 64 |
(1) 4M x 64 |
|
104MB |
(1) 8M x 64 |
(1) 4M x 64 |
(1) 1M x 64 |
|
112MB |
(1) 8M x 64 |
(1) 4M x 64 |
(1) 2M x 64 |
|
128MB |
(1) 16M x 64 |
None |
None |
|
128MB |
(1) 8M x 64 |
(1) 4M x 64 |
(1) 4M x 64 |
|
128MB |
(1) 8M x 64 |
(1) 8M x 64 |
None |
|
136MB |
(1) 16M x 64 |
(1) 1M x 64 |
None |
|
136MB |
(1) 8M x 64 |
(1) 8M x 64 |
(1) 1M x 64 |
|
144MB |
(1) 16M x 64 |
(1) 1M x 64 |
(1) 1M x 64 |
|
144MB |
(1) 16M x 64 |
(1) 2M x 64 |
None |
|
144MB |
(1) 8M x 64 |
(1) 8M x 64 |
(1) 2M x 64 |
|
152MB |
(1) 16M x 64 |
(1) 2M x 64 |
(1) 1M x 64 |
|
160MB |
(1) 16M x 64 |
(1) 2M x 64 |
(1) 2M x 64 |
|
160MB |
(1) 16M x 64 |
(1) 4M x 64 |
None |
|
160MB |
(1) 8M x 64 |
(1) 8M x 64 |
(1) 4M x 64 |
|
168MB |
(1) 16M x 64 |
(1) 4M x 64 |
(1) 1M x 64 |
|
176MB |
(1) 16M x 64 |
(1) 4M x 64 |
(1) 2M x 64 |
|
192MB |
(1) 16M x 64 |
(1) 4M x 64 |
(1) 4M x 64 |
|
192MB |
(1) 16M x 64 |
(1) 8M x 64 |
None |
|
192MB |
(1) 8M x 64 |
(1) 8M x 64 |
(1) 8M x 64 |
|
200MB |
(1) 16M x 64 |
(1) 8M x 64 |
(1) 1M x 64 |
|
208MB |
(1) 16M x 64 |
(1) 8M x 64 |
(1) 2M x 64 |
|
224MB |
(1) 16M x 64 |
(1) 8M x 64 |
(1) 4M x 64 |
|
256MB |
(1) 16M x 64 |
(1) 8M x 64 |
(1) 8M x 64 |
|
384MB |
(1) 16M x 64 |
(1) 16M x 64 |
(1) 16M x 64 |
|
Note: Board accepts SDRAM memory. | |||
|
CACHE CONFIGURATION |
|
Note: 256KB/512KB cache is located on the Pentium II CPU. 128KB cache is located on the Celeron 300A & 333 CPU. |
|
CPU SPEED SELECTION | |||||
|
CPU speed |
Clock speed |
Multiplier |
JFS0 |
JFS1 |
JFS2 |
|
233MHz |
66MHz |
3.5x |
2 & 3 |
2 & 3 |
1 & 2 |
|
266MHz |
66MHz |
4x |
2 & 3 |
2 & 3 |
1 & 2 |
|
300MHz |
66MHz |
4.5x |
2 & 3 |
2 & 3 |
1 & 2 |
|
333MHz |
66MHz |
5x |
2 & 3 |
2 & 3 |
1 & 2 |
|
366MHz |
66MHz |
5.5x |
2 & 3 |
2 & 3 |
1 & 2 |
|
350MHz |
100MHz |
3.5x |
1 & 2 |
1 & 2 |
1 & 2 |
|
400MHz |
100MHz |
4x |
1 & 2 |
1 & 2 |
1 & 2 |
|
450MHz |
100MHz |
4.5x |
1 & 2 |
1 & 2 |
1 & 2 |
|
500MHz |
100MHz |
5x |
1 & 2 |
1 & 2 |
1 & 2 |
|
550MHz |
100MHz |
5.5x |
1 & 2 |
1 & 2 |
1 & 2 |
|
Note: Pins designated should be in the closed position. | |||||
|
CPU SPEED SELECTION (CON'T) | ||||
|
CPU speed |
Clock speed |
Multiplier |
JK1 |
JP5 |
|
233MHz |
66MHz |
3.5x |
2 & 3 |
1 & 2, 7 & 8 |
|
266MHz |
66MHz |
4x |
2 & 3 |
1 & 2, 3 & 4, 5 & 6 |
|
300MHz |
66MHz |
4.5x |
2 & 3 |
1 & 2, 5 & 6 |
|
333MHz |
66MHz |
5x |
2 & 3 |
1 & 2, 3 & 4 |
|
366MHz |
66MHz |
5.5x |
2 & 3 |
1 & 2 |
|
350MHz |
100MHz |
3.5x |
1 & 2 |
1 & 2, 7 & 8 |
|
400MHz |
100MHz |
4x |
1 & 2 |
1 & 2, 3 & 4, 5 & 6 |
|
450MHz |
100MHz |
4.5x |
1 & 2 |
1 & 2, 5 & 6 |
|
500MHz |
100MHz |
5x |
1 & 2 |
1 & 2, 3 & 4 |
|
550MHz |
100MHz |
5.5x |
1 & 2 |
1 & 2 |
|
Note: Pins designated should be in the closed position. | ||||