SIEMENS-NIXDORF INFORMATIONSSYSTEME AG

SYSTEM BOARD D1005

Device Type

Mainboard

Processor

Pentium II

Processor Speed

233/266/300MHz

Chip Set

Unidentified

Video Chip Set

None

Maximum Onboard Memory

256MB (EDO supported)

Maximum Video Memory

None

Cache

256/512KB (located on Pentium II CPU)

BIOS

Unidentified

Dimensions

305mm x 244mm

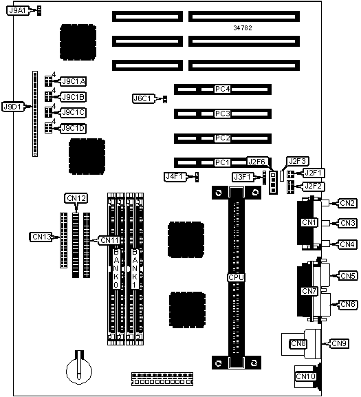
I/O Options

32-bit PCI slots (4), floppy drive interface, game/MIDI port, green PC connector, IDE interfaces (2), parallel port, PS/2 mouse port, serial ports (2), IR connector, USB connectors (2), line in, line out, microphone in, wavetable connector, audio in – CD-ROM, telephony connectors (2)

NPU Options

None

CONNECTIONS

Purpose

Location

Purpose

Location

Game/MIDI port

CN1

Telephony connector

J2F3

Microphone in

CN2

Audio in – CD-ROM

J2F6

Line in

CN3

Line in (auxiliary)

J3F1

Line out

CN4

Chassis fan power

J4F1

Serial port 2

CN5

Security connector

J6C1

Serial port 1

CN6

Chassis fan power

J9A1

Parallel port

CN7

Soft off power supply

J9D1/pins 1 & 2

USB connector 1

CN8

Green PC connector

J9D1/pins 3 & 4

USB connector 2

CN9

IR connector

J9D1/pins 6 - 11

PS/2 mouse port

CN10

IDE interface LED

J9D1/pins 13 - 16

IDE interface 2

CN11

Power LED

J9D1/pins 18 - 20

IDE interface 1

CN12

Reset switch

J9D1/pins 22 & 23

Floppy drive interface

CN13

Speaker

J9D1/pins 24 - 27

Telephony connector

J2F1

32-bit PCI slots

PC1 – PC4

Wavetable connector

J2F2

   

USER CONFIGURABLE SETTINGS

Function

Label

Position

»

Flash BIOS normal operation

J9C1A

Pins 5 & 6 closed

 

Flash BIOS recovery mode

J9C1A

Pins 4 & 5 closed

»

CMOS memory normal operation

J9C1C

Pins 5 & 6 closed

 

CMOS memory clear

J9C1C

Pins 4 & 5 closed

»

Setup access enabled

J9C1D

Pins 5 & 6 closed

 

Setup access disabled

J9C1D

Pins 4 & 5 closed

SIMM CONFIGURATION

Size

Bank 0

Bank 1

8MB

(2) 1M x 36

None

16MB

(2) 2M x 36

None

16MB

(2) 1M x 36

(2) 1M x 36

24MB

(2) 2M x 36

(2) 1M x 36

32MB

(2) 4M x 36

None

32MB

(2) 2M x 36

(2) 2M x 36

40MB

(2) 4M x 36

(2) 1M x 36

48MB

(2) 4M x 36

(2) 2M x 36

64MB

(2) 8M x 36

None

64MB

(2) 4M x 36

(2) 4M x 36

SIMM CONFIGURATION (CON’T)

Size

Bank 0

Bank 1

72MB

(2) 8M x 36

(2) 1M x 36

80MB

(2) 8M x 36

(2) 2M x 36

96MB

(2) 8M x 36

(2) 4M x 36

128MB

(2) 8M x 36

(2) 8M x 36

128MB

(2) 16M x 36

None

136MB

(2) 16M x 36

(2) 1M x 36

144MB

(2) 16M x 36

(2) 2M x 36

160MB

(2) 16M x 36

(2) 4M x 36

192MB

(2) 16M x 36

(2) 8M x 36

256MB

(2) 16M x 36

(2) 16M x 36

Note: Board accepts EDO memory.

CACHE CONFIGURATION

Note: 256KB/512KB cache is located on the Pentium II CPU.

CPU SPEED SELECTION

CPU speed

Clock speed

Multiplier

J9C1A

J9C1B

J9C1C

233MHz

66MHz

3.5x

2 & 3

2 & 3, 5 & 6

2 & 3

266MHz

66MHz

4x

1 & 2

1 & 2, 4 & 5

2 & 3

300MHz

66MHz

4.5x

1 & 2

2 & 3, 4 & 5

2 & 3

Note: Pins designated should be in the closed position.