SOYO COMPUTER CO., LTD.
5XA5, 5XAE5
|
Processor |
CX 6X86/CX 6X86L/CX 6X86MX/AM K5/AM K6/Pentium |
|
Processor Speed |
75/90/100/120/133/150/166/180/200/233/266/300MHz |
|
Chip Set |
Unidentified |
|
Video Chip Set |
None |
|
Maximum Onboard Memory |
256MB (EDO supported) |
|
Maximum Video Memory |
None |
|
Cache |
512KB |
|
BIOS |
Unidentified |
|
Dimensions |
305mm x 244mm |
|
I/O Options |
32-bit PCI slots (4), floppy drive interface, green PC connector, IDE interfaces (2), parallel port, PS/2 mouse port, serial ports (2), IR connector, USB connectors (2), ATX connector |
|
NPU Options |
None |
|
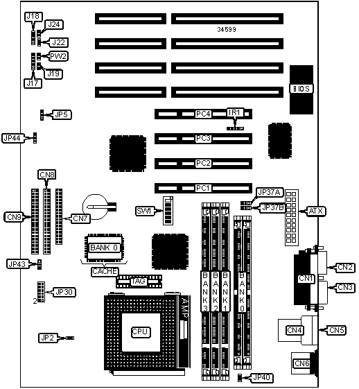
CONNECTIONS | |||
|
Purpose |
Location |
Purpose |
Location |
|
ATX power connector |
ATX |
IR connector |
IR1 |
|
Parallel port |
CN1 |
Power LED & keylock |
J17 |
|
Serial port 2 |
CN2 |
Speaker |
J18 |
|
Serial port 1 |
CN3 |
Reset switch |
J19 |
|
USB connector 2 |
CN4 |
Turbo LED |
J22 |
|
USB connector 1 |
CN5 |
IDE interface LED |
J24 |
|
PS/2 mouse port |
CN6 |
CPU cooling fan |
JP43 |
|
Floppy drive interface |
CN7 |
Wake on LAN connector |
JP44 |
|
IDE interface 2 |
CN8 |
32-bit PCI slots |
PC1 – PC4 |
|
IDE interface 1 |
CN9 |
Soft off power supply |
PW2 |
|
USER CONFIGURABLE SETTINGS | |||
|
Function |
Label |
Position | |
|
» |
CMOS memory normal operation |
JP5 |
Pins 1 & 2 closed |
|
CMOS memory clear |
JP5 |
Pins 2 & 3 closed | |
|
|
CE test disabled |
JP40 |
Open |
|
CE test enabled |
JP40 |
Closed | |
|
DIMM/SIMM CONFIGURATION | ||||
|
Size |
Bank 0 |
Bank 1 |
Bank 2 |
Bank 3 |
|
8MB |
None |
(1) 1M x 64 |
None |
None |
|
8MB |
(2) 1M x 36 |
None |
None |
None |
|
16MB |
None |
(1) 2M x 64 |
None |
None |
|
16MB |
(2) 2M x 36 |
None |
None |
None |
|
16MB |
None |
(1) 1M x 64 |
(1) 1M x 64 |
None |
|
16MB |
(2) 1M x 36 |
(1) 1M x 64 |
None |
None |
|
24MB |
None |
(1) 1M x 64 |
(1) 1M x 64 |
(1) 1M x 64 |
|
24MB |
(2) 1M x 36 |
(1) 1M x 64 |
(1) 1M x 64 |
None |
|
24MB |
(2) 2M x 36 |
(1) 1M x 64 |
None |
None |
|
32MB |
None |
(1) 4M x 64 |
None |
None |
|
32MB |
(2) 4M x 36 |
None |
None |
None |
|
32MB |
(2) 2M x 36 |
(1) 1M x 64 |
(1) 1M x 64 |
None |
|
32MB |
(2) 2M x 36 |
(1) 2M x 64 |
None |
None |
|
32MB |
None |
(1) 2M x 64 |
(1) 2M x 64 |
None |
|
40MB |
(2) 1M x 36 |
(1) 2M x 64 |
(1) 2M x 64 |
None |
|
40MB |
(2) 1M x 36 |
None |
(1) 4M x 64 |
None |
|
48MB |
(2) 2M x 36 |
(1) 2M x 64 |
(1) 2M x 64 |
None |
|
48MB |
None |
(1) 2M x 64 |
(1) 2M x 64 |
(1) 2M x 64 |
|
64MB |
None |
(1) 8M x 64 |
None |
None |
|
64MB |
(2) 8M x 36 |
None |
None |
None |
|
64MB |
None |
(1) 4M x 64 |
(1) 4M x 64 |
None |
|
DIMM/SIMM CONFIGURATION (CON’T) | ||||
|
Size |
Bank 0 |
Bank 1 |
Bank 2 |
Bank 3 |
|
72MB |
(2) 1M x 36 |
None |
(1) 8M x 64 |
None |
|
128MB |
(2) 16M x 36 |
None |
None |
None |
|
144MB |
(2) 16M x 36 |
(1) 2M x 64 |
None |
None |
|
160MB |
(2) 16M x 36 |
(1) 4M x 64 |
None |
None |
|
256MB |
(2) 8M x 36 |
(1) 8M x 64 |
(1) 8M x 64 |
None |
|
Note: Board accepts EDO memory. | ||||
|
DIMM VOLTAGE CONFIGURATION | ||
|
Voltage |
JP37A |
JP37B |
|
3.3v |
Pins 2 & 3 closed |
Pins 2 & 3 closed |
|
5v |
Pins 1 & 2 closed |
Pins 1 & 2 closed |
|
CACHE CONFIGURATION | ||
|
Size |
Bank 0 |
TAG |
|
512KB |
(1) 64K x 64 |
(1) 16K x 8 |
|
Note: The location of bank 0 is unidentified. | ||
|
CPU SPEED SELECTION (CX 6X86/6X 86L) | ||||||||
|
CPU speed |
Clock speed |
Multiplier |
SW1/1 |
SW1/2 |
SW1/3 |
SW1/4 |
SW1/5 |
SW1/6 |
|
150MHz |
60MHz |
2x |
On |
Off |
On |
Off |
Off |
Off |
|
166MHz |
66MHz |
2x |
On |
Off |
Off |
Off |
Off |
Off |
|
200MHz |
75MHz |
2x |
On |
Off |
Off |
On |
Off |
Off |
|
CPU SPEED SELECTION (CX 6X86MX) | ||||||||
|
CPU speed |
Clock speed |
Multiplier |
SW1/1 |
SW1/2 |
SW1/3 |
SW1/4 |
SW1/5 |
SW1/6 |
|
166MHz |
60MHz |
2.5x |
On |
On |
On |
Off |
Off |
Off |
|
166MHz |
66MHz |
2.5x |
On |
On |
Off |
Off |
Off |
Off |
|
200MHz |
66MHz |
2.5x |
On |
On |
Off |
Off |
Off |
Off |
|
233MHz |
66MHz |
3x |
Off |
On |
Off |
Off |
Off |
Off |
|
233MHz |
75MHz |
2.5x |
On |
On |
Off |
On |
Off |
Off |
|
266MHz |
75MHz |
3x |
Off |
On |
Off |
On |
Off |
Off |
|
CPU SPEED SELECTION (AM K5) | ||||||||
|
CPU speed |
Clock speed |
Multiplier |
SW1/1 |
SW1/2 |
SW1/3 |
SW1/4 |
SW1/5 |
SW1/6 |
|
75MHz |
50MHz |
1.5x |
Off |
Off |
On |
On |
On |
Off |
|
90MHz |
60MHz |
1.5x |
Off |
Off |
On |
Off |
Off |
Off |
|
100MHz |
66MHz |
1.5x |
Off |
Off |
Off |
Off |
Off |
Off |
|
120MHz |
60MHz |
1.5x |
Off |
Off |
On |
Off |
Off |
Off |
|
133MHz |
66MHz |
1.5x |
Off |
Off |
Off |
Off |
Off |
Off |
|
150MHz |
60MHz |
2x |
On |
Off |
On |
Off |
Off |
Off |
|
166MHz |
66MHz |
2.5x |
On |
On |
Off |
Off |
Off |
Off |
|
CPU SPEED SELECTION (AM K6) | ||||||||
|
CPU speed |
Clock speed |
Multiplier |
SW1/1 |
SW1/2 |
SW1/3 |
SW1/4 |
SW1/5 |
SW1/6 |
|
166MHz |
66MHz |
2.5x |
On |
On |
Off |
Off |
Off |
Off |
|
200MHz |
66MHz |
3x |
Off |
On |
Off |
Off |
Off |
Off |
|
233MHz |
66MHz |
3.5x |
Off |
Off |
Off |
Off |
Off |
Off |
|
266MHz |
66MHz |
4x |
On |
Off |
Off |
Off |
Off |
On |
|
300MHz |
66MHz |
4.5x |
On |
On |
Off |
Off |
Off |
On |
|
CPU SPEED SELECTION (INTEL) | ||||||||
|
CPU speed |
Clock speed |
Multiplier |
SW1/1 |
SW1/2 |
SW1/3 |
SW1/4 |
SW1/5 |
SW1/6 |
|
75MHz |
50MHz |
1.5x |
Off |
Off |
On |
On |
On |
Off |
|
90MHz |
60MHz |
1.5x |
Off |
Off |
On |
Off |
Off |
Off |
|
100MHz |
66MHz |
1.5x |
Off |
Off |
Off |
Off |
Off |
Off |
|
120MHz |
60MHz |
2x |
On |
Off |
On |
Off |
Off |
Off |
|
133MHz |
66MHz |
2x |
On |
Off |
Off |
Off |
Off |
Off |
|
150MHz |
60MHz |
2.5x |
On |
On |
On |
Off |
Off |
Off |
|
166MHz |
66MHz |
2.5x |
On |
On |
Off |
Off |
Off |
Off |
|
180MHz |
60MHz |
3x |
Off |
On |
On |
Off |
Off |
Off |
|
200MHz |
66MHz |
3x |
Off |
On |
Off |
Off |
Off |
Off |
|
233MHz |
66MHz |
3.5x |
Off |
Off |
Off |
Off |
Off |
Off |
|
CPU VOLTAGE SELECTION (SINGLE) | ||
|
Voltage |
JP30 | |
|
3.3v |
Pins 1 & 2, 9 & 10 closed | |
| » |
3.52v |
Pins 1 & 2, 11 & 12 closed |
|
CPU VOLTAGE SELECTION (DUAL) | ||
|
Voltage |
JP30 | |
|
2.1v |
Pins 5 & 6 closed | |
| » |
2.8v |
Pins 1 & 2, 11 & 12 closed |
|
2.9v |
Pins 1 & 2, 5 & 6 closed | |
|
3.2v |
Pins 1 & 2, 7 & 8 closed | |
|
MISCELLANEOUS TECHNICAL NOTE |
|
If board has problems detecting voltage on older version non Intel CPUs, remove the jumper from JP2. |