SANYO BUSINESS SYSTEMS CORPORATION

MBC-18SX

Processor

80386SX

Processor Speed

16MHz

Chip Set

Zymos

Max. Onboard DRAM

2MB

Cache

None

BIOS

Sanyo

Dimensions

332mm x 136mm

I/O Options

Serial port, parallel port, floppy drive interface, IDE interface

NPU Options

80387SX

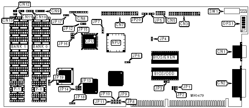
CONNECTIONS

Purpose

Location

Purpose

Location

Serial port

CN1

Speaker & I/O LED

CN10

Parallel port

CN2

Keylock

CN11

Floppy drive interface

CN3

External batteries

CN12 & CN13

IDE interface

CN7

Reset switch

SW1

Keyboard connector

CN9

   

Note:The purpose of connectors CN5 & CN8 is unidentified.

USER CONFIGURABLE SETTINGS

Function

Jumper/Switch

Position

»

Serial port interrupt select primary

JP1

pins 2 & 3 closed

 

Serial port interrupt select secondary

JP1

pins 1 & 2 closed

»

Parallel port interrupt select primary

JP2

pins 2 & 3 closed

 

Parallel port interrupt select secondary

JP2

pins 1 & 2 closed

»

Factory configured - do not alter

JP3

pins 1 & 2 closed

»

Factory configured - do not alter

JP4

Open

»

IDE interface enabled

JP5

pins 1 & 2 closed

»

IDE interface disabled

JP5

pins 2 & 3 closed

»

Factory configured - do not alter

JP6

pins 2 & 3 closed

»

Factory configured - do not alter

JP7

Open

»

Bus mouse address select primary

JP12

pins 2 & 3 closed

 

Bus mouse address select secondary

JP12

pins 1 & 2 closed

»

Factory configured - do not alter

JP13

pins 1 & 2 closed

»

Factory configured - do not alter

JP14

pins 1 & 2 closed

»

Factory configured - do not alter

JP15

pins 1 & 2 closed

»

Factory configured - do not alter

JP16

pins 1 & 2 closed

»

Factory configured - do not alter

JP17

pins 2 & 3 closed

»

Factory configured - do not alter

JP18

pins 2 & 3 closed

»

Factory configured - do not alter

JP19

pins 1 & 2 closed

»

IDE interrupt select SLVAC disabled

JP20

pins 1 & 2 closed

 

IDE interrupt select SLVAC enabled

JP20

pins 2 & 3 closed

»

Factory configured - do not alter

DPS1/1

Off

»

Parallel port address select primary

DPS1/2

On

 

Parallel port address select secondary

DPS1/2

Off

»

Serial port address select primary

DPS1/3

On

 

Serial port address select secondary

DPS1/3

Off

»

Floppy drive interface address select primary

DPS1/4

On

 

Floppy drive interface address select secondary

DPS1/4

Off

»

Monitor type select color

DPS1/5

On

 

Monitor type select monochrome

DPS1/5

Off

»

CPU speed select fast

DPS1/6

On

 

CPU speed select slow

DPS1/6

Off

DRAM CONFIGURATION

Size

Bank 0

P-0

Bank 1

P-1

1MB

(8) 44256

(4) 41256

NONE

NONE

2MB

(8) 44256

(4) 41256

(8) 44256

(4) 41256

MOUSE IRQ CONFIGURATION

IRQ

JP8

JP9

JP10

JP11

IRQ3

Open

Open

Closed

Open

IRQ4

Open

Closed

Open

Open

IRQ5

Closed

Open

Open

Open

IRQ9

Open

Open

Open

Closed