MICRO-STAR INTERNATIONAL CO., LTD.
MS-5176
|
Device Type |
Mainboard |
|
Processor |
Cyrix GX |
|
Processor Speed |
200/233/266MHz |
|
Chip Set |
CX 5520 |
|
Video Chip Set |
Cyrix |
|
Maximum Onboard Memory |
512MB (SDRAM supported) |
|
Maximum Video Memory |
1MB |
|
Audio Chip Set |
Cyrix |
|
Cache |
Unidentified |
|
BIOS |
Award |
|
Dimensions |
244mm x 176mm |
|
I/O Options |
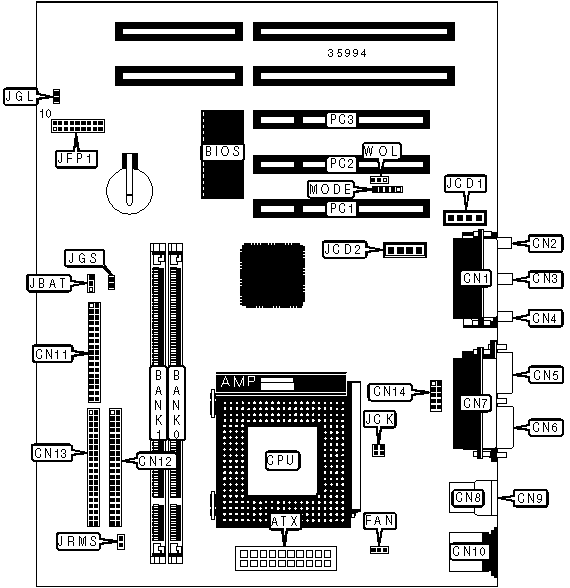
32-bit PCI slots (3), floppy drive interface, game/MIDI port, green PC connector, IDE interfaces (2), parallel port, PS/2 mouse port, serial ports (2), IR connector, USB connectors (2), ATX power connector, line in, line out, microphone in, audio in CD-ROMs (2), wake on LAN connector, wake on modem connector |
|
CONNECTIONS | |||
|
Purpose |
Location |
Purpose |
Location |
|
ATX power connector |
ATX |
Power supply fan |
FAN |
|
Game/MIDI port |
CN1 |
Audio in CD-ROM |
JCD1 |
|
Microphone in |
CN2 |
Audio in CD-ROM |
JCD2 |
|
Line in |
CN3 |
Keylock |
JFP1/pins 1 & 10 |
|
Line out |
CN4 |
IDE interface LED |
JFP1/pins 3 & 13 |
|
VGA port |
CN5 |
Power LED |
JFP1/pins 4 - 6 |
|
Serial port 1 |
CN6 |
Power switch |
JFP1/pins 7 & 8 |
|
Parallel port |
CN7 |
Speaker |
JFP1/pins 13 - 16 |
|
USB connector 1 |
CN8 |
Reset switch |
JFP1/pins 17 & 18 |
|
USB connector 2 |
CN9 |
Green PC LED |
JGL |
|
PS/2 mouse port |
CN10 |
Green PC connector |
JGS |
|
IDE interface 2 |
CN11 |
Soft off power supply |
JRMS |
|
IDE interface 1 |
CN12 |
Wake on modem connector |
MODE |
|
Floppy drive interface |
CN13 |
32-bit PCI slots |
PC1 PC3 |
|
Serial port 2 |
CN14 |
Wake on LAN connector |
WOL |
|
USER CONFIGURABLE SETTINGS | |||
|
Function |
Label |
Position | |
|
» |
CMOS memory normal operation |
JBAT |
Pins 1 & 2 closed |
|
CMOS memory clear |
JBAT |
Pins 2 & 3 closed | |
|
DIMM CONFIGURATION | ||
|
Size |
Bank 0 |
Bank 1 |
|
8MB |
(1) 1M x 64 |
None |
|
16MB |
(1) 2M x 64 |
None |
|
16MB |
(1) 1M x 64 |
(1) 1M x 64 |
|
24MB |
(1) 2M x 64 |
(1) 1M x 64 |
|
32MB |
(1) 4M x 64 |
None |
|
32MB |
(1) 2M x 64 |
(1) 2M x 64 |
|
40MB |
(1) 4M x 64 |
(1) 1M x 64 |
|
48MB |
(1) 4M x 64 |
(1) 2M x 64 |
|
64MB |
(1) 8M x 64 |
None |
|
64MB |
(1) 4M x 64 |
(1) 4M x 64 |
|
72MB |
(1) 8M x 64 |
(1) 1M x 64 |
|
80MB |
(1) 8M x 64 |
(1) 2M x 64 |
|
96MB |
(1) 8M x 64 |
(1) 4M x 64 |
|
128MB |
(1) 8M x 64 |
(1) 8M x 64 |
|
128MB |
(1) 16M x 64 |
None |
|
136MB |
(1) 16M x 64 |
(1) 1M x 64 |
|
144MB |
(1) 16M x 64 |
(1) 2M x 64 |
|
160MB |
(1) 16M x 64 |
(1) 4M x 64 |
|
DIMM CONFIGURATION (CONT) | ||
|
Size |
Bank 0 |
Bank 1 |
|
192MB |
(1) 16M x 64 |
(1) 8M x 64 |
|
256MB |
(1) 16M x 64 |
(1) 16M x 64 |
|
256MB |
(1) 32M x 64 |
None |
|
264MB |
(1) 32M x 64 |
(1) 1M x 64 |
|
272MB |
(1) 32M x 64 |
(1) 2M x 64 |
|
288MB |
(1) 32M x 64 |
(1) 4M x 64 |
|
320MB |
(1) 32M x 64 |
(1) 8M x 64 |
|
384MB |
(1) 32M x 64 |
(1) 16M x 64 |
|
512MB |
(1) 32M x 64 |
(1) 32M x 64 |
|
Note: Board accepts SDRAM memory. | ||
|
CACHE CONFIGURATION |
|
Note: The size & location of the cache is unidentified. |
|
VIDEO MEMORY CONFIGURATION |
|
Note: The size & location of the video memory is unidentified. |
|
CPU SPEED SELECTION | |||
|
CPU speed |
Clock speed |
Multiplier |
JCK |
|
200MHz |
66MHz |
3x |
Pins 1 & 2 closed |
|
233MHz |
66MHz |
3.5x |
Pins 3 & 4 closed |
|
266MHz |
66MHz |
4x |
Open |