MITAC INTERNATIONAL CORPORATION

6010EU/VA

Device Type

Mainboard

Processor

Pentium II/Celeron

Processor Speed

233/266/300/333MHz

Chip Set

Intel 440EX

Video Chip Set

ATI

Maximum Onboard Memory

256MB (EDO & SDRAM supported)

Maximum Video Memory

2MB

Cache

0/128/256/512KB (located on the CPU)

BIOS

Unidentified

Dimensions

305mm x 244mm

I/O Options

32-bit PCI slots (3), floppy drive interface, game/MIDI port, green PC connector, IDE interfaces (2), parallel port, PS/2 mouse port, serial port, VGA port, USB connectors (2), line in, line out, microphone in, audio in – CD-ROMs (2)

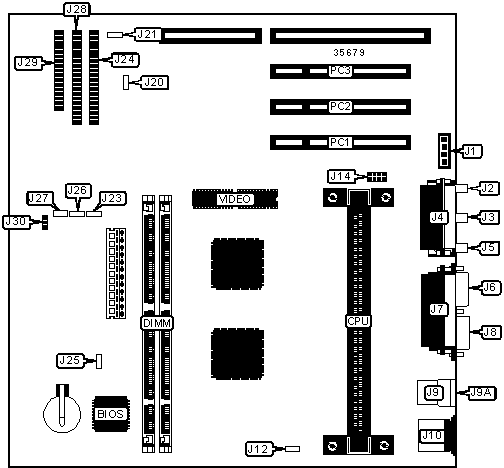
CONNECTIONS

Purpose

Location

Purpose

Location

Audio in – CD-ROM

J1

CPU fan power

J12

Line out

J2

Wake on modem connector

J20

Line in

J3

Wake on LAN connector

J21

Game/MIDI port

J4

Power LED

J23

Microphone in

J5

IDE interface 1

J24

VGA port

J6

Reset switch

J25

Parallel port

J7

IDE interface LED

J26

Serial port 1

J8

Green PC connector

J27

USB connector 1

J9

IDE interface 2

J28

USB connector 2

J9A

Floppy drive interface

J29

PS/2 mouse port

J10

32-bit PCI slots

PC1 – PC3

USER CONFIGURABLE SETTINGS

Function

Label

Position

»

CMOS memory normal operation

J30

Pins 1 & 2 closed

 

CMOS memory clear

J30

Pins 2 & 3 closed

DIMM CONFIGURATION

Size

Bank 0

Bank 1

8MB

(1) 1M x 64

None

16MB

(1) 2M x 64

None

16MB

(1) 1M x 64

(1) 1M x 64

24MB

(1) 2M x 64

(1) 1M x 64

32MB

(1) 4M x 64

None

32MB

(1) 2M x 64

(1) 2M x 64

40MB

(1) 4M x 64

(1) 1M x 64

48MB

(1) 4M x 64

(1) 2M x 64

64MB

(1) 8M x 64

None

64MB

(1) 4M x 64

(1) 4M x 64

72MB

(1) 8M x 64

(1) 1M x 64

80MB

(1) 8M x 64

(1) 2M x 64

96MB

(1) 8M x 64

(1) 4M x 64

128MB

(1) 16M x 64

None

128MB

(1) 8M x 64

(1) 8M x 64

DIMM CONFIGURATION (CON’T)

Size

Bank 0

Bank 1

136MB

(1) 16M x 64

(1) 1M x 64

144MB

(1) 16M x 64

(1) 2M x 64

160MB

(1) 16M x 64

(1) 4M x 64

192MB

(1) 16M x 64

(1) 8M x 64

256MB

(1) 16M x 64

(1) 16M x 64

Note: Board accepts SDRAM memory.

CACHE CONFIGURATION

Note: 256KB/512KB cache is located on the Pentium II CPU. 128KB cache is located on the Celeorn 300A & 333 CPU.

VIDEO MEMORY CONFIGURATION

Note: 2MB of video memory is factory installed and is not configurable.

CPU SPEED SELECTION

CPU speed

Clock speed

Multiplier

J14

233MHz

66MHz

3.5x

1 & 2, 9 & 10

266MHz

66MHz

4x

5 & 6, 7 & 8, 9 & 10

300MHz

66MHz

4.5x

5 & 6, 9 & 10

333MHz

66MHz

5x

7 & 8, 9 & 10

Note: Pins designated should be in the closed position.