MICRONICS COMPUTERS, INC.
TIGERCAT
|
Processor |
Pentium II |
|
Processor Speed |
233/266/300/333MHz |
|
Chip Set |
Intel |
|
Video Chip Set |
None |
|
Maximum Onboard Memory |
1GB (EDO supported) |
|
Maximum Video Memory |
None |
|
Cache |
256/512KB (located on Pentium II CPU) |
|
BIOS |
Phoenix |
|
Dimensions |
305mm x 244mm |
|
I/O Options |
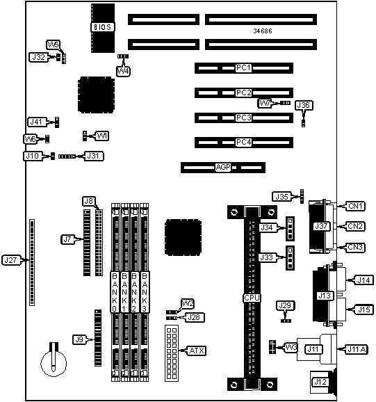
32-bit PCI slots (4), floppy drive interface, IDE interfaces (2), parallel port, PS/2 mouse port, serial ports (2), IR connector, USB connectors (2), ATX power connector, AGP slot, line in, line out, microphone in, audio in CD-ROMs (2), game/MIDI port |
|
NPU Options |
None |
|
CONNECTIONS | |||
|
Purpose |
Location |
Purpose |
Location |
|
AGP slot |
AGP |
IR connector |
J27/pins 6 - 10 |
|
ATX power connector |
ATX |
IDE interface LED |
J27/pins 13 - 16 |
|
Microphone in |
CN1 |
Power LED |
J27/pins 18 - 20 |
|
Line in |
CN2 |
Reset switch |
J27/pins 22 & 23 |
|
Line out |
CN3 |
Speaker |
J27/pins 26 & 27 |
|
IDE interface 1 |
J7 |
CPU fan power |
J28 |
|
IDE interface 2 |
J8 |
Chassis fan power |
J29 |
|
Floppy drive interface |
J9 |
Temperature sensor |
J31 |
|
IDE interface LED |
J10 |
Chassis intrusion alarm |
J32 |
|
USB connector 1 |
J11 |
Audio in CD-ROM |
J33 |
|
USB connector 2 |
J11A |
Audio in CD-ROM |
J34 |
|
PS/2 mouse port |
J12 |
Modem/telephony |
J35 |
|
Parallel port |
J13 |
Game/MIDI port |
J37 |
|
Serial port 1 |
J14 |
Wake on LAN connector |
J41 |
|
Serial port 2 |
J15 |
32-bit PCI slots |
PC1 PC4 |
|
Soft off power supply |
J27/pins 1 & 2 | ||
|
USER CONFIGURABLE SETTINGS | |||
|
Function |
Label |
Position | |
|
» |
Wavetable enabled |
J36 |
Closed |
|
Wavetable disabled |
J36 |
Open | |
|
» |
Host bus agents pipeline mode normal operation |
W2 |
Pins 2 & 3 closed |
|
Host bus agents pipeline mode reserved |
W2 |
Pins 1 & 2 closed | |
|
» |
Flash BIOS write protect enabled |
W4 |
Pins 1 & 2 closed |
|
Flash BIOS write protect disabled |
W4 |
Pins 2 & 3 closed | |
|
» |
CMOS memory normal operation |
W5 |
Pins 1 & 2 closed |
|
CMOS memory clear |
W5 |
Pins 2 & 3 closed | |
|
» |
Soft off power supply switch enabled |
W6 |
Open |
|
Forced cycling enabled |
W6 |
Closed | |
|
» |
On board sound enabled |
W7 |
Pins 1 & 2 closed |
|
On board sound disabled |
W7 |
Pins 2 & 3 closed | |
|
DIMM CONFIGURATION | ||||
|
Size |
Bank 0 |
Bank 1 |
Bank 2 |
Bank 3 |
|
8MB |
(1) 1M x 64 |
None |
None |
None |
|
16MB |
(1) 2M x 64 |
None |
None |
None |
|
16MB |
(1) 1M x 64 |
(1) 1M x 64 |
None |
None |
|
24MB |
(1) 2M x 64 |
(1) 1M x 64 |
None |
None |
|
24MB |
(1) 1M x 64 |
(1) 1M x 64 |
(1) 1M x 64 |
None |
|
32MB |
(1) 2M x 64 |
(1) 2M x 64 |
None |
None |
|
32MB |
(1) 4M x 64 |
None |
None |
None |
|
32MB |
(1) 1M x 64 |
(1) 1M x 64 |
(1) 1M x 64 |
(1) 1M x 64 |
|
DIMM CONFIGURATION (CONT) | ||||
|
Size |
Bank 0 |
Bank 1 |
Bank 2 |
Bank 3 |
|
40MB |
(1) 2M x 64 |
(1) 2M x 64 |
(1) 1M x 64 |
None |
|
40MB |
(1) 2M x 64 |
(1) 1M x 64 |
(1) 1M x 64 |
(1) 1M x 64 |
|
40MB |
(1) 4M x 64 |
(1) 1M x 64 |
None |
None |
|
48MB |
(1) 2M x 64 |
(1) 2M x 64 |
(1) 2M x 64 |
None |
|
48MB |
(1) 2M x 64 |
(1) 2M x 64 |
(1) 1M x 64 |
(1) 1M x 64 |
|
48MB |
(1) 4M x 64 |
(1) 1M x 64 |
(1) 1M x 64 |
None |
|
56MB |
(1) 4M x 64 |
(1) 2M x 64 |
(1) 1M x 64 |
None |
|
56MB |
(1) 4M x 64 |
(1) 1M x 64 |
(1) 1M x 64 |
(1) 1M x 64 |
|
64MB |
(1) 2M x 64 |
(1) 2M x 64 |
(1) 2M x 64 |
(1) 2M x 64 |
|
64MB |
(1) 4M x 64 |
(1) 4M x 64 |
None |
None |
|
64MB |
(1) 8M x 64 |
None |
None |
None |
|
80MB |
(1) 4M x 64 |
(1) 2M x 64 |
(1) 2M x 64 |
(1) 2M x 64 |
|
80MB |
(1) 4M x 64 |
(1) 4M x 64 |
(1) 1M x 64 |
(1) 1M x 64 |
|
80MB |
(1) 8M x 64 |
(1) 2M x 64 |
None |
None |
|
80MB |
(1) 8M x 64 |
(1) 1M x 64 |
(1) 1M x 64 |
None |
|
96MB |
(1) 4M x 64 |
(1) 4M x 64 |
(1) 2M x 64 |
(1) 2M x 64 |
|
96MB |
(1) 4M x 64 |
(1) 4M x 64 |
(1) 4M x 64 |
None |
|
96MB |
(1) 8M x 64 |
(1) 2M x 64 |
(1) 1M x 64 |
(1) 1M x 64 |
|
112MB |
(1) 4M x 64 |
(1) 4M x 64 |
(1) 4M x 64 |
(1) 2M x 64 |
|
112MB |
(1) 8M x 64 |
(1) 4M x 64 |
(1) 2M x 64 |
None |
|
112MB |
(1) 8M x 64 |
(1) 4M x 64 |
(1) 1M x 64 |
(1) 1M x 64 |
|
128MB |
(1) 16M x 64 |
None |
None |
None |
|
128MB |
(1) 4M x 64 |
(1) 4M x 64 |
(1) 4M x 64 |
(1) 4M x 64 |
|
128MB |
(1) 8M x 64 |
(1) 4M x 64 |
(1) 4M x 64 |
None |
|
128MB |
(1) 8M x 64 |
(1) 8M x 64 |
None |
None |
|
160MB |
(1) 16M x 64 |
(1) 2M x 64 |
(1) 1M x 64 |
(1) 1M x 64 |
|
192MB |
(1) 16M x 64 |
(1) 4M x 64 |
(1) 4M x 64 |
None |
|
192MB |
(1) 8M x 64 |
(1) 8M x 64 |
(1) 4M x 64 |
(1) 4M x 64 |
|
192MB |
(1) 8M x 64 |
(1) 8M x 64 |
(1) 8M x 64 |
None |
|
224MB |
(1) 16M x 64 |
(1) 8M x 64 |
(1) 2M x 64 |
(1) 2M x 64 |
|
224MB |
(1) 16M x 64 |
(1) 8M x 64 |
(1) 4M x 64 |
None |
|
256MB |
(1) 16M x 64 |
(1) 16M x 64 |
None |
None |
|
256MB |
(1) 16M x 64 |
(1) 8M x 64 |
(1) 4M x 64 |
(1) 4M x 64 |
|
256MB |
(1) 16M x 64 |
(1) 8M x 64 |
(1) 8M x 64 |
None |
|
256MB |
(1) 8M x 64 |
(1) 8M x 64 |
(1) 8M x 64 |
(1) 8M x 64 |
|
288MB |
(1) 16M x 64 |
(1) 16M x 64 |
(1) 4M x 64 |
None |
|
320MB |
(1) 16M x 64 |
(1) 8M x 64 |
(1) 8M x 64 |
(1) 8M x 64 |
|
384MB |
(1) 16M x 64 |
(1) 16M x 64 |
(1) 16M x 64 |
None |
|
384MB |
(1) 16M x 64 |
(1) 16M x 64 |
(1) 8M x 64 |
(1) 8M x 64 |
|
448MB |
(1) 16M x 64 |
(1) 16M x 64 |
(1) 16M x 64 |
(1) 8M x 64 |
|
512MB |
(1) 16M x 64 |
(1) 16M x 64 |
(1) 16M x 64 |
(1) 16M x 64 |
|
1024MB |
(1) 32M x 64 |
(1) 32M x 64 |
(1) 32M x 64 |
(1) 32M x 64 |
|
Note: Board accepts EDO memory. | ||||
|
CACHE CONFIGURATION |
|
Note: 256KB/512KB cache is located on the Pentium II CPU. |
|
CPU SPEED SELECTION | ||||
|
CPU speed |
Clock speed |
Multiplier |
W1 |
W3 |
|
233MHz |
66MHz |
3.5x |
2 & 3 |
1 & 2, 3 & 4 |
|
266MHz |
66MHz |
4x |
2 & 3 |
1 & 2, 5 & 6, 7 & 8 |
|
300MHz |
66MHz |
4.5x |
2 & 3 |
1 & 2, 5 & 6 |
|
333MHz |
66MHz |
5x |
2 & 3 |
1 & 2, 7 & 8 |
|
Note: Pins designated should be in the closed position. | ||||