MICRONICS COMPUTERS, INC.

W6-LI

Processor

Pentium Pro

Processor Speed

150/166/180/200MHz

Chip Set

Intel

Video Chip Set

None

Maximum Onboard Memory

512MB (EDO supported)

Maximum Video Memory

None

Cache

256/512KB (located on Pentium Pro CPU)

BIOS

Phoenix

Dimensions

330mm x 218mm

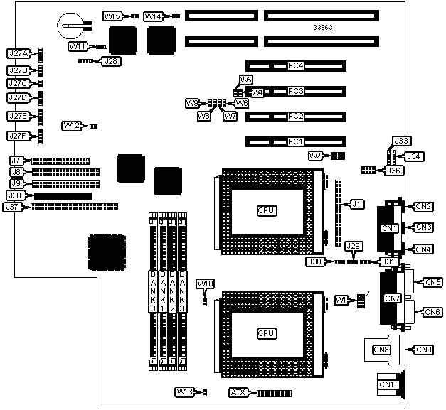
I/O Options

32-bit PCI slots (4), CD-ROM connector, floppy drive interface, game port, green PC connector, IDE interfaces (2), Fast SCSI interface, Ultra Wide SCSI interface, parallel port, PS/2 mouse port, serial ports (2), IR connectors (2), USB connectors (2), ATX power connector, microphone in connector, line out connector, line in connector, modem/telephony connector, wavetable connector, VRM connector

NPU Options

None

CONNECTIONS

Purpose

Location

Purpose

Location

ATX power connector

ATX

Reset switch

J27B

Game port

CN1

Power LED

J27C

Microphone in connector

CN2

IDE interface LED

J27D

Line in connector

CN3

IR connector

J27E

Line out connector

CN4

Green PC connector

J27F

Serial port 1

CN5

IR connector

J28

Serial port 2

CN6

CPU fan

J29

Parallel port

CN7

CPU fan

J30

USB connector 1

CN8

Chassis fan power

J31

USB connector 2

CN9

CD-ROM connector

J33

PS/2 mouse port

CN10

Modem/telephony connector

J34

VRM connector

J1

Wavetable connector

J36

Floppy drive interface

J7

Fast SCSI interface

J37

IDE interface 1

J8

Ultra Wide SCSI interface

J38

IDE interface 2

J9

32-bit PCI slots

PC1 - PC4

Speaker

J27A

   

Note: Do not use both IR connectors at the same time.

USER CONFIGURABLE SETTINGS

Function

Label

Position

»

Host Bus Agent normal operation

W10

Open

 

Host Bus Agent reserved

W10

Closed

»

CMOS memory normal operation

W11

Pins 1 & 2 closed

 

CMOS memory clear

W11

Pins 2 & 3 closed

»

System power supply enabled

W13

Open

 

System power supply disabled

W13

Closed

»

On board sound enabled

W14

Closed

 

On board sound disabled

W14

Open

»

SCSI enabled

W15

Closed

 

SCSI disabled

W15

Open

DIMM CONFIGURATION

Size

Bank 0

Bank 1

Bank 2

Bank 3

8MB

(1) 1M x 64

None

None

None

16MB

(1) 2M x 64

None

None

None

16MB

(1) 1M x 64

(1) 1M x 64

None

None

24MB

(1) 2M x 64

(1) 1M x 64

None

None

24MB

(1) 1M x 64

(1) 1M x 64

(1) 1M x 64

None

32MB

(1) 2M x 64

(1) 2M x 64

None

None

32MB

(1) 2M x 64

(1) 1M x 64

(1) 1M x 64

None

32MB

(1) 4M x 64

None

None

None

32MB

(1) 1M x 64

(1) 1M x 64

(1) 1M x 64

(1) 1M x 64

DIMM CONFIGURATION (CON’T)

Size

Bank 0

Bank 1

Bank 2

Bank 3

40MB

(1) 2M x 64

(1) 2M x 64

(1) 1M x 64

None

40MB

(1) 2M x 64

(1) 1M x 64

(1) 1M x 64

(1) 1M x 64

40MB

(1) 4M x 64

(1) 1M x 64

None

None

48MB

(1) 2M x 64

(1) 2M x 64

(1) 2M x 64

None

48MB

(1) 2M x 64

(1) 2M x 64

(1) 1M x 64

(1) 1M x 64

48MB

(1) 4M x 64

(1) 2M x 64

None

None

48MB

(1) 4M x 64

(1) 1M x 64

(1) 1M x 64

None

56MB

(1) 2M x 64

(1) 2M x 64

(1) 2M x 64

(1) 1M x 64

56MB

(1) 4M x 64

(1) 2M x 64

(1) 1M x 64

None

56MB

(1) 4M x 64

(1) 1M x 64

(1) 1M x 64

(1) 1M x 64

64MB

(1) 2M x 64

(1) 2M x 64

(1) 2M x 64

(1) 2M x 64

64MB

(1) 4M x 64

(1) 2M x 64

(1) 2M x 64

None

64MB

(1) 4M x 64

(1) 2M x 64

(1) 1M x 64

(1) 1M x 64

64MB

(1) 4M x 64

(1) 4M x 64

None

None

64MB

(1) 8M x 64

None

None

None

80MB

(1) 4M x 64

(1) 2M x 64

(1) 2M x 64

(1) 2M x 64

80MB

(1) 4M x 64

(1) 4M x 64

(1) 2M x 64

None

80MB

(1) 4M x 64

(1) 4M x 64

(1) 1M x 64

(1) 1M x 64

80MB

(1) 8M x 64

(1) 2M x 64

None

None

80MB

(1) 8M x 64

(1) 1M x 64

(1) 1M x 64

None

96MB

(1) 4M x 64

(1) 4M x 64

(1) 2M x 64

(1) 2M x 64

96MB

(1) 4M x 64

(1) 4M x 64

(1) 4M x 64

None

96MB

(1) 8M x 64

(1) 2M x 64

(1) 2M x 64

None

96MB

(1) 8M x 64

(1) 2M x 64

(1) 1M x 64

(1) 1M x 64

96MB

(1) 8M x 64

(1) 4M x 64

None

None

112MB

(1) 4M x 64

(1) 4M x 64

(1) 4M x 64

(1) 2M x 64

112MB

(1) 8M x 64

(1) 2M x 64

(1) 2M x 64

(1) 2M x 64

112MB

(1) 8M x 64

(1) 4M x 64

(1) 2M x 64

None

112MB

(1) 8M x 64

(1) 4M x 64

(1) 1M x 64

(1) 1M x 64

128MB

(1) 16M x 64

None

None

None

128MB

(1) 4M x 64

(1) 4M x 64

(1) 4M x 64

(1) 4M x 64

128MB

(1) 8M x 64

(1) 4M x 64

(1) 2M x 64

(1) 2M x 64

128MB

(1) 8M x 64

(1) 4M x 64

(1) 4M x 64

None

128MB

(1) 8M x 64

(1) 8M x 64

None

None

160MB

(1) 16M x 64

(1) 2M x 64

(1) 2M x 64

None

160MB

(1) 16M x 64

(1) 2M x 64

(1) 1M x 64

(1) 1M x 64

160MB

(1) 16M x 64

(1) 4M x 64

None

None

160MB

(1) 8M x 64

(1) 4M x 64

(1) 4M x 64

(1) 4M x 64

160MB

(1) 8M x 64

(1) 8M x 64

(1) 2M x 64

(1) 2M x 64

160MB

(1) 8M x 64

(1) 8M x 64

(1) 4M x 64

None

192MB

(1) 16M x 64

(1) 4M x 64

(1) 2M x 64

(1) 2M x 64

DIMM CONFIGURATION (CON’T)

Size

Bank 0

Bank 1

Bank 2

Bank 3

192MB

(1) 16M x 64

(1) 4M x 64

(1) 4M x 64

None

192MB

(1) 16M x 64

(1) 8M x 64

None

None

192MB

(1) 8M x 64

(1) 8M x 64

(1) 4M x 64

(1) 4M x 64

192MB

(1) 8M x 64

(1) 8M x 64

(1) 8M x 64

None

224MB

(1) 16M x 64

(1) 4M x 64

(1) 4M x 64

(1) 4M x 64

224MB

(1) 16M x 64

(1) 8M x 64

(1) 2M x 64

(1) 2M x 64

224MB

(1) 16M x 64

(1) 8M x 64

(1) 4M x 64

None

224MB

(1) 8M x 64

(1) 8M x 64

(1) 8M x 64

(1) 4M x 64

256MB

(1) 16M x 64

(1) 16M x 64

None

None

256MB

(1) 16M x 64

(1) 8M x 64

(1) 4M x 64

(1) 4M x 64

256MB

(1) 16M x 64

(1) 8M x 64

(1) 8M x 64

None

256MB

(1) 8M x 64

(1) 8M x 64

(1) 8M x 64

(1) 8M x 64

288MB

(1) 16M x 64

(1) 16M x 64

(1) 2M x 64

(1) 2M x 64

288MB

(1) 16M x 64

(1) 16M x 64

(1) 4M x 64

None

288MB

(1) 16M x 64

(1) 8M x 64

(1) 8M x 64

(1) 4M x 64

320MB

(1) 16M x 64

(1) 16M x 64

(1) 4M x 64

(1) 4M x 64

320MB

(1) 16M x 64

(1) 16M x 64

(1) 8M x 64

None

320MB

(1) 16M x 64

(1) 8M x 64

(1) 8M x 64

(1) 8M x 64

384MB

(1) 16M x 64

(1) 16M x 64

(1) 16M x 64

None

384MB

(1) 16M x 64

(1) 16M x 64

(1) 8M x 64

(1) 8M x 64

448MB

(1) 16M x 64

(1) 16M x 64

(1) 16M x 64

(1) 8M x 64

512MB

(1) 16M x 64

(1) 16M x 64

(1) 16M x 64

(1) 16M x 64

Note: Board accepts EDO memory. x 72 DIMMs may also be used but not if x 64 DIMMs are installed.

CACHE CONFIGURATION

Note: 256KB/512KB cache is located on the Pentium Pro CPU.

CPU SPEED SELECTION

CPU speed

Clock speed

Multiplier

W4

W5

W6

W7

150MHz

60MHz

2.5x

Closed

Open

Closed

Closed

166MHz

66MHz

2.5x

Open

Closed

Closed

Closed

180MHz

60MHz

3x

Closed

Open

Closed

Closed

200MHz

66MHz

3x

Open

Closed

Closed

Closed

CPU SPEED SELECTION (CON’T)

CPU speed

Clock speed

Multiplier

W8

W9

W12

150MHz

60MHz

2.5x

Closed

Open

Closed

166MHz

66MHz

2.5x

Closed

Open

Closed

180MHz

60MHz

3x

Open

Closed

Closed

200MHz

66MHz

3x

Open

Closed

Closed

CPU VOLTAGE SELECTION

Voltage

W1

W2

»

VID enabled

Open

Open

 

2.9v

Pins 1 & 2, 7 & 8 closed

Pins 1 & 2, 7 & 8 closed

 

3.1v

Pins 1 & 2, 5 & 6, 7 & 8 closed

Pins 1 & 2, 5 & 6, 7 & 8 closed

 

3.3v

Pins 1 & 2, 3 & 4, 7 & 8 closed

Pins 1 & 2, 3 & 4, 7 & 8 closed