MICRONICS COMPUTERS, INC.
M55HI-PLUS
|
Processor |
Pentium |
|
Processor Speed |
90/100/120/133/150/166/200MHz |
|
Chip Set |
Intel |
|
Video Chip Set |
None |
|
Maximum Onboard Memory |
256MB (EDO supported) |
|
Maximum Video Memory |
None |
|
Cache |
512KB |
|
BIOS |
Phoenix |
|
Dimensions |
330mm x 218mm |
|
I/O Options |
32-bit PCI slots (4), bus mouse port, CD-ROM audio input connector, floppy drive interface, IDE interfaces (2), parallel port, PS/2 mouse port, serial ports (2), IR connector, USB connectors (2), microphone connector, audio line in connector, audio line out connector, external audio connector, wavetable connector, game/MIDI port |
|
NPU Options |
None |
|
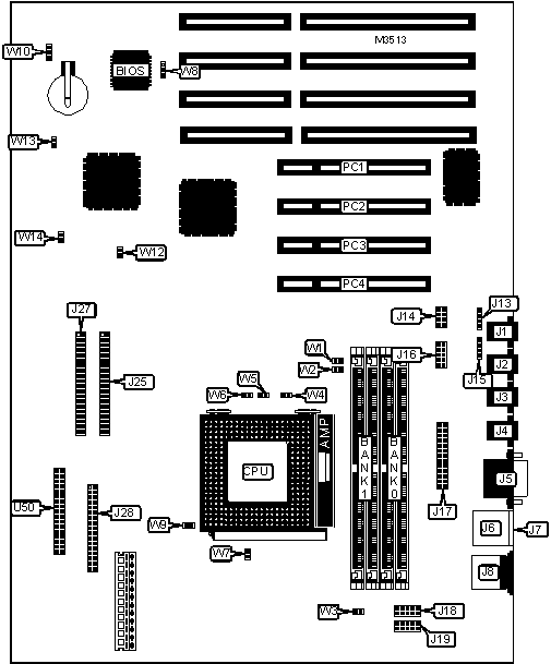
CONNECTIONS | |||
|
Purpose |
Location |
Purpose |
Location |
|
Microphone in connector |
J1 |
Serial port 1 |
J19 |
|
Audio line in connector |
J2 |
IDE interface 2 |
J25 |
|
Audio line out connector |
J3 |
IDE interface 1 |
J27 |
|
Speaker out connector |
J4 |
Floppy drive interface |
J28 |
|
Game/MIDI port |
J5 |
32-bit PCI slots |
PC1 - PC4 |
|
USB connector |
J6 |
System power on/off connector |
U50 pins 1 & 2 |
|
USB connector |
J7 |
IR connector |
U50 pins 6 - 10 |
|
PS/2 mouse port |
J8 |
Reset switch |
U50 pins 12 & 13 |
|
CD-ROM audio connector |
J13 |
Speaker |
U50 pins 14 - 17 |
|
Wavetable connector |
J14 |
Power LED & keylock |
U50 pins 18 - 22 |
|
Modem connector |
J15 |
IDE interface LED |
U50 pins 23 & 24 |
|
External audio connector |
J16 |
Turbo LED |
U50 pins 25 & 26 |
|
Parallel port |
J17 |
Case fan connector |
W3 |
|
Serial port 2 |
J18 |
Chassis fan power |
W9 |
|
USER CONFIGURABLE SETTINGS | |||
|
Function |
Label |
Position | |
|
» |
Flash BIOS normal operation |
W8 |
Pins 1 & 2 closed |
|
Flash BIOS recovery mode |
W8 |
Pins 2 & 3 closed | |
|
» |
CMOS memory normal operation |
W10 |
Pins 1 & 2 closed |
|
CMOS memory clear |
W10 |
Pins 2 & 3 closed | |
|
» |
System soft power down enabled |
W14 |
Open |
|
System soft power down disabled |
W14 |
Closed | |
|
DRAM CONFIGURATION | ||
|
Size |
Bank 0 |
Bank 1 |
|
8MB |
(2) 1M x 36 |
None |
|
16MB |
(2) 2M x 36 |
None |
|
16MB |
(2) 1M x 36 |
(2) 1M x 36 |
|
24MB |
(2) 2M x 36 |
(2) 1M x 36 |
|
32MB |
(2) 4M x 36 |
None |
|
32MB |
(2) 2M x 36 |
(2) 2M x 36 |
|
40MB |
(2) 4M x 36 |
(2) 1M x 36 |
|
48MB |
(2) 4M x 36 |
(2) 2M x 36 |
|
64MB |
(2) 8M x 36 |
None |
|
64MB |
(2) 4M x 36 |
(2) 4M x 36 |
|
72MB |
(2) 8M x 36 |
(2) 1M x 36 |
|
80MB |
(2) 8M x 36 |
(2) 2M x 36 |
|
96MB |
(2) 8M x 36 |
(2) 4M x 36 |
|
128MB |
(2) 8M x 36 |
(2) 8M x 36 |
|
128MB |
(2) 16M x 36 |
None |
|
256MB |
(2) 16M x 36 |
(2) 16M x 36 |
|
Note: Board accepts EDO memory. Board also accepts x 32 SIMMs. | ||
|
DRAM JUMPER CONFIGURATION | |
|
Cacheable DRAM range |
W12 |
|
Normal |
Open |
|
Extended |
Closed |
|
CACHE CONFIGURATION |
|
Note: The location of the 512KB cache is unidentified. |
|
CPU SPEED SELECTION | |||||
|
Speed |
W1 |
W2 |
W4 |
W5 |
W6 |
|
90MHz |
Closed |
Open |
Closed |
Open |
Open |
|
100MHz |
Open |
Closed |
Open |
Open |
Open |
|
120MHz |
Closed |
Open |
Closed |
Open |
Closed |
|
133MHz |
Open |
Closed |
Open |
Open |
Closed |
|
150MHz |
Closed |
Open |
Closed |
Closed |
Closed |
|
166MHz |
Open |
Closed |
Open |
Closed |
Closed |
|
200MHz |
Open |
Closed |
Open |
Closed |
Open |
|
CPU TYPE SELECTION | |
|
Type |
W7 |
|
VR |
Closed |
|
VRE |
Open |
|
AT BUS CLOCK SELECTION | ||
|
Speed |
W13 | |
| » |
1/4 |
Closed |
|
1/3 |
Open | |