LUCKY STAR TECHNOLOGY CO., LTD.
6LX (SOUND)
|
Device Type |
Mainboard |
|
Processor |
Celeron |
|
Processor Speed |
266/300/333/366/400/433/466MHz |
|
Chip Set |
Intel 440LX |
|
Maximum Onboard Memory |
768MB (EDO & SDRAM supported) |
|
Cache |
128KB (located on Celeron CPU) |
|
BIOS |
Award |
|
Dimensions |
254mm x 218mm |
|
I/O Options |
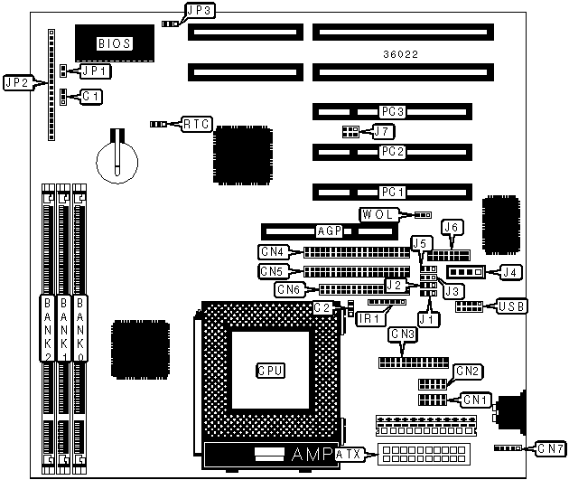
32-bit PCI slots (3), floppy drive interface, game interface, green PC connector, IDE interfaces (2), parallel port, PS/2 mouse interface, serial ports (2), IR connector, USB connector, ATX power connector, AGP slot, line in, line out, microphone in, audio in - CD-ROM, SB-link connector, wake on LAN connector |

|
CONNECTIONS |
|||
|
Purpose |
Location |
Purpose |
Location |
|
AGP slot |
AGP |
Audio in - CD-ROM |
J4 |
|
ATX power connector |
ATX |
Microphone in |
J5 |
|
Chassis fan power |
C1 |
Game interface |
J6 |
|
Chassis fan power |
C2 |
SB-link connector |
J7 |
|
Serial port 1 |
CN1 |
Soft off power supply |
JP1 |
|
Serial port 2 |
CN2 |
Power LED & keylock |
JP2/pins 1 - 5 |
|
Parallel port |
CN3 |
Speaker |
JP2/pins 7 - 10 |
|
IDE interface 2 |
CN4 |
Reset switch |
JP2/pins 12 & 13 |
|
IDE interface 1 |
CN5 |
IDE interface LED |
JP2/pins 15 & 16 |
|
Floppy drive interface |
CN6 |
Turbo LED |
JP2/pins 18 & 19 |
|
PS/2 mouse interface |
CN7 |
Green PC connector |
JP2/pins 21 & 22 |
|
IR connector |
IR1 |
32-bit PCI slots |
PC1 - PC3 |
|
Speaker in |
J1 |
USB connector |
USB |
|
Line out |
J2 |
Wake on LAN connector |
WOL |
|
Line in |
J3 |
|
|
|
USER CONFIGURABLE SETTINGS |
|||
|
Function |
Label |
Position |
|
|
|
Flash BIOS voltage select 12v |
JP3 |
Pins 2 & 3 closed |
|
|
Flash BIOS voltage select 5v |
JP3 |
Pins 1 & 2 closed |
|
» |
CMOS memory normal operation |
RTC |
Pins 1 & 2 closed |
|
|
CMOS memory clear |
RTC |
Pins 2 & 3 closed |
|
DIMM CONFIGURATION |
|||
|
Size |
Bank 0 |
Bank 1 |
Bank 2 |
|
16MB |
(1) 2M x 64 |
None |
None |
|
32MB |
(1) 4M x 64 |
None |
None |
|
32MB |
(1) 2M x 64 |
(1) 2M x 64 |
None |
|
40MB |
(1) 4M x 64 |
(1) 1M x 64 |
None |
|
48MB |
(1) 4M x 64 |
(1) 2M x 64 |
None |
|
48MB |
(1) 2M x 64 |
(1) 2M x 64 |
(1) 2M x 64 |
|
64MB |
(1) 8M x 64 |
None |
None |
|
64MB |
(1) 4M x 64 |
(1) 2M x 64 |
(1) 2M x 64 |
|
64MB |
(1) 4M x 64 |
(1) 4M x 64 |
None |
|
80MB |
(1) 8M x 64 |
(1) 2M x 64 |
None |
|
80MB |
(1) 4M x 64 |
(1) 4M x 64 |
(1) 2M x 64 |
|
96MB |
(1) 8M x 64 |
(1) 2M x 64 |
(1) 2M x 64 |
|
96MB |
(1) 8M x 64 |
(1) 4M x 64 |
None |
|
96MB |
(1) 4M x 64 |
(1) 4M x 64 |
(1) 4M x 64 |
|
112MB |
(1) 8M x 64 |
(1) 4M x 64 |
(1) 2M x 64 |
|
128MB |
(1) 16M x 64 |
None |
None |
|
128MB |
(1) 8M x 64 |
(1) 4M x 64 |
(1) 4M x 64 |
|
DIMM CONFIGURATION (CON'T) |
|||
|
Size |
Bank 0 |
Bank 1 |
Bank 2 |
|
128MB |
(1) 8M x 64 |
(1) 8M x 64 |
None |
|
144MB |
(1) 16M x 64 |
(1) 2M x 64 |
None |
|
144MB |
(1) 8M x 64 |
(1) 8M x 64 |
(1) 2M x 64 |
|
160MB |
(1) 16M x 64 |
(1) 2M x 64 |
(1) 2M x 64 |
|
160MB |
(1) 16M x 64 |
(1) 4M x 64 |
None |
|
160MB |
(1) 8M x 64 |
(1) 8M x 64 |
(1) 4M x 64 |
|
176MB |
(1) 16M x 64 |
(1) 4M x 64 |
(1) 2M x 64 |
|
192MB |
(1) 16M x 64 |
(1) 4M x 64 |
(1) 4M x 64 |
|
192MB |
(1) 16M x 64 |
(1) 8M x 64 |
None |
|
192MB |
(1) 8M x 64 |
(1) 8M x 64 |
(1) 8M x 64 |
|
208MB |
(1) 16M x 64 |
(1) 8M x 64 |
(1) 2M x 64 |
|
224MB |
(1) 16M x 64 |
(1) 8M x 64 |
(1) 4M x 64 |
|
256MB |
(1) 32M x 64 |
None |
None |
|
256MB |
(1) 16M x 64 |
(1) 8M x 64 |
(1) 8M x 64 |
|
264MB |
(1) 32M x 64 |
(1) 1M x 64 |
None |
|
272MB |
(1) 32M x 64 |
(1) 1M x 64 |
(1) 1M x 64 |
|
272MB |
(1) 32M x 64 |
(1) 2M x 64 |
None |
|
288MB |
(1) 32M x 64 |
(1) 2M x 64 |
(1) 2M x 64 |
|
288MB |
(1) 32M x 64 |
(1) 4M x 64 |
None |
|
320MB |
(1) 32M x 64 |
(1) 4M x 64 |
(1) 4M x 64 |
|
320MB |
(1) 32M x 64 |
(1) 8M x 64 |
None |
|
384MB |
(1) 32M x 64 |
(1) 8M x 64 |
(1) 8M x 64 |
|
384MB |
(1) 32M x 64 |
(1) 16M x 64 |
None |
|
384MB |
(1) 16M x 64 |
(1) 16M x 64 |
(1) 16M x 64 |
|
384MB |
(1) 16M x 64 |
(1) 16M x 64 |
(1) 16M x 64 |
|
512MB |
(1) 32M x 64 |
(1) 16M x 64 |
(1) 16M x 64 |
|
512MB |
(1) 32M x 64 |
(1) 32M x 64 |
None |
|
768MB |
(1) 32M x 64 |
(1) 32M x 64 |
(1) 32M x 64 |
|
Note: Board accepts EDO & SDRAM memory. Maximum SDRAM is 384MB. Maximum EDO is 768MB. |
|||
|
CACHE CONFIGURATION |
|
Note: 128KB cache is located on the Celeron 300A CPU. |