KADATCO CO, LTD.
AM-608FX
|
Device Type |
Mainboard |
|
Processor |
Pentium II |
|
Processor Speed |
200/233/266/300MHz |
|
Chip Set |
Intel 440FX |
|
Video Chip Set |
None |
|
Maximum Onboard Memory |
640MB (EDO supported) |
|
Maximum Video Memory |
None |
|
Cache |
256/512KB (located on Pentium II CPU) |
|
BIOS |
Award |
|
Dimensions |
305mm x 244mm |
|
I/O Options |
32-bit PCI slots (4), floppy drive interface, green PC interface, IDE interfaces (2), parallel port, PS/2 mouse port, serial ports (2), IR connector, USB connectors (2), ATX power connector |
|
NPU Options |
None |
|
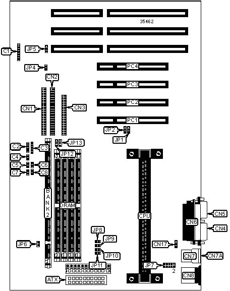
CONNECTIONS | |||
|
Purpose |
Location |
Purpose |
Location |
|
ATX power connector |
ATX |
IDE interface 2 |
CN2 |
|
IR connector |
C1 |
Floppy drive interface |
CN3 |
|
Speaker |
C2 |
Serial port 1 |
CN4 |
|
Power LED & keylock |
C3 |
Serial port 2 |
CN5 |
|
Green PC connector |
C4 |
Parallel port |
CN6 |
|
IDE interface LED |
C5 |
USB connector 1 |
CN7 |
|
CPU fan power |
C6 |
USB connector 2 |
CN7A |
|
Soft off power supply |
C7 |
PS/2 mouse port |
CN8 |
|
Reset switch |
C8 |
32-bit PCI slots |
PC1 – PC4 |
|
IDE interface 1 |
CN1 | ||
|
USER CONFIGURABLE SETTINGS | |||
|
Function |
Label |
Position | |
|
» |
Factory configured - do not alter |
CN17 |
Unidentified |
|
» |
CMOS memory normal operation |
JP4 |
Open |
|
CMOS memory clear |
JP4 |
Closed | |
|
» |
Factory configured - do not alter |
JP5 |
Unidentified |
|
» |
Power switch enabled |
JP6 |
Closed |
|
Power switch disabled |
JP6 |
Open | |
|
SIMM CONFIGURATION | ||
|
Size |
Bank 0 |
Bank 1 |
|
8MB |
(2) 1M x 36 |
None |
|
16MB |
(2) 2M x 36 |
None |
|
16MB |
(2) 1M x 36 |
(2) 1M x 36 |
|
24MB |
(2) 2M x 36 |
(2) 1M x 36 |
|
32MB |
(2) 4M x 36 |
None |
|
32MB |
(2) 2M x 36 |
(2) 2M x 36 |
|
40MB |
(2) 4M x 36 |
(2) 1M x 36 |
|
48MB |
(2) 4M x 36 |
(2) 2M x 36 |
|
64MB |
(2) 8M x 36 |
None |
|
64MB |
(2) 4M x 36 |
(2) 4M x 36 |
|
72MB |
(2) 8M x 36 |
(2) 1M x 36 |
|
80MB |
(2) 8M x 36 |
(2) 2M x 36 |
|
96MB |
(2) 8M x 36 |
(2) 4M x 36 |
|
SIMM CONFIGURATION (CON’T) | ||
|
Size |
Bank 0 |
Bank 1 |
|
128MB |
(2) 8M x 36 |
(2) 8M x 36 |
|
128MB |
(2) 16M x 36 |
None |
|
136MB |
(2) 16M x 36 |
(2) 1M x 36 |
|
144MB |
(2) 16M x 36 |
(2) 2M x 36 |
|
160MB |
(2) 16M x 36 |
(2) 4M x 36 |
|
192MB |
(2) 16M x 36 |
(2) 8M x 36 |
|
256MB |
(2) 16M x 36 |
(2) 16M x 36 |
|
256MB |
(2) 32M x 36 |
None |
|
264MB |
(2) 32M x 36 |
(2) 1M x 36 |
|
272MB |
(2) 32M x 36 |
(2) 2M x 36 |
|
288MB |
(2) 32M x 36 |
(2) 4M x 36 |
|
320MB |
(2) 32M x 36 |
(2) 8M x 36 |
|
384MB |
(2) 32M x 36 |
(2) 16M x 36 |
|
512MB |
(2) 32M x 36 |
(2) 32M x 36 |
|
Note: Board accepts EDO memory. | ||
|
DIMM CONFIGURATION | |
|
Size |
Bank 2 |
|
8MB |
(1) 1M x 64 |
|
16MB |
(1) 2M x 64 |
|
32MB |
(1) 4M x 64 |
|
64MB |
(1) 8M x 64 |
|
128MB |
(1) 16M x 64 |
|
Note: Board accepts EDO memory. | |
|
DIMM VOLTAGE CONFIGURATION | ||
|
Voltage |
JP12 |
JP13 |
|
3.3v |
Pins 1 & 2 closed |
Pins 1 & 2 closed |
|
5v |
Pins 2 & 3 closed |
Pins 2 & 3 closed |
|
CACHE CONFIGURATION |
|
Note: 256KB/512KB cache is located on the Pentium II CPU. |
|
CPU SPEED SELECTION | ||||||||
|
CPU speed |
Clock speed |
Multiplier |
JP1 |
JP2 |
JP8 |
JP9 |
JP10 |
JP11 |
|
200MHz |
66MHz |
3x |
2 & 3 |
2 & 3 |
Closed |
Open |
Closed |
Closed |
|
233MHz |
66MHz |
3.5x |
2 & 3 |
2 & 3 |
Open |
Open |
Closed |
Closed |
|
266MHz |
66MHz |
4x |
2 & 3 |
2 & 3 |
Closed |
Closed |
Open |
Closed |
|
300MHz |
66MHz |
4.5x |
2 & 3 |
2 & 3 |
Open |
Closed |
Open |
Closed |
|
Note: Pins designated should be in the closed position. | ||||||||
|
CPU VOLTAGE SELECTION | |||||
|
Voltage |
JP7/pins 1 & 2 |
JP7/pins 3 & 4 |
JP7/pins 5 & 6 |
JP7/pins 7 & 8 |
JP7/pins 9 & 10 |
|
Auto |
Open |
Open |
Open |
Open |
Open |
|
1.8v |
Open |
Closed |
Open |
Closed |
Closed |
|
1.85v |
Closed |
Closed |
Open |
Closed |
Closed |
|
1.9v |
Open |
Open |
Closed |
Closed |
Closed |
|
1.95v |
Closed |
Open |
Closed |
Closed |
Closed |
|
2.0v |
Open |
Closed |
Closed |
Closed |
Closed |
|
2.05v |
Closed |
Closed |
Closed |
Closed |
Closed |
|
2.1v |
Closed |
Open |
Open |
Open |
Open |
|
2.2v |
Open |
Closed |
Open |
Open |
Open |
|
2.3v |
Closed |
Closed |
Open |
Open |
Open |
|
2.4v |
Open |
Open |
Closed |
Open |
Open |
|
2.5v |
Closed |
Open |
Closed |
Open |
Open |
|
2.6v |
Open |
Closed |
Closed |
Open |
Open |
|
2.7v |
Closed |
Closed |
Closed |
Open |
Open |
|
2.8v |
Open |
Open |
Open |
Closed |
Open |
|
2.9v |
Closed |
Open |
Open |
Closed |
Open |
|
3.0v |
Open |
Closed |
Open |
Closed |
Open |
|
3.1v |
Closed |
Closed |
Open |
Closed |
Open |
|
3.2v |
Open |
Open |
Closed |
Closed |
Open |
|
3.3v |
Closed |
Open |
Closed |
Closed |
Open |
|
3.4v |
Open |
Closed |
Closed |
Closed |
Open |
|
3.5v |
Closed |
Closed |
Closed |
Closed |
Open |