IBM CORPORATION

APTIVA 2144 TYPE H-1, APTIVA 2168 TYPE H-1

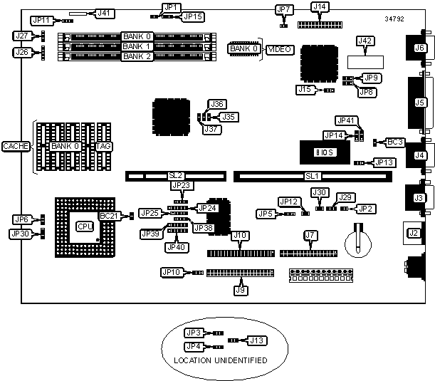
Device Type

Mainboard

Processor

80486DX2/80486DX4/P24T/P24CT

Processor Speed

33(internal)/66(internal)/100(internal)MHz

Chip Set

Unidentified

Video Chip Set

Unidentified

Maximum Onboard Memory

96MB

Maximum Video Memory

1MB

Cache

128KB

BIOS

Unidentified

Dimensions

330mm x 218mm

I/O Options

32-bit VESA local bus slot, floppy drive interface, IDE interfaces (2), parallel port, PS/2 mouse port, serial ports (2), VGA feature connector, VGA port, riser slot, IR connector

NPU Options

None

CONNECTIONS

Purpose

Location

Purpose

Location

PS/2 mouse port

J2

Power LED/IDE interface LED

J26

Serial port 1

J3

Soft off power supply

J29

Serial port 2

J4

Soft off power supply

J30

Parallel port

J5

IR connector

J41

VGA port

J6

Graphics connector

J42

Floppy drive interface

J7

Wake on modem connector

JP5

IDE interface 1

J9

Riser slot

SL1

IDE interface 2

J10

32-bit VESA local bus slot

SL2

VGA feature connector

J14

   

USER CONFIGURABLE SETTINGS

Function

Label

Position

»

Factory configured - do not alter

BC3

Unidentified

»

Factory configured - do not alter

BC21

Unidentified

»

Factory configured - do not alter (flash BIOS)

J13

Pins 1 & 2 closed

»

On board video disabled

J15

Pins 1 & 2 closed

 

On board video enabled

J15

Pins 2 & 3 closed

 

Speaker enabled

J27

Pins 1 & 2 closed

 

Speaker disabled

J27

Open

»

Factory configured - do not alter (clock speed)

J35

Unidentified

»

Factory configured - do not alter (clock speed)

J36

Unidentified

»

Factory configured - do not alter (clock speed)

J37

Unidentified

»

Factory configured - do not alter (floppy drive write protect)

JP1

Unidentified

»

Smart Energy System enabled

JP2

Pins 2 & 3 closed

 

Smart Energy System disabled

JP2

Pins 1 & 2 closed

»

Factory configured - do not alter (voltage regulator)

JP6

Unidentified

»

Factory configured - do not alter (VESA local bus)

JP7

Unidentified

»

Factory configured - do not alter (DMA)

JP8

Unidentified

»

Factory configured - do not alter (DMA)

JP9

Unidentified

 

Linear graphics select 128MB

JP11

Pins 1 & 2 closed

 

Linear graphics select 2GB

JP11

Pins 2 & 3 closed

»

PS/2 mouse enabled

JP12

Pins 1 & 2 closed

 

PS/2 mouse disabled

JP12

Pins 2 & 3 closed

»

Factory configured - do not alter (VESA Local Bus speed)

JP13

Unidentified

USER CONFIGURABLE SETTINGS (CON’T)

Function

Label

Position

»

Password normal operation

JP14

Pins 1 & 2 closed

 

Password clear

JP14

Pins 2 & 3 closed

 

VGA enabled

JP15

Pins 1 & 2 closed

 

VGA disabled

JP15

Pins 2 & 3 closed

»

Factory configured - do not alter (voltage regulator)

JP30

Unidentified

»

Factory configured - do not alter (parallel port IRQ )

JP41

Unidentified

SIMM CONFIGURATION

Size

Bank 0

Bank 1

Bank 2

4MB

(1) 1M x 36

None

None

8MB

(1) 2M x 36

None

None

8MB

(1) 1M x 36

(1) 1M x 36

None

12MB

(1) 2M x 36

(1) 1M x 36

None

12MB

(1) 1M x 36

(1) 1M x 36

(1) 1M x 36

16MB

(1) 4M x 36

None

None

16MB

(1) 2M x 36

(1) 1M x 36

(1) 1M x 36

16MB

(1) 2M x 36

(1) 2M x 36

None

20MB

(1) 4M x 36

(1) 1M x 36

None

24MB

(1) 4M x 36

(1) 1M x 36

(1) 1M x 36

24MB

(1) 4M x 36

(1) 2M x 36

None

24MB

(1) 2M x 36

(1) 2M x 36

(1) 2M x 36

32MB

(1) 8M x 36

None

None

32MB

(1) 4M x 36

(1) 2M x 36

(1) 2M x 36

32MB

(1) 4M x 36

(1) 4M x 36

None

36MB

(1) 8M x 36

(1) 1M x 36

None

36MB

(1) 1M x 36

(1) 4M x 36

(1) 4M x 36

40MB

(1) 8M x 36

(1) 1M x 36

(1) 1M x 36

40MB

(1) 8M x 36

(1) 2M x 36

None

48MB

(1) 8M x 36

(1) 2M x 36

(1) 2M x 36

48MB

(1) 8M x 36

(1) 4M x 36

None

48MB

(1) 4M x 36

(1) 4M x 36

(1) 4M x 36

64MB

(1) 8M x 36

(1) 4M x 36

(1) 4M x 36

64MB

(1) 8M x 36

(1) 8M x 36

None

68MB

(1) 1M x 36

(1) 8M x 36

(1) 8M x 36

72MB

(1) 2M x 36

(1) 8M x 36

(1) 8M x 36

80MB

(1) 4M x 36

(1) 8M x 36

(1) 8M x 36

96MB

(1) 8M x 36

(1) 8M x 36

(1) 8M x 36

CACHE CONFIGURATION

Size

Bank 0

TAG

128KB

(4) 32K x 8

Unidentified

VIDEO MEMORY CONFIGURATION

Note: 1MB video memory is factory installed and is not configurable.

CPU SPEED SELECTION

Speed

JP10

33iMHz

Pins 1 & 2 closed

66iMHz

Pins 2 & 3 closed

100iMHz

Open

CPU TYPE SELECTION

Type

JP23

JP24

JP25

JP38

JP39

JP40

80486DX2

1 & 2, 3 & 4

2 & 3

Open

1 & 2

Open

Open

80486DX4

1 & 2, 3 & 4

2 & 3

Open

1 & 2

Open

Open

P24T

1 & 2, 3 & 4

1 & 2, 4 & 5

1 & 2, 3 & 4

2 & 3

3 & 4, 5 & 6

1 & 2

P24CT

1 & 2, 3 & 4

1 & 2, 4 & 5

1 & 2, 3 & 4

2 & 3

3 & 4, 5 & 6

1 & 2

Note: Pins designated should be in the closed position.

LOCAL BUS/PCI SELECTION

Setting

JP3

JP4

VESA

Pins 1 & 2 closed

Pins 1 & 2 closed

PCI

Pins 2 & 3 closed

Pins 2 & 3 closed