IBM CORPORATION

NETFINITY 7000 (TYPE 8651) MODEL RHO, RMO, TMO, THO

Processor

Pentium Pro

Processor Speed

200MHz

Chip Set

Unidentified

Video Chip Set

Cirrus Logic

Maximum Onboard Memory

4GB

Maximum Video Memory

1MB

Cache

512/1024KB (located on Pentium Pro CPU)

BIOS

Unidentified

Dimensions

355mm x 304mm

I/O Options

32-bit PCI slots (6), floppy drive interface, IDE interface, Ultra Wide SCSI interfaces (2), parallel port, PS/2 mouse port, serial ports (2), VGA port, riser slots (2), memory slot

NPU Options

None

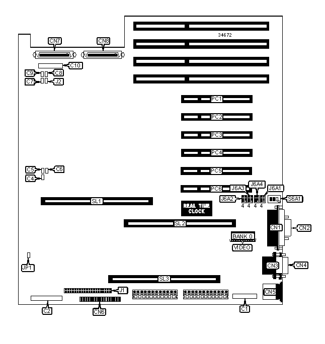
CONNECTIONS

Purpose

Location

Purpose

Location

Power control connector

C1

Serial port

CN4

Front panel connector

C2

PS/2 mouse port

CN5

Chassis fan power

C4

Floppy drive interface

CN6

Chassis fan power

C5

Ultra Wide SCSI interface

CN7

SCSI interface LED

C6

Ultra Wide SCSI interface

CN8

Chassis fan power

C8

IDE interface

J1

Chassis fan power

C9

32-bit PCI slots

PC1 – PC6

SCSI interface LED

C10

CPU slot (primary)

SL1

Parallel port

CN1

CPU slot (secondary)

SL2

VGA port

CN2

Memory slot

SL3

Serial port

CN3

   

USER CONFIGURABLE SETTINGS

Function

Label

Position

»

Factory configured - do not alter

C7

Unidentified

»

Factory configured - do not alter

J2

Unidentified

»

Flash BIOS normal operation

J6A1

Pins 1 & 2 closed

 

Flash BIOS recovery mode

J6A1

Pins 2 & 3 closed

»

BIOS boot block write protected

J6A1

Pins 4 & 5 closed

BIOS boot block write programmable

J6A1

Pins 5 & 6 closed

»

Video sleep register select 03C3H

J6A2

Pins 4 & 5 closed

 

Video sleep register select 46E8H

J6A2

Pins 5 & 6 closed

»

Factory configured - do not alter

J6A3

Unidentified

»

Flash BIOS update disabled

J6A4

Pins 1 & 2 closed

 

Flash BIOS update enabled

J6A4

Pins 2 & 3 closed

»

Factory configured - do not alter

JP1

Unidentified

»

CMOS memory normal operation

S6A1/1

Off

 

CMOS memory clear

S6A1/1

On

»

Password normal operation

S6A1/2

Off

 

Password clear

S6A1/2

On

»

Factory configured - do not alter

S6A1/3

Off

DIMM CONFIGURATION

Size

Bank 0

Bank 1

Bank 2

Bank 3

256MB

(4) 8M x 64

None

None

None

512MB

(4) 16M x 64

None

None

None

512MB

(4) 8M x 64

(4) 8M x 64

None

None

768MB

(4) 16M x 64

(4) 8M x 64

None

None

768MB

(4) 8M x 64

(4) 8M x 64

(4) 8M x 64

None

1024MB

(4) 16M x 64

(4) 8M x 64

(4) 8M x 64

None

1024MB

(4) 32M x 64

None

None

None

1024MB

(4) 8M x 64

(4) 8M x 64

(4) 8M x 64

(4) 8M x 64

1024MB

(4) 16M x 64

(4) 16M x 64

None

None

1280MB

(4) 16M x 64

(4) 8M x 64

(4) 8M x 64

(4) 8M x 64

1280MB

(4) 32M x 64

(4) 8M x 64

None

None

1536MB

(4) 32M x 64

(4) 16M x 64

None

None

1536MB

(4) 32M x 64

(4) 8M x 64

(4) 8M x 64

None

1536MB

(4) 16M x 64

(4) 16M x 64

(4) 16M x 64

None

1792MB

(4) 32M x 64

(4) 8M x 64

(4) 8M x 64

(4) 8M x 64

2048MB

(4) 32M x 64

(4) 16M x 64

(4) 16M x 64

None

2048MB

(4) 16M x 64

(4) 16M x 64

(4) 16M x 64

(4) 16M x 64

2048MB

(4) 32M x 64

(4) 32M x 64

None

None

2560MB

(4) 32M x 64

(4) 16M x 64

(4) 16M x 64

(4) 16M x 64

3072MB

(4) 32M x 64

(4) 32M x 64

(4) 32M x 64

None

4096MB

(4) 32M x 64

(4) 32M x 64

(4) 32M x 64

(4) 32M x 64

Note: The memory is installed on a memory card.

VIDEO MEMORY CONFIGURATION

Size

Bank 0

512KB

512KB

1MB

1MB

Note: The size of the video memory is unidentified.

CONNECTIONS

Purpose

Location

Purpose

Location

Chassis fan power

JC

Fail harness connector

JJ

Chassis fan power

JD

   

USER CONFIGURABLE SETTINGS

Function

Label

Position

»

Factory configured - do not alter

JA

Pins 1 & 2 closed

»

Factory configured - do not alter

JB

Pins 1 & 2 closed

»

Factory configured - do not alter

JE

Unidentified

»

Factory configured - do not alter

JF

Unidentified

»

Factory configured - do not alter

JG/pins 1 & 2

Closed

»

Factory configured - do not alter

JG/pins 3 & 4

Open

»

Factory configured - do not alter

JG/pins 5 & 6

Closed

»

Factory configured - do not alter

JG/pins 7 & 8

Closed

»

Factory configured - do not alter

JG/pins 9 & 10

Unidentified

»

Factory configured - do not alter

JG/pins 11 & 12

Unidentified

CACHE CONFIGURATION

Note: 512/1024KB cache is located on the Pentium Pro CPU.

CACHE JUMPER CONFIGURATION

Size

JH

512KB

Pins 1 & 2, 3 & 4 closed

1024KB

Pins 5 & 6, 7 & 8 closed