ELITEGROUP COMPUTER SYSTEMS, INC.
P5SD-A
|
Device Type |
Mainboard |
|
Processor |
CX 6X86/IBM 6X86/CX 6X86L/IBM 6X86L/CX 686MX/IBM 6X86MX/ AM K5/AM K6/Pentium |
|
Processor Speed |
90/100/120/133/150/166/180/200/233/266MHz |
|
Chip Set |
SIS |
|
Video Chip Set |
None |
|
Maximum Onboard Memory |
384MB (EDO & SDRAM supported) |
|
Maximum Video Memory |
None |
|
Cache |
512KB |
|
BIOS |
Award |
|
Dimensions |
305mm x 244mm |
|
I/O Options |
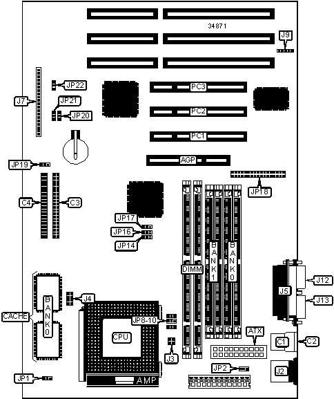
32-bit PCI slots (3), floppy drive interface, green PC connector, IDE interfaces (2), parallel port, PS/2 mouse port, serial ports (2), IR connector, USB connectors (2), ATX power connector, AGP slot |
|
NPU Options |
None |
|
CONNECTIONS | |||
|
Purpose |
Location |
Purpose |
Location |
|
AGP slot |
AGP |
Speaker |
J7/pins 13 - 16 |
|
ATX power connector |
ATX |
IDE interface LED |
J7/pins 17 & 18 |
|
USB connector 1 |
C1 |
Soft off power supply |
J7/pins 19 & 20 |
|
USB connector 2 |
C2 |
IR connector |
J9 |
|
IDE interface 2 |
C3 |
Serial port 1 |
J12 |
|
IDE interface 1 |
C4 |
Serial port 2 |
J13 |
|
PS/2 mouse port |
J2 |
CPU fan power |
JP1 |
|
Parallel port |
J5 |
Floppy drive interface |
JP18 |
|
Power LED |
J7/pins 1 - 3 |
Chassis fan power |
JP19 |
|
Green PC connector |
J7/pins 4 & 5 |
Wake on modem connector |
JP20 |
|
Green PC LED |
J7/pins 6 - 8 |
Wake on LAN connector |
JP21 |
|
Reset switch |
J7/pins 9 & 10 |
32-bit PCI slots |
PC1 – PC3 |
|
Keylock |
J7/pins 11 & 12 | ||
|
USER CONFIGURABLE SETTINGS | |||
|
Function |
Label |
Position | |
|
Power supply select AT |
JP2 |
Pins 1 & 2 closed | |
|
Power supply select ATX |
JP2 |
Pins 2 & 3 closed | |
|
» |
CMOS memory normal operation |
JP22 |
Pins 1 & 2 closed |
|
CMOS memory clear |
JP22 |
Pins 2 & 3 closed | |
|
SIMM CONFIGURATION | ||
|
Size |
Bank 0 |
Bank 1 |
|
8MB |
(2) 1M x 36 |
None |
|
16MB |
(2) 2M x 36 |
None |
|
16MB |
(2) 1M x 36 |
(2) 1M x 36 |
|
24MB |
(2) 2M x 36 |
(2) 1M x 36 |
|
32MB |
(2) 4M x 36 |
None |
|
32MB |
(2) 2M x 36 |
(2) 2M x 36 |
|
40MB |
(2) 4M x 36 |
(2) 1M x 36 |
|
48MB |
(2) 4M x 36 |
(2) 2M x 36 |
|
64MB |
(2) 8M x 36 |
None |
|
64MB |
(2) 4M x 36 |
(2) 4M x 36 |
|
72MB |
(2) 8M x 36 |
(2) 1M x 36 |
|
80MB |
(2) 8M x 36 |
(2) 2M x 36 |
|
96MB |
(2) 8M x 36 |
(2) 4M x 36 |
|
128MB |
(2) 8M x 36 |
(2) 8M x 36 |
|
SIMM CONFIGURATION (CON’T) | ||
|
Size |
Bank 0 |
Bank 1 |
|
128MB |
(2) 16M x 36 |
None |
|
136MB |
(2) 16M x 36 |
(2) 1M x 36 |
|
144MB |
(2) 16M x 36 |
(2) 2M x 36 |
|
160MB |
(2) 16M x 36 |
(2) 4M x 36 |
|
192MB |
(2) 16M x 36 |
(2) 8M x 36 |
|
256MB |
(2) 16M x 36 |
(2) 16M x 36 |
|
Note: Board accepts EDO memory. Do not install SIMMs & DIMMs at the same time. | ||
|
DIMM CONFIGURATION | ||
|
Size |
Bank 2 |
Bank 3 |
|
8MB |
(1) 1M x 64 |
None |
|
16MB |
(1) 2M x 64 |
None |
|
16MB |
(1) 1M x 64 |
(1) 1M x 64 |
|
24MB |
(1) 2M x 64 |
(1) 1M x 64 |
|
32MB |
(1) 4M x 64 |
None |
|
32MB |
(1) 2M x 64 |
(1) 2M x 64 |
|
40MB |
(1) 4M x 64 |
(1) 1M x 64 |
|
48MB |
(1) 4M x 64 |
(1) 2M x 64 |
|
64MB |
(1) 8M x 64 |
None |
|
64MB |
(1) 4M x 64 |
(1) 4M x 64 |
|
72MB |
(1) 8M x 64 |
(1) 1M x 64 |
|
80MB |
(1) 8M x 64 |
(1) 2M x 64 |
|
96MB |
(1) 8M x 64 |
(1) 4M x 64 |
|
128MB |
(1) 16M x 64 |
None |
|
128MB |
(1) 8M x 64 |
(1) 8M x 64 |
|
136MB |
(1) 16M x 64 |
(1) 1M x 64 |
|
144MB |
(1) 16M x 64 |
(1) 2M x 64 |
|
160MB |
(1) 16M x 64 |
(1) 4M x 64 |
|
192MB |
(1) 16M x 64 |
(1) 8M x 64 |
|
256MB |
(1) 16M x 64 |
(1) 16M x 64 |
|
Note: Board accepts SDRAM memory. | ||
|
CACHE CONFIGURATION | |
|
Size |
Bank 0 |
|
512KB |
(2) 64K x 32 |
|
CPU SPEED SELECTION (CX 6X86) | ||||||||
|
CPU speed |
Clock speed |
Multiplier |
JP8 |
JP9 |
JP10 |
JP14 |
JP16 |
JP17 |
|
150MHz |
60MHz |
2x |
2 & 3 |
1 & 2 |
1 & 2 |
2 & 3 |
2 & 3 |
2 & 3 |
|
166MHz |
66MHz |
2x |
2 & 3 |
1 & 2 |
1 & 2 |
2 & 3 |
2 & 3 |
1 & 2 |
|
200MHz |
75MHz |
2x |
2 & 3 |
1 & 2 |
1 & 2 |
1 & 2 |
2 & 3 |
2 & 3 |
|
Note: Pins designated should be in the closed position. | ||||||||
|
CPU SPEED SELECTION (IBM 6X86) | ||||||||
|
CPU speed |
Clock speed |
Multiplier |
JP8 |
JP9 |
JP10 |
JP14 |
JP16 |
JP17 |
|
150MHz |
60MHz |
2x |
2 & 3 |
1 & 2 |
1 & 2 |
2 & 3 |
2 & 3 |
2 & 3 |
|
166MHz |
66MHz |
2x |
2 & 3 |
1 & 2 |
1 & 2 |
2 & 3 |
2 & 3 |
1 & 2 |
|
200MHz |
75MHz |
2x |
2 & 3 |
1 & 2 |
1 & 2 |
1 & 2 |
2 & 3 |
2 & 3 |
|
Note: Pins designated should be in the closed position. | ||||||||
|
CPU SPEED SELECTION (CX 6X86L) | ||||||||
|
CPU speed |
Clock speed |
Multiplier |
JP8 |
JP9 |
JP10 |
JP14 |
JP16 |
JP17 |
|
150MHz |
60MHz |
2x |
2 & 3 |
1 & 2 |
1 & 2 |
2 & 3 |
2 & 3 |
2 & 3 |
|
166MHz |
66MHz |
2x |
2 & 3 |
1 & 2 |
1 & 2 |
2 & 3 |
2 & 3 |
1 & 2 |
|
200MHz |
75MHz |
2x |
2 & 3 |
1 & 2 |
1 & 2 |
1 & 2 |
2 & 3 |
2 & 3 |
|
Note: Pins designated should be in the closed position. | ||||||||
|
CPU SPEED SELECTION (IBM 6X86L) | ||||||||
|
CPU speed |
Clock speed |
Multiplier |
JP8 |
JP9 |
JP10 |
JP14 |
JP16 |
JP17 |
|
150MHz |
60MHz |
2x |
2 & 3 |
1 & 2 |
1 & 2 |
2 & 3 |
2 & 3 |
2 & 3 |
|
166MHz |
66MHz |
2x |
2 & 3 |
1 & 2 |
1 & 2 |
2 & 3 |
2 & 3 |
1 & 2 |
|
200MHz |
75MHz |
2x |
2 & 3 |
1 & 2 |
1 & 2 |
1 & 2 |
2 & 3 |
2 & 3 |
|
Note: Pins designated should be in the closed position. | ||||||||
|
CPU SPEED SELECTION (CX 6X86MX) | ||||||||
|
CPU speed |
Clock speed |
Multiplier |
JP8 |
JP9 |
JP10 |
JP14 |
JP16 |
JP17 |
|
166MHz |
60MHz |
2.5x |
2 & 3 |
2 & 3 |
1 & 2 |
2 & 3 |
2 & 3 |
2 & 3 |
|
200MHz |
66MHz |
2.5x |
2 & 3 |
2 & 3 |
1 & 2 |
2 & 3 |
2 & 3 |
1 & 2 |
|
233MHz |
66MHz |
3x |
1 & 2 |
2 & 3 |
1 & 2 |
2 & 3 |
2 & 3 |
1 & 2 |
|
233MHz |
75MHz |
2.5x |
2 & 3 |
2 & 3 |
1 & 2 |
1 & 2 |
2 & 3 |
2 & 3 |
|
266MHz |
75MHz |
3x |
1 & 2 |
2 & 3 |
1 & 2 |
1 & 2 |
2 & 3 |
2 & 3 |
|
Note: Pins designated should be in the closed position. | ||||||||
|
CPU SPEED SELECTION (IBM 6X86MX) | ||||||||
|
CPU speed |
Clock speed |
Multiplier |
JP8 |
JP9 |
JP10 |
JP14 |
JP16 |
JP17 |
|
166MHz |
60MHz |
2.5x |
2 & 3 |
2 & 3 |
1 & 2 |
2 & 3 |
2 & 3 |
2 & 3 |
|
200MHz |
66MHz |
2.5x |
2 & 3 |
2 & 3 |
1 & 2 |
2 & 3 |
2 & 3 |
1 & 2 |
|
233MHz |
66MHz |
3x |
1 & 2 |
2 & 3 |
1 & 2 |
2 & 3 |
2 & 3 |
1 & 2 |
|
233MHz |
75MHz |
2.5x |
2 & 3 |
2 & 3 |
1 & 2 |
1 & 2 |
2 & 3 |
2 & 3 |
|
266MHz |
75MHz |
3x |
1 & 2 |
2 & 3 |
1 & 2 |
1 & 2 |
2 & 3 |
2 & 3 |
|
Note: Pins designated should be in the closed position. | ||||||||
|
CPU SPEED SELECTION (AM K5) | ||||||||
|
CPU speed |
Clock speed |
Multiplier |
JP8 |
JP9 |
JP10 |
JP14 |
JP16 |
JP17 |
|
90MHz |
60MHz |
1.5x |
1 & 2 |
1 & 2 |
1 & 2 |
2 & 3 |
2 & 3 |
2 & 3 |
|
100MHz |
66MHz |
1.5x |
1 & 2 |
1 & 2 |
1 & 2 |
2 & 3 |
2 & 3 |
1 & 2 |
|
120MHz |
60MHz |
2x |
2 & 3 |
1 & 2 |
1 & 2 |
2 & 3 |
2 & 3 |
2 & 3 |
|
133MHz |
66MHz |
2x |
2 & 3 |
1 & 2 |
1 & 2 |
2 & 3 |
2 & 3 |
1 & 2 |
|
150MHz |
60MHz |
2.5x |
2 & 3 |
2 & 3 |
1 & 2 |
2 & 3 |
2 & 3 |
2 & 3 |
|
166MHz |
66MHz |
2.5x |
2 & 3 |
2 & 3 |
1 & 2 |
2 & 3 |
2 & 3 |
1 & 2 |
|
Note: Pins designated should be in the closed position. | ||||||||
|
CPU SPEED SELECTION (AM K6) | ||||||||
|
CPU speed |
Clock speed |
Multiplier |
JP8 |
JP9 |
JP10 |
JP14 |
JP16 |
JP17 |
|
166MHz |
66MHz |
2.5x |
2 & 3 |
2 & 3 |
1 & 2 |
2 & 3 |
2 & 3 |
1 & 2 |
|
200MHz |
66MHz |
3x |
1 & 2 |
2 & 3 |
1 & 2 |
2 & 3 |
2 & 3 |
1 & 2 |
|
233MHz |
66MHz |
3.5x |
1 & 2 |
1 & 2 |
1 & 2 |
2 & 3 |
2 & 3 |
1 & 2 |
|
Note: Pins designated should be in the closed position. | ||||||||
|
CPU SPEED SELECTION (INTEL) | ||||||||
|
CPU speed |
Clock speed |
Multiplier |
JP8 |
JP9 |
JP10 |
JP14 |
JP16 |
JP17 |
|
90MHz |
60MHz |
1.5x |
1 & 2 |
1 & 2 |
1 & 2 |
2 & 3 |
2 & 3 |
2 & 3 |
|
100MHz |
66MHz |
1.5x |
1 & 2 |
1 & 2 |
1 & 2 |
2 & 3 |
2 & 3 |
1 & 2 |
|
120MHz |
60MHz |
2x |
2 & 3 |
1 & 2 |
1 & 2 |
2 & 3 |
2 & 3 |
2 & 3 |
|
133MHz |
66MHz |
2x |
2 & 3 |
1 & 2 |
1 & 2 |
2 & 3 |
2 & 3 |
1 & 2 |
|
150MHz |
60MHz |
2.5x |
2 & 3 |
2 & 3 |
1 & 2 |
2 & 3 |
2 & 3 |
2 & 3 |
|
166MHz |
66MHz |
2.5x |
2 & 3 |
2 & 3 |
1 & 2 |
2 & 3 |
2 & 3 |
1 & 2 |
|
200MHz |
66MHz |
3x |
1 & 2 |
2 & 3 |
1 & 2 |
2 & 3 |
2 & 3 |
1 & 2 |
|
233MHz |
66MHz |
3.5x |
1 & 2 |
1 & 2 |
1 & 2 |
2 & 3 |
2 & 3 |
1 & 2 |
|
Note: Pins designated should be in the closed position. | ||||||||
|
CPU SPEED SELECTION (INTEL MMX) | ||||||||
|
CPU speed |
Clock speed |
Multiplier |
JP8 |
JP9 |
JP10 |
JP14 |
JP16 |
JP17 |
|
166MHz |
66MHz |
2.5x |
2 & 3 |
2 & 3 |
1 & 2 |
2 & 3 |
2 & 3 |
1 & 2 |
|
200MHz |
66MHz |
3x |
1 & 2 |
2 & 3 |
1 & 2 |
2 & 3 |
2 & 3 |
1 & 2 |
|
233MHz |
66MHz |
3.5x |
1 & 2 |
1 & 2 |
1 & 2 |
2 & 3 |
2 & 3 |
1 & 2 |
|
Note: Pins designated should be in the closed position. | ||||||||
|
CPU VOLTAGE SELECTION (SINGLE) | |
|
Voltage |
J3 |
|
3.3v |
Pins 3 & 4 closed |
|
3.54v |
Pins 1 & 2 closed |
|
CPU VOLTAGE SELECTION (DUAL) | ||||
|
V core |
J4/pins 1 & 2 |
J4/pins 3 & 4 |
J4/pins 5 & 6 |
J4/pins 7 & 8 |
|
2.14v |
Closed |
Open |
Open |
Open |
|
2.24v |
Open |
Closed |
Open |
Open |
|
2.54v |
Closed |
Open |
Closed |
Open |
|
2.84v |
Open |
Open |
Open |
Closed |
|
2.94v |
Closed |
Open |
Open |
Closed |
|
3.24v |
Open |
Open |
Closed |
Closed |
|
3.34v |
Closed |
Open |
Closed |
Closed |
|
3.54v |
Closed |
Closed |
Closed |
Closed |