ELITEGROUP COMPUTER SYSTEMS, INC.

P5TX-AR

Processor

CX 6X86/CX 686MX/IBM 6X86/IBM 686MX/AM K5/AM K6/Pentium

Processor Speed

75/90/100/120/133/150/166/200/233MHz

Chip Set

Intel

Video Chip Set

ATI

Maximum Onboard Memory

256MB (EDO supported)

Maximum Video Memory

4MB

Cache

256/512KB

BIOS

Award

Dimensions

305mm x 244mm

I/O Options

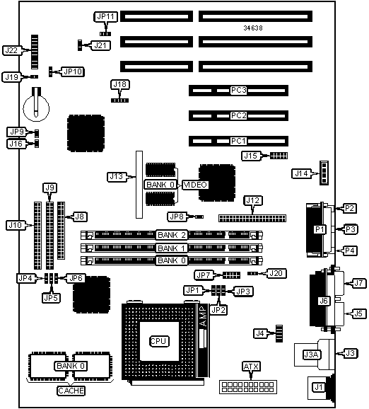
32-bit PCI slots (3), floppy drive interface, game port, green PC connector, IDE interfaces (2), parallel port, PS/2 mouse port, serial ports (2), VGA feature connector, VGA port, IR connector, USB connectors (2), ATX power connector, microphone in, line in, line out, TV out connector, audio in – CD-ROM

NPU Options

None

CONNECTIONS

Purpose

Location

Purpose

Location

ATX power connector

ATX

Soft off power supply

J19

PS/2 mouse port

J1

CPU fan power

J20

USB connector

J3

Intrusion connector

J21

USB connector

J3A

Power LED

J22/pins 2 & 3

Serial port 2

J4

Green PC connector

J22/pins 4 & 5

Serial port 1

J5

Turbo switch

J22/pins 6 & 7

Parallel port

J6

Reset switch

J22/pins 9 & 10

VGA port

J7

Keylock

J22/pins 11 - 15

Floppy drive interface

J8

Speaker

J22/pins 17 - 20

IDE interface 2

J9

Green PC LED

JP9

IDE interface 1

J10

Wake on modem connector

JP11

VGA feature connector

J12

Game port

P1

Audio in – CD-ROM

J14

Microphone in

P2

TV out connector

J15

Line in

P3

IDE interface LED

J16

Line out

P4

IR connector

J18

32-bit PCI slots

PC1 – PC3

USER CONFIGURABLE SETTINGS

Function

Label

Position

»

Factory configured - do not alter

JP1

Unidentified

»

On board video enabled

JP8

Open

 

On board video disabled

JP8

Closed

»

CMOS memory normal operation

JP10

Pins 2 & 3 closed

 

CMOS memory clear

JP10

Pins 1 & 2 closed

DIMM CONFIGURATION

Size

Bank 0

Bank 1

Bank 2

8MB

(1) 1M x 64

None

None

16MB

(1) 2M x 64

None

None

16MB

(1) 1M x 64

(1) 1M x 64

None

24MB

(1) 2M x 64

(1) 1M x 64

None

24MB

(1) 1M x 64

(1) 1M x 64

(1) 1M x 64

32MB

(1) 4M x 64

None

None

32MB

(1) 2M x 64

(1) 2M x 64

None

40MB

(1) 4M x 64

(1) 1M x 64

None

48MB

(1) 4M x 64

(1) 2M x 64

None

48MB

(1) 2M x 64

(1) 2M x 64

(1) 2M x 64

64MB

(1) 8M x 64

None

None

64MB

(1) 4M x 64

(1) 4M x 64

None

72MB

(1) 8M x 64

(1) 1M x 64

None

80MB

(1) 8M x 64

(1) 2M x 64

None

DIMM CONFIGURATION (CON’T)

Size

Bank 0

Bank 1

Bank 2

96MB

(1) 8M x 64

(1) 4M x 64

None

96MB

(1) 4M x 64

(1) 4M x 64

(1) 4M x 64

128MB

(1) 16M x 64

None

None

128MB

(1) 8M x 64

(1) 8M x 64

None

136MB

(1) 16M x 64

(1) 1M x 64

None

144MB

(1) 16M x 64

(1) 2M x 64

None

160MB

(1) 16M x 64

(1) 4M x 64

None

192MB

(1) 16M x 64

(1) 8M x 64

None

256MB

(1) 16M x 64

(1) 16M x 64

None

Note: Board accepts EDO memory. Bank 2 will not accept any module larger than 32MB.

CACHE CONFIGURATION

Size

Bank 0

256KB

(2) 32K x 32

512KB

(2) 64K x 32

VIDEO MEMORY CONFIGURATION

Size

Bank 0

J13

2MB

2MB

Not Installed

4MB

2MB

2MB module installed

CPU SPEED SELECTION (CX 6X86)

CPU speed

Clock speed

Multiplier

JP2

JP3

JP4

JP5

JP6

120MHz

50MHz

2x

1 & 2

2 & 3

N/A

N/A

N/A

133MHz

55MHz

2x

1 & 2

2 & 3

2 & 3

1 & 2

2 & 3

150MHz

60MHz

2x

1 & 2

2 & 3

1 & 2

1 & 2

2 & 3

166MHz

66MHz

2x

1 & 2

2 & 3

1 & 2

1 & 2

1 & 2

200MHz

75MHz

2x

1 & 2

2 & 3

2 & 3

1 & 2

1 & 2

Note: Pins designated should be in the closed position.

CPU SPEED SELECTION (CX 6X86MX)

CPU speed

Clock speed

Multiplier

JP2

JP3

JP4

JP5

JP6

150MHz

75MHz

2x

1 & 2

2 & 3

2 & 3

1 & 2

1 & 2

Note: Pins designated should be in the closed position.

CPU SPEED SELECTION (IBM 6X86)

CPU speed

Clock speed

Multiplier

JP2

JP3

JP4

JP5

JP6

120MHz

50MHz

2x

1 & 2

2 & 3

N/A

N/A

N/A

133MHz

55MHz

2x

1 & 2

2 & 3

2 & 3

1 & 2

2 & 3

150MHz

60MHz

2x

1 & 2

2 & 3

1 & 2

1 & 2

2 & 3

166MHz

66MHz

2x

1 & 2

2 & 3

1 & 2

1 & 2

1 & 2

200MHz

75MHz

2x

1 & 2

2 & 3

2 & 3

1 & 2

1 & 2

Note: Pins designated should be in the closed position.

CPU SPEED SELECTION (IBM 6X86MX)

CPU speed

Clock speed

Multiplier

JP2

JP3

JP4

JP5

JP6

150MHz

75MHz

2x

1 & 2

2 & 3

2 & 3

1 & 2

1 & 2

Note: Pins designated should be in the closed position.

CPU SPEED SELECTION (AM K5)

CPU speed

Clock speed

Multiplier

JP2

JP3

JP4

JP5

JP6

75MHz

50MHz

1.5x

1 & 2

1 & 2

N/A

N/A

N/A

90MHz

60MHz

1.5x

1 & 2

1 & 2

1 & 2

1 & 2

2 & 3

100MHz

66MHz

1.5x

1 & 2

1 & 2

1 & 2

1 & 2

1 & 2

120MHz

60MHz

1.5x

1 & 2

1 & 2

1 & 2

1 & 2

2 & 3

133MHz

66MHz

1.5x

1 & 2

1 & 2

1 & 2

1 & 2

1 & 2

150MHz

60MHz

2x

1 & 2

2 & 3

1 & 2

1 & 2

2 & 3

166MHz

66MHz

2x

1 & 2

2 & 3

1 & 2

1 & 2

1 & 2

Note: Pins designated should be in the closed position.

CPU SPEED SELECTION (AM K6)

CPU speed

Clock speed

Multiplier

JP2

JP3

JP4

JP5

JP6

200MHz

66MHz

3x

2 & 3

1 & 2

1 & 2

1 & 2

1 & 2

233MHz

66MHz

3.5x

1 & 2

1 & 2

1 & 2

1 & 2

1 & 2

Note: Pins designated should be in the closed position.

CPU SPEED SELECTION (INTEL)

CPU speed

Clock speed

Multiplier

JP2

JP3

JP4

JP5

JP6

75MHz

50MHz

1.5x

1 & 2

1 & 2

N/A

N/A

N/A

90MHz

60MHz

1.5x

1 & 2

1 & 2

1 & 2

1 & 2

2 & 3

100MHz

66MHz

1.5x

1 & 2

1 & 2

1 & 2

1 & 2

1 & 2

120MHz

60MHz

2x

1 & 2

2 & 3

1 & 2

1 & 2

2 & 3

133MHz

66MHz

2x

1 & 2

2 & 3

1 & 2

1 & 2

1 & 2

150MHz

60MHz

2.5x

2 & 3

2 & 3

1 & 2

1 & 2

2 & 3

166MHz

66MHz

2.5x

2 & 3

2 & 3

1 & 2

1 & 2

1 & 2

200MHz

66MHz

3x

2 & 3

1 & 2

1 & 2

1 & 2

1 & 2

233MHz

66MHz

3.5x

1 & 2

1 & 2

1 & 2

1 & 2

1 & 2

Note: Pins designated should be in the closed position.

CPU VOLTAGE SELECTION

Voltage

JP7

2.5v

Pins 9 & 10 closed

2.8v

Pins 7 & 8 closed

2.9v

Pins 5 & 6 closed

3.2v

Pins 3 & 4 closed

3.3v

Pins 1 & 2 closed