DIAMOND FLOWER, INC.

586IVX/S (REV. A+)

Device Type

Mainboard

Processor

CX 6X86/AM K5/Pentium/Pentium MMX

Processor Speed

75/90/100/120/133/150/166/200MHz

Chip Set

Intel

Video Chip Set

None

Maximum Onboard Memory

128MB (EDO & SDRAM supported)

Maximum Video Memory

None

Cache

256/512KB

BIOS

Award

Dimensions

305mm x 230mm

I/O Options

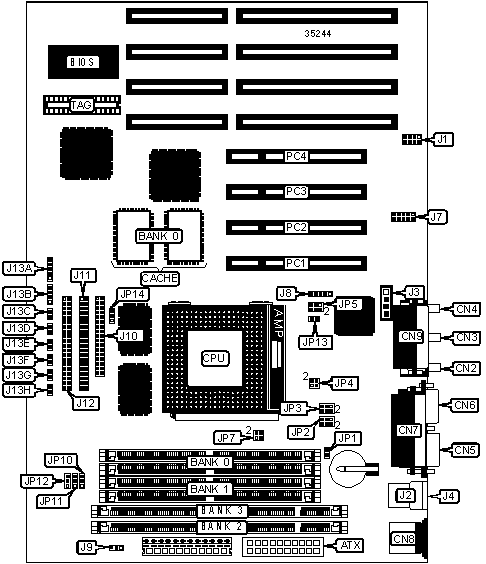
32-bit PCI slots (4), floppy drive interface, game/MIDI port, green PC connector, IDE interfaces (2), parallel port, PS/2 mouse port, serial ports (2), IR connector, USB connectors (2), ATX power connector, line in, line out, microphone in, wavetable connector, audio in – CD-ROM, modem connector

NPU Options

None

CONNECTIONS

Purpose

Location

Purpose

Location

ATX power connector

ATX

IR connector

J8

Line out

CN2

Chassis fan power

J9

Line in

CN3

Floppy drive interface

J10

Microphone in

CN4

IDE interface 1

J11

Serial port 2

CN5

IDE interface 2

J12

Serial port 1

CN6

Power LED & keylock

J13A

Parallel port

CN7

Speaker

J13B

PS/2 mouse port

CN8

Reset switch

J13C

Game/MIDI port

CN9

Green PC connector

J13D

Wavetable connector

J1

Soft off power supply

J13E

USB connector 1

J2

Green PC LED

J13F

USB connector 2

J4

IDE interface LED

J13G

Audio in – CD-ROM

J3

ATX LED

J13H

Modem connector

J7

32-bit PCI slots

PC1 – PC4

USER CONFIGURABLE SETTINGS

Function

Label

Position

»

CMOS memory normal operation

JP1

Closed

 

CMOS memory clear

JP1

Open

»

Password normal operation

JP13

Open

Password clear

JP13

Closed

SIMM CONFIGURATION

Size

Bank 0

Bank 1

8MB

(2) 1M x 36

None

16MB

(2) 2M x 36

None

16MB

(2) 1M x 36

(2) 1M x 36

24MB

(2) 2M x 36

(2) 1M x 36

32MB

(2) 4M x 36

None

32MB

(2) 2M x 36

(2) 2M x 36

40MB

(2) 4M x 36

(2) 1M x 36

48MB

(2) 4M x 36

(2) 2M x 36

64MB

(2) 8M x 36

None

64MB

(2) 4M x 36

(2) 4M x 36

72MB

(2) 8M x 36

(2) 1M x 36

80MB

(2) 8M x 36

(2) 2M x 36

96MB

(2) 8M x 36

(2) 4M x 36

128MB

(2) 8M x 36

(2) 8M x 36

Note: Board accepts EDO memory.

DIMM CONFIGURATION

Size

Bank 0

Bank 1

8MB

(1) 1M x 64

None

16MB

(1) 2M x 64

None

16MB

(1) 1M x 64

(1) 1M x 64

24MB

(1) 2M x 64

(1) 1M x 64

32MB

(1) 4M x 64

None

32MB

(1) 2M x 64

(1) 2M x 64

40MB

(1) 4M x 64

(1) 1M x 64

48MB

(1) 4M x 64

(1) 2M x 64

64MB

(1) 8M x 64

None

64MB

(1) 4M x 64

(1) 4M x 64

72MB

(1) 8M x 64

(1) 1M x 64

80MB

(1) 8M x 64

(1) 2M x 64

96MB

(1) 8M x 64

(1) 4M x 64

128MB

(1) 8M x 64

(1) 8M x 64

Note: Board accepts SDRAM memory.

MEMORY TYPE SELECTION

Type

JP14

»

SIMMs installed

Pins 1 & 2 closed

 

DIMMs installed

Pins 2 & 3 closed

CACHE CONFIGURATION

Size

Bank 0

TAG

256KB

(2) 32K x 32

Unidentified

512KB

(2) 64K x 32

Unidentified

CPU SPEED SELECTION (CX 6X86)

CPU speed

Clock speed

Multiplier

JP5

JP10

JP11

JP12

120MHz

50MHz

2x

2 & 4, 3 & 5

1 & 2

1 & 2

1 & 2

133MHz

55MHz

2x

2 & 4, 3 & 5

2 & 3

1 & 2

1 & 2

150MHz

60MHz

2x

2 & 4, 3 & 5

1 & 2

2 & 3

1 & 2

166MHz

66MHz

2x

2 & 4, 3 & 5

1 & 2

1 & 2

2 & 3

Note: Pins designated should be in the closed position.

CPU SPEED SELECTION (AM K5)

CPU speed

Clock speed

Multiplier

JP5

JP10

JP11

JP12

75MHz

50MHz

1.5x

1 & 3, 2 & 4

1 & 2

1 & 2

1 & 2

90MHz

60MHz

1.5x

1 & 3, 2 & 4

1 & 2

2 & 3

1 & 2

100MHz

66MHz

1.5x

1 & 3, 2 & 4

1 & 2

1 & 2

2 & 3

120MHz

60MHz

1.5x

1 & 3, 2 & 4

1 & 2

2 & 3

1 & 2

133MHz

66MHz

1.5x

1 & 3, 2 & 4

1 & 2

1 & 2

2 & 3

166MHz

66MHz

1.75x

3 & 5, 4 & 6

1 & 2

1 & 2

2 & 3

Note: Pins designated should be in the closed position.

CPU SPEED SELECTION (INTEL)

CPU speed

Clock speed

Multiplier

JP5

JP10

JP11

JP12

75MHz

50MHz

1.5x

1 & 3, 2 & 4

1 & 2

1 & 2

1 & 2

90MHz

60MHz

1.5x

1 & 3, 2 & 4

1 & 2

2 & 3

1 & 2

100MHz

66MHz

1.5x

1 & 3, 2 & 4

1 & 2

1 & 2

2 & 3

120MHz

60MHz

2x

2 & 4, 3 & 5

1 & 2

2 & 3

1 & 2

133MHz

66MHz

2x

2 & 4, 3 & 5

1 & 2

1 & 2

2 & 3

150MHz

60MHz

2.5x

3 & 5, 4 & 6

1 & 2

2 & 3

1 & 2

166MHz

66MHz

2.5x

3 & 5, 4 & 6

1 & 2

1 & 2

2 & 3

200MHz

66MHz

3x

1 & 3, 4 & 6

1 & 2

1 & 2

2 & 3

Note: Pins designated should be in the closed position.

CPU SPEED SELECTION (INTEL MMX)

CPU speed

Clock speed

Multiplier

JP5

JP10

JP11

JP12

166MHz

66MHz

2.5x

3 & 5, 4 & 6

1 & 2

1 & 2

2 & 3

200MHz

66MHz

3x

1 & 3, 4 & 6

1 & 2

1 & 2

2 & 3

Note: Pins designated should be in the closed position.

CPU VOLTAGE SELECTION

Voltage

JP2

JP3

JP4

JP7

 

2.7v

1 & 3, 2 & 4

1 & 2

3 & 4

Open

 

2.8v

1 & 3, 2 & 4

3 & 4

3 & 4

Open

 

2.9v

1 & 3, 2 & 4

5 & 6

3 & 4

Open

»

3.3v

3 & 5, 4 & 6

3 & 4

3 & 4

1 & 2, 3 & 4

 

3.5v

3 & 5, 4 & 6

3 & 4

1 & 2

1 & 2, 3 & 4

Note: Pins designated should be in the closed position.