DIAMOND FLOWER, INC.

586IVX (REV. 2+)

Device Type

Mainboard

Processor

CX 6X86/AM K5/Pentium/Pentium MMX

Processor Speed

75/90/100/120/133/150/166/200MHz

Chip Set

Intel

Video Chip Set

None

Maximum Onboard Memory

128MB (EDO supported)

Maximum Video Memory

None

Cache

256KB

BIOS

Award

Dimensions

305mm x 230mm

I/O Options

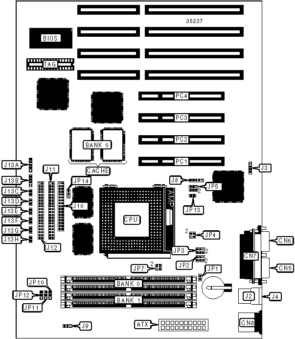
32-bit PCI slots (4), floppy drive interface, green PC connector, IDE interfaces (2), parallel port, PS/2 mouse port, serial ports (2), IR connector, USB connectors (2), ATX power connector

NPU Options

None

CONNECTIONS

Purpose

Location

Purpose

Location

ATX power connector

ATX

IDE interface 2

J12

Serial port 2

CN5

Power LED & keylock

J13A

Serial port 1

CN6

Speaker

J13B

Parallel port

CN7

Reset switch

J13C

PS/2 mouse port

CN8

Green PC connector

J13D

USB connector 1

J2

Soft off power supply

J13E

USB connector 2

J4

Green PC LED

J13F

IR connector

J8

IDE interface LED

J13G

Chassis fan power

J9

ATX LED

J13H

Floppy drive interface

J10

32-bit PCI slots

PC1 - PC4

IDE interface 1

J11

 

 

USER CONFIGURABLE SETTINGS

Function

Label

Position

»

Factory configured - do not alter

J3

Unidentified

»

CMOS memory normal operation

JP1

Open

 

CMOS memory clear

JP1

Closed

»

Password normal operation

JP13

Open

 

Password clear

JP13

Closed

»

Factory configured - do not alter

JP14

Unidentified

SIMM CONFIGURATION

Size

Bank 0

Bank 1

8MB

(2) 1M x 36

None

16MB

(2) 2M x 36

None

16MB

(2) 1M x 36

(2) 1M x 36

24MB

(2) 2M x 36

(2) 1M x 36

32MB

(2) 4M x 36

None

32MB

(2) 2M x 36

(2) 2M x 36

40MB

(2) 4M x 36

(2) 1M x 36

48MB

(2) 4M x 36

(2) 2M x 36

64MB

(2) 8M x 36

None

64MB

(2) 4M x 36

(2) 4M x 36

72MB

(2) 8M x 36

(2) 1M x 36

80MB

(2) 8M x 36

(2) 2M x 36

96MB

(2) 8M x 36

(2) 4M x 36

128MB

(2) 8M x 36

(2) 8M x 36

Note: Board accepts EDO memory.

CACHE CONFIGURATION

Size

Bank 0

TAG

256KB

(2) 32K x 32

Unidentified

CPU SPEED SELECTION (CX 6X86)

CPU speed

Clock speed

Multiplier

JP5

JP10

JP11

JP12

120MHz

50MHz

2x

2 & 4, 3 & 5

1 & 2

1 & 2

1 & 2

133MHz

55MHz

2x

2 & 4, 3 & 5

2 & 3

1 & 2

1 & 2

150MHz

60MHz

2x

2 & 4, 3 & 5

1 & 2

2 & 3

1 & 2

166MHz

66MHz

2x

2 & 4, 3 & 5

1 & 2

1 & 2

2 & 3

Note: Pins designated should be in the closed position.

CPU SPEED SELECTION (AM K5)

CPU speed

Clock speed

Multiplier

JP5

JP10

JP11

JP12

75MHz

50MHz

1.5x

1 & 3, 2 & 4

1 & 2

1 & 2

1 & 2

90MHz

60MHz

1.5x

1 & 3, 2 & 4

1 & 2

2 & 3

1 & 2

100MHz

66MHz

1.5x

1 & 3, 2 & 4

1 & 2

1 & 2

2 & 3

120MHz

60MHz

1.5x

1 & 3, 2 & 4

1 & 2

2 & 3

1 & 2

133MHz

66MHz

1.5x

1 & 3, 2 & 4

1 & 2

1 & 2

2 & 3

166MHz

66MHz

1.75x

3 & 5, 4 & 6

1 & 2

1 & 2

2 & 3

Note: Pins designated should be in the closed position.

CPU SPEED SELECTION (INTEL)

CPU speed

Clock speed

Multiplier

JP5

JP10

JP11

JP12

75MHz

50MHz

1.5x

1 & 3, 2 & 4

1 & 2

1 & 2

1 & 2

90MHz

60MHz

1.5x

1 & 3, 2 & 4

1 & 2

2 & 3

1 & 2

100MHz

66MHz

1.5x

1 & 3, 2 & 4

1 & 2

1 & 2

2 & 3

120MHz

60MHz

2x

2 & 4, 3 & 5

1 & 2

2 & 3

1 & 2

133MHz

66MHz

2x

2 & 4, 3 & 5

1 & 2

1 & 2

2 & 3

150MHz

60MHz

2.5x

3 & 5, 4 & 6

1 & 2

2 & 3

1 & 2

166MHz

66MHz

2.5x

3 & 5, 4 & 6

1 & 2

1 & 2

2 & 3

200MHz

66MHz

3x

1 & 3, 4 & 6

1 & 2

1 & 2

2 & 3

Note: Pins designated should be in the closed position.

CPU SPEED SELECTION (INTEL MMX)

CPU speed

Clock speed

Multiplier

JP5

JP10

JP11

JP12

166MHz

66MHz

2.5x

3 & 5, 4 & 6

1 & 2

1 & 2

2 & 3

200MHz

66MHz

3x

1 & 3, 4 & 6

1 & 2

1 & 2

2 & 3

Note: Pins designated should be in the closed position.

CPU VOLTAGE SELECTION

Voltage

JP2

JP3

JP4

JP7

 

2.7v

1 & 3, 2 & 4

1 & 2

3 & 4

Open

 

2.8v

1 & 3, 2 & 4

3 & 4

3 & 4

Open

 

2.9v

1 & 3, 2 & 4

5 & 6

3 & 4

Open

»

3.3v

3 & 5, 4 & 6

3 & 4

3 & 4

1 & 2, 3 & 4

 

3.5v

3 & 5, 4 & 6

3 & 4

1 & 2

1 & 2, 3 & 4

Note: Pins designated should be in the closed position.