DELL COMPUTER CORPORATION
DIMENSION XPS HXXX
|
Processor |
Pentium II |
|
Processor Speed |
233/266MHz |
|
Chip Set |
Intel |
|
Video Chip Set |
None |
|
Maximum Onboard Memory |
128MB (EDO supported) |
|
Maximum Video Memory |
None |
|
Cache |
512KB (located on Pentium II CPU) |
|
BIOS |
Unidentified |
|
Dimensions |
305mm x 244mm |
|
I/O Options |
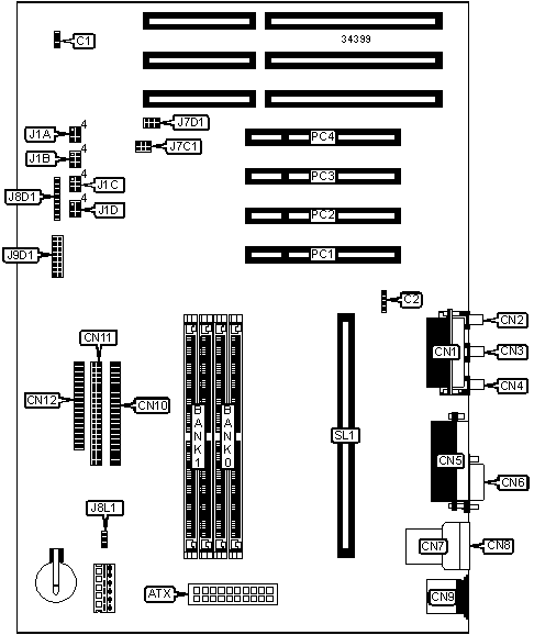
32-bit PCI slots (4), floppy drive interface, IDE interfaces (2), parallel port, PS/2 mouse port, serial ports (2), USB connectors (2), ATX power connector, line in, line out, microphone in, game/MIDI port, CPU Slot 1, CD-ROM audio in |
|
NPU Options |
None |
|
CONNECTIONS | |||
|
Purpose |
Location |
Purpose |
Location |
|
ATX power connector |
ATX |
IDE interface 2 |
CN10 |
|
CD-ROM audio in |
C2 |
IDE interface 1 |
CN11 |
|
Game/MIDI port |
CN1 |
Floppy drive interface |
CN12 |
|
Microphone in |
CN2 |
Wavetable connector |
J7C1 |
|
Line in |
CN3 |
Wavetable connector |
J7D1 |
|
Line out |
CN4 |
SCSI interface LED |
J8D1 |
|
Serial port |
CN5 |
Chassis fan power |
J8L1 |
|
Parallel port |
CN6 |
Front panel connector |
J9D1 |
|
USB connector |
CN7 |
32-bit PCI slots |
PC1 – PC4 |
|
USB connector |
CN8 |
CPU Slot 1 |
SL1 |
|
PS/2 mouse port |
CN9 | ||
|
USER CONFIGURABLE SETTINGS | |||
|
Function |
Label |
Position | |
|
» |
Factory configured - do not alter |
C1 |
Unidentified |
|
» |
Factory configured - do not alter |
J1A |
Pins 5 & 6 closed |
|
» |
CMOS memory normal operation |
J1C |
Pins 5 & 6 closed |
|
CMOS memory clear |
J1C |
Pins 4 & 5 closed | |
|
» |
Password enabled |
J1D |
Pins 2 & 3 closed |
|
|
Password disabled |
J1D |
Pins 1 & 2 closed |
|
» |
Setup access enabled |
J1D |
Pins 5 & 6 closed |
|
Setup access disabled |
J1D |
Pins 4 & 5 closed | |
|
DRAM CONFIGURATION | ||
|
Size |
Bank 0 |
Bank 1 |
|
8MB |
(2) 1M x 32 |
None |
|
16MB |
(2) 2M x 32 |
None |
|
16MB |
(2) 1M x 32 |
(2) 1M x 32 |
|
24MB |
(2) 2M x 32 |
(2) 1M x 32 |
|
32MB |
(2) 4M x 32 |
None |
|
32MB |
(2) 2M x 32 |
(2) 2M x 32 |
|
40MB |
(2) 4M x 32 |
(2) 1M x 32 |
|
48MB |
(2) 4M x 32 |
(2) 2M x 32 |
|
64MB |
(2) 8M x 32 |
None |
|
64MB |
(2) 4M x 32 |
(2) 4M x 32 |
|
72MB |
(2) 8M x 32 |
(2) 1M x 32 |
|
80MB |
(2) 8M x 32 |
(2) 2M x 32 |
|
96MB |
(2) 8M x 32 |
(2) 4M x 32 |
|
128MB |
(2) 8M x 32 |
(2) 8M x 32 |
|
Note: Board accepts EDO memory. | ||
|
CACHE CONFIGURATION |
|
Note: 512KB cache is located on the Pentium II CPU. |
|
CPU SPEED SELECTION | |||
|
CPU speed |
J1A |
J1B |
J1C |
|
233MHz |
Pins 2 & 3 closed |
Pins 2 & 3, 5 & 6 closed |
Pins 2 & 3 closed |
|
266MHz |
Pins 1 & 2 closed |
Pins 2 & 3, 5 & 6 closed |
Pins 2 & 3 closed |