COMPAQ COMPUTER CORPORATION

DESKPRO 386s (Model 002116)

Processor

80386SX

Processor Speed

16MHz

Chip Set

Compaq

Max. Onboard DRAM

12MB

Cache

None

BIOS

Compaq

Dimensions

332mm x 333mm

I/O Options

VGA feature connector, floppy drive interface, IDE interface, proprietary system memory card slot, parallel port, serial port, VGA port, bus mouse

NPU Options

80387SX

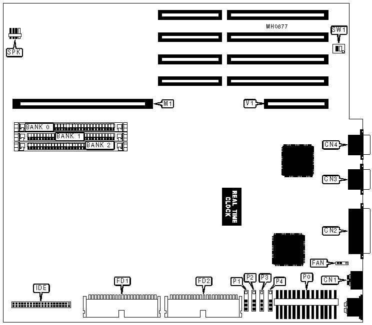
CONNECTIONS

Purpose

Location

Purpose

Location

Bus mouse port

CN1

IDE interface

IDE

Parallel port

CN2

Proprietary system memory card

M1

Serial port

CN3

Speaker

SPK

VGA port

CN4

Main power

P0

Fan power

FAN

Drive power plugs

P1-P4

3.5 inch floppy drive interface

FD1

VGA feature connector

V1

5.25 inch floppy drive interface

FD2

   

USER CONFIGURABLE SETTINGS

Function

Switch

Position

»

VGA port enabled

SW1/1

On

 

VGA port disabled

SW1/1

Off

»

Password enabled

SW1/2

On

 

Password disabled

SW1/2

Off

DRAM CONFIGURATION

Size

Bank 0

Bank 1

Bank 2

1MB

1M x 9

NONE

NONE

2MB

1M x 9

1M x 9

NONE

3MB

1M x 9

1M x 9

1M x 9

4MB

4M x 9

NONE

NONE

5MB

4M x 9

1M x 9

NONE

6MB

4M x 9

1M x 9

1M x 9

8MB

4M x 9

4M x 9

NONE

9MB

4M x 9

4M x 9

1M x 9

12MB

4M x 9

4M x 9

4M x 9