ACER, INC.

ACERALTOS 9100B

Device Type

Mainboard

Processor

Pentium II

Processor Speed

350/400MHz

Chip Set

Intel 440BX

Video Chip Set

Unidentified

Maximum Onboard Memory

512MB (EDO supported)

Maximum Video Memory

2MB

Cache

256/512KB (located on Pentium II CPU)

BIOS

Acer

Dimensions

305mm x 244mm

I/O Options

32-bit PCI slots (5), Ethernet 10BaseT connector, floppy drive interface, IDE interface, SCSI interface, Wide Ultra SCSI interface, PS/2 mouse port, serial ports (2), VGA port, USB connectors (2), ATX power connector, CPU slot

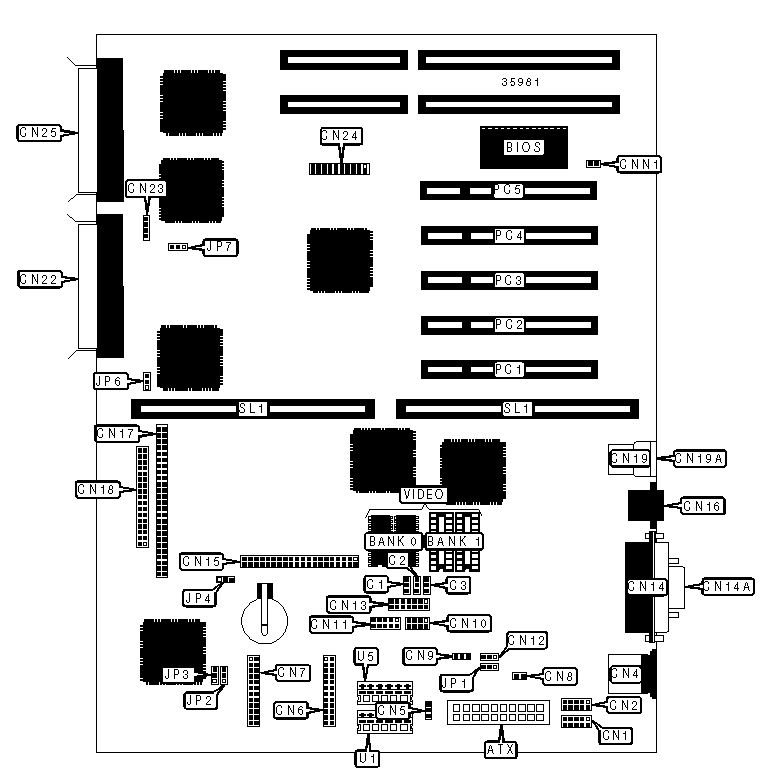
CONNECTIONS

Purpose

Location

Purpose

Location

ATX power connector

ATX

VGA port

CN14A

Chassis fan power

C1

IDE interface

CN15

Chassis fan power

C2

Ethernet 10BaseT connector

CN16

Chassis fan power

C3

SCSI interface

CN17

Serial port 1

CN1

Floppy drive interface

CN18

Serial port 2

CN2

USB connector 1

CN19

PS/2 mouse port

CN4

USB connector 2

CN19A

Software shutdown for 420 power

CN5

External SCSI interface

CN22

RDM connector

CN6

IDE interface LED

CN23

RDM connector

CN7

SMM connector

CN24

Soft off power supply

CN8

External SCSI interface

CN25

Software shutdown for 200 power

CN9

Chassis intrusion connector

CNN1

Power LED & keylock

CN10

32-bit PCI slots

PC1 - PC5

Redundant power supply connector

CN11

CPU slot

SL2

NMI signal connector

CN12

3.3v power

U1

LED connector

CN13

3.3v power

U5

Parallel port

CN14

USER CONFIGURABLE SETTINGS

Function

Label

Position

»

Factory configured - do not alter

JP1

Pins 1 & 2 closed

»

Factory configured - do not alter

JP2

Pins 1 & 2 closed

»

Password disabled

JP3

Pins 2 & 3 closed

 

Password enabled

JP3

Pins 1 & 2 closed

»

5v standby enabled

JP4

Pins 1 & 2 closed

 

5v standby disabled

JP4

Pins 2 & 3 closed

»

On board video enabled

JP7

Pins 1 & 2 closed

 

On board video disabled

JP7

Pins 2 & 3 closed

VIDEO MEMORY CONFIGURATION

Size

Bank 0

Bank 1

1MB

(2) 256K x 16

None

2MB

(2) 256K x 16

(2) 256K x 16

SCSI TERMINATON SELECTION

Setting

JP6

Termination enabled

Pins 1 & 2 closed

» Termination switchable through SCSI select utility

Pins 2 & 3 closed

CONNECTIONS

Purpose

Location

Purpose

Location

CPU2 fan power

CN1

CPU1 fan power

CN3

Thermal detection connector 2

CN2

Thermal detection connector 1

CN4

DIMM CONFIGURATION

Size

Bank 0

Bank 1

Bank 2

Bank 3

8MB

(1) 1M x 64

None

None

None

16MB

(1) 2M x 64

None

None

None

16MB

(1) 1M x 64

(1) 1M x 64

None

None

24MB

(1) 2M x 64

(1) 1M x 64

None

None

24MB

(1) 1M x 64

(1) 1M x 64

(1) 1M x 64

None

32MB

(1) 4M x 64

None

None

None

32MB

(1) 2M x 64

(1) 2M x 64

None

None

32MB

(1) 1M x 64

(1) 1M x 64

(1) 1M x 64

(1) 1M x 64

40MB

(1) 4M x 64

(1) 1M x 64

None

None

48MB

(1) 4M x 64

(1) 2M x 64

None

None

48MB

(1) 2M x 64

(1) 2M x 64

(1) 2M x 64

None

64MB

(1) 2M x 64

(1) 2M x 64

(1) 2M x 64

(1) 2M x 64

64MB

(1) 8M x 64

None

None

None

64MB

(1) 4M x 64

(1) 4M x 64

None

None

72MB

(1) 8M x 64

(1) 1M x 64

None

None

80MB

(1) 8M x 64

(1) 2M x 64

None

None

96MB

(1) 8M x 64

(1) 4M x 64

None

None

96MB

(1) 4M x 64

(1) 4M x 64

(1) 4M x 64

None

DIMM CONFIGURATION (CON'T)

Size

Bank 0

Bank 1

Bank 2

Bank 3

128MB

(1) 16M x 64

None

None

None

128MB

(1) 8M x 64

(1) 8M x 64

None

None

128MB

(1) 4M x 64

(1) 4M x 64

(1) 4M x 64

(1) 4M x 64

136MB

(1) 16M x 64

(1) 1M x 64

None

None

144MB

(1) 16M x 64

(1) 2M x 64

None

None

176MB

(1) 16M x 64

(1) 2M x 64

(1) 2M x 64

(1) 2M x 64

192MB

(1) 16M x 64

(1) 8M x 64

None

None

192MB

(1) 8M x 64

(1) 8M x 64

(1) 8M x 64

None

256MB

(1) 16M x 64

(1) 16M x 64

None

None

256MB

(1) 8M x 64

(1) 8M x 64

(1) 8M x 64

(1) 8M x 64

272MB

(1) 16M x 64

(1) 16M x 64

(1) 1M x 64

(1) 1M x 64

288MB

(1) 16M x 64

(1) 16M x 64

(1) 2M x 64

(1) 2M x 64

320MB

(1) 16M x 64

(1) 16M x 64

(1) 4M x 64

(1) 4M x 64

384MB

(1) 16M x 64

(1) 16M x 64

(1) 16M x 64

None

512MB

(1) 16M x 64

(1) 16M x 64

(1) 16M x 64

(1) 16M x 64

Note: Board accepts EDO memory.

CACHE CONFIGURATION

Note: 256KB/512KB cache is located on the Pentium II CPU.

CPU SPEED SELECTION

CPU speed

Clock speed

Multiplier

JP1A

JP1B

JP1C

JP1D

350MHz

100MHz

3.5x

1 & 2

2 & 3

2 & 3

1 & 2

400MHz

100MHz

4x

1 & 2

1 & 2

1 & 2

2 & 3

Note: Pins designated should be in the closed position.