A-TREND TECHNOLOGY CORPORATION
ATC-5020+
|
Device Type |
Mainboard |
|
Processor |
CX 6X86L/CX 6X86MX/AM K5/AM K6/Pentium/Pentium MMX |
|
Processor Speed |
120/133/150/166/180/200/233MHz |
|
Chip Set |
Intel 430TX |
|
Maximum Onboard Memory |
256MB (EDO & SDRAM supported) |
|
Cache |
512KB |
|
BIOS |
Award |
|
Dimensions |
305mm x 210mm |
|
I/O Options |
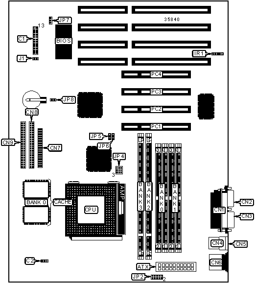
32-bit PCI slots (4), floppy drive interface, green PC connector, IDE interfaces (2), parallel port, PS/2 mouse port, serial ports (2), IR connector, USB connectors (2), ATX power connector |
|
CONNECTIONS | |||
|
Purpose |
Location |
Purpose |
Location |
|
ATX power connector |
ATX |
Parallel port |
CN3 |
|
Reset switch |
C1/pins 1 & 2 |
USB connector 1 |
CN4 |
|
Green PC connector |
C1/pins 4 & 5 |
USB connector 2 |
CN5 |
|
Turbo LED |
C1/pins 7 & 8 |
PS/2 mouse port |
CN6 |
|
IDE interface LED |
C1/pins 10 & 11 |
Floppy drive interface |
CN7 |
|
Speaker |
C1/pins 13 - 16 |
IDE interface 2 |
CN8 |
|
Power LED & keylock |
C1/pins 18 & 20 |
IDE interface 1 |
CN9 |
|
Chassis fan power |
C2 |
IR connector |
IR1 |
|
Serial port 1 |
CN1 |
Soft off power supply |
J1 |
|
Serial port 2 |
CN2 |
32-bit PCI slots |
PC1 - PC4 |
|
USER CONFIGURABLE SETTINGS | |||
|
Function |
Label |
Position | |
|
» |
Factory configured - do not alter |
JP7 |
Unidentified |
|
» |
CMOS memory normal operation |
JP8 |
Closed |
|
CMOS memory clear |
JP8 |
Open | |
|
SIMM CONFIGURATION | ||
|
Size |
Bank 0 |
Bank 1 |
|
8MB |
(2) 1M x 36 |
None |
|
16MB |
(2) 2M x 36 |
None |
|
16MB |
(2) 1M x 36 |
(2) 1M x 36 |
|
24MB |
(2) 2M x 36 |
(2) 1M x 36 |
|
32MB |
(2) 4M x 36 |
None |
|
32MB |
(2) 2M x 36 |
(2) 2M x 36 |
|
40MB |
(2) 4M x 36 |
(2) 1M x 36 |
|
48MB |
(2) 4M x 36 |
(2) 2M x 36 |
|
64MB |
(2) 8M x 36 |
None |
|
64MB |
(2) 4M x 36 |
(2) 4M x 36 |
|
72MB |
(2) 8M x 36 |
(2) 1M x 36 |
|
80MB |
(2) 8M x 36 |
(2) 2M x 36 |
|
96MB |
(2) 8M x 36 |
(2) 4M x 36 |
|
128MB |
(2) 8M x 36 |
(2) 8M x 36 |
|
128MB |
(2) 16M x 36 |
None |
|
SIMM CONFIGURATION (CON'T) | ||
|
Size |
Bank 0 |
Bank 1 |
|
136MB |
(2) 16M x 36 |
(2) 1M x 36 |
|
144MB |
(2) 16M x 36 |
(2) 2M x 36 |
|
160MB |
(2) 16M x 36 |
(2) 4M x 36 |
|
192MB |
(2) 16M x 36 |
(2) 8M x 36 |
|
256MB |
(2) 16M x 36 |
(2) 16M x 36 |
|
Note: Board accepts EDO memory. | ||
|
DIMM CONFIGURATION | ||
|
Size |
Bank 2 |
Bank 3 |
|
8MB |
(1) 1M x 64 |
None |
|
16MB |
(1) 2M x 64 |
None |
|
16MB |
(1) 1M x 64 |
(1) 1M x 64 |
|
24MB |
(1) 2M x 64 |
(1) 1M x 64 |
|
32MB |
(1) 4M x 64 |
None |
|
32MB |
(1) 2M x 64 |
(1) 2M x 64 |
|
40MB |
(1) 4M x 64 |
(1) 1M x 64 |
|
48MB |
(1) 4M x 64 |
(1) 2M x 64 |
|
64MB |
(1) 8M x 64 |
None |
|
64MB |
(1) 4M x 64 |
(1) 4M x 64 |
|
72MB |
(1) 8M x 64 |
(1) 1M x 64 |
|
80MB |
(1) 8M x 64 |
(1) 2M x 64 |
|
96MB |
(1) 8M x 64 |
(1) 4M x 64 |
|
128MB |
(1) 16M x 64 |
None |
|
128MB |
(1) 8M x 64 |
(1) 8M x 64 |
|
136MB |
(1) 16M x 64 |
(1) 1M x 64 |
|
144MB |
(1) 16M x 64 |
(1) 2M x 64 |
|
160MB |
(1) 16M x 64 |
(1) 4M x 64 |
|
192MB |
(1) 16M x 64 |
(1) 8M x 64 |
|
256MB |
(1) 16M x 64 |
(1) 16M x 64 |
|
Note: Board accepts SDRAM memory. | ||
|
CACHE CONFIGURATION | |
|
Size |
Bank 0 |
|
512KB |
(2) 64K x 32 |
|
CPU SPEED SELECTION (CX 6X86L) | |||||
|
CPU speed |
Clock speed |
Multiplier |
JP4 |
JP5 |
JP6 |
|
150MHz |
60MHz |
2x |
2 & 3, 4 & 5 |
1 & 2 |
2 & 3 |
|
166MHz |
66MHz |
2x |
2 & 3, 4 & 5 |
1 & 2 |
1 & 2 |
|
200MHz |
75MHz |
2x |
2 & 3, 4 & 5 |
2 & 3 |
1 & 2 |
|
Note: Pins designated should be in the closed position. | |||||
|
CPU SPEED SELECTION (CX 6X86MX) | |||||
|
CPU speed |
Clock speed |
Multiplier |
JP4 |
JP5 |
JP6 |
|
150MHz |
60MHz |
2x |
2 & 3, 4 & 5 |
1 & 2 |
2 & 3 |
|
166MHz |
66MHz |
2x |
2 & 3, 4 & 5 |
1 & 2 |
1 & 2 |
|
166MHz |
60MHz |
2.5x |
2 & 3, 5 & 6 |
1 & 2 |
2 & 3 |
|
200MHz |
66MHz |
2.5x |
2 & 3, 5 & 6 |
1 & 2 |
1 & 2 |
|
200MHz |
75MHz |
2x |
2 & 3, 4 & 5 |
2 & 3 |
1 & 2 |
|
Note: Pins designated should be in the closed position. | |||||
|
CPU SPEED SELECTION (AM K5) | |||||
|
CPU speed |
Clock speed |
Multiplier |
JP4 |
JP5 |
JP6 |
|
100MHz |
66MHz |
1.5x |
1 & 2, 4 & 5 |
1 & 2 |
1 & 2 |
|
120MHz |
60MHz |
1.5x |
1 & 2, 4 & 5 |
1 & 2 |
2 & 3 |
|
133MHz |
66MHz |
1.5x |
1 & 2, 4 & 5 |
1 & 2 |
1 & 2 |
|
166MHz |
66MHz |
2.5x |
2 & 3, 5 & 6 |
1 & 2 |
1 & 2 |
|
Note: Pins designated should be in the closed position. | |||||
|
CPU SPEED SELECTION (AM K6) | |||||
|
CPU speed |
Clock speed |
Multiplier |
JP4 |
JP5 |
JP6 |
|
166MHz |
66MHz |
2.5x |
2 & 3, 5 & 6 |
1 & 2 |
1 & 2 |
|
200MHz |
66MHz |
3x |
1 & 2, 5 & 6 |
1 & 2 |
1 & 2 |
|
233MHz |
66MHz |
3.5x |
1 & 2, 4 & 5 |
1 & 2 |
1 & 2 |
|
Note: Pins designated should be in the closed position. | |||||
|
CPU SPEED SELECTION (INTEL) | |||||
|
CPU speed |
Clock speed |
Multiplier |
JP4 |
JP5 |
JP6 |
|
120MHz |
60MHz |
2x |
2 & 3, 4 & 5 |
1 & 2 |
2 & 3 |
|
133MHz |
66MHz |
2x |
2 & 3, 4 & 5 |
1 & 2 |
1 & 2 |
|
150MHz |
60MHz |
2.5x |
2 & 3, 5 & 6 |
1 & 2 |
2 & 3 |
|
166MHz |
66MHz |
2.5x |
2 & 3, 5 & 6 |
1 & 2 |
1 & 2 |
|
180MHz |
60MHz |
3x |
1 & 2, 5 & 6 |
1 & 2 |
2 & 3 |
|
200MHz |
66MHz |
3x |
1 & 2, 5 & 6 |
1 & 2 |
1 & 2 |
|
Note: Pins designated should be in the closed position. | |||||
|
CPU SPEED SELECTION (INTEL MMX) | |||||
|
CPU speed |
Clock speed |
Multiplier |
JP4 |
JP5 |
JP6 |
|
166MHz |
66MHz |
2.5x |
2 & 3, 5 & 6 |
1 & 2 |
1 & 2 |
|
200MHz |
66MHz |
3x |
1 & 2, 5 & 6 |
1 & 2 |
1 & 2 |
|
233MHz |
66MHz |
3.5x |
1 & 2, 4 & 5 |
1 & 2 |
1 & 2 |
|
Note: Pins designated should be in the closed position. | |||||
|
CPU TYPE SELECTION | |
|
Type |
JP2 |
|
AM K5 |
Pins 1 & 2 closed |
|
AM K6 |
Pins 7 & 8 closed |
|
AM K6-233 |
Pins 5 & 6 closed |
|
CX 6X86L |
Pins 9 & 10 closed |
|
CX 6X86MX |
Pins 7 & 8 closed |
|
Intel MMX |
Pins 9 & 10 closed |
|
Intel STD |
Pins 3 & 4 closed |
|
Intel VRE |
Pins 1 & 2 closed |