ATC/UNITRON COMPUTER & COMPUTER PARTS

486SL

Processor

CCX486M6/X486M7/AM486SXL/AM486SX(PLUS)/80486SX/AM486DXL/ 80486DX/ 80486DX2/AM486DX4(PLUS)/80486DX4/P23S/P24D/Pentium Overdrive

Processor Speed

25/33/40/50(internal)/50/66(internal)/75(internal)/80(internal)/100(internal)/ 120(internal)MHz

Chip Set

SIS

Max. Onboard DRAM

128MB

Cache

None

BIOS

AMI/Award

Dimensions

220mm x 220mm

I/O Options

Floppy drive interface, green PC connector, IDE interface, parallel port, serial ports (2), VGA feature connector, VGA port, riser slot

NPU Options

None

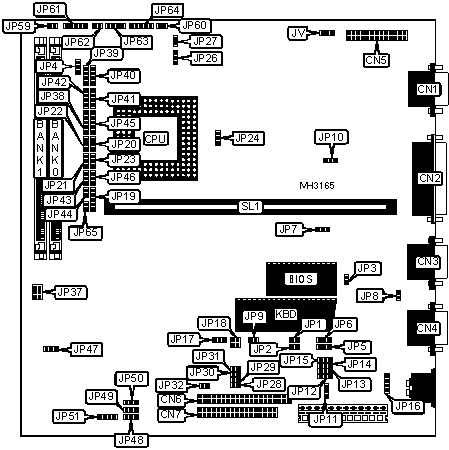
CONNECTIONS

Purpose

Location

Purpose

Location

VGA port

CN1

Green PC connector

JP59

Parallel port

CN2

IDE interface LED

JP60

Serial port 2

CN3

Turbo LED

JP61 pins 1 & 2

Serial port 1

CN4

Turbo switch

JP61 pins 3 & 4

VGA feature connector

CN5

Reset switch

JP62

IDE interface

CN6

Speaker

JP63

Floppy drive interface

CN7

Power LED & keylock

JP64

External battery

JP16

Riser Card

SL1

Green PC connector

JP51

 

 

USER CONFIGURABLE SETTINGS

Function

Jumper

Position

 

PS/2 mouse enabled

JP3

Closed

 

PS/2 mouse disabled

JP3

Open

»

Power good signal detect from power supply

JP4

pins 1 & 2 closed

 

Power good signal detect from board

JP4

pins 2 & 3 closed

»

VGA BIOS enabled

JP7

pins 1 & 2 closed

 

VGA BIOS disabled

JP7

pins 2 & 3 closed

»

Factory configured - do not alter

JP8

N/A

 

Monitor type select color

JP9

Closed

 

Monitor type select monochrome

JP9

Open

»

On board VGA enabled

JP10

pins 1 & 2 closed

 

On board VGA disabled

JP10

pins 2 & 3 closed

»

CMOS memory normal operation

JP11

pins 1 & 2 closed

 

CMOS memory clear

JP11

pins 2 & 3 closed

»

ECP DRQ enabled

JP12

pins 1 & 2 closed

 

ECP DRQ disabled

JP12

pins 2 & 3 closed

»

ECP A10 enabled

JP15

pins 1 & 2 closed

 

ECP A10 disabled

JP15

pins 2 & 3 closed

»

Parallel port IRQ select IRQ7

JP17

pins 2 & 3 closed

 

Parallel port IRQ select IRQ5

JP17

pins 1 & 2 closed

»

Serial port IRQ select IRQ4

JP18

pins 3 & 4 closed

 

Serial port IRQ select IRQ3

JP18

pins 1 & 2 closed

»

Factory configured - do not alter

JP24

N/A

 

CPU voltage regulator type select auto

JP27

Closed

 

CPU voltage regulator type select manual

JP27

Open

»

IDE interface enabled

JP32

Open

 

IDE interface disabled

JP32

Closed

»

CPU clock = CLKIN

JP47

pins 1 & 2 closed

 

CPU clock delayed for CLKIN

JP47

pins 2 & 3 closed

»

Internal clock select CLKIN

JP50

pins 1 & 2 closed

 

Internal clock select 1/2 CLKIN

JP50

pins 2 & 3 closed

»

Factory configured - do not alter

JP65

N/A

»

Factory configured - do not alter

JV

N/A

DRAM CONFIGURATION

Size

Bank 0

Bank 1

1MB

(1) 256K x 36

NONE

2MB

(1) 256K x 36

(1) 256K x 36

2MB

(1) 512K x 36

NONE

3MB

(1) 512K x 36

(1) 256K x 36

3MB

(1) 256K x 36

(1) 512K x 36

4MB

(1) 512K x 36

(1) 512K x 36

4MB

(1) 1M x 36

NONE

5MB

(1) 1M x 36

(1) 256K x 36

5MB

(1) 256K x 36

(1) 1M x 36

6MB

(1) 1M x 36

(1) 512K x 36

6MB

(1) 512K x 36

(1) 1M x 36

8MB

(1) 1M x 36

(1) 1M x 36

8MB

(1) 2M x 36

NONE

9MB

(1) 2M x 36

(1) 256K x 36

9MB

(1) 256K x 36

(1) 2M x 36

10MB

(1) 2M x 36

(1) 512K x 36

10MB

(1) 512K x 36

(1) 2M x 36

12MB

(1) 2M x 36

(1) 1M x 36

12MB

(1) 1M x 36

(1) 2M x 36

16MB

(1) 2M x 36

(1) 2M x 36

16MB

(1) 4M x 36

NONE

17MB

(1) 4M x 36

(1) 256K x 36

17MB

(1) 256K x 36

(1) 4M x 36

18MB

(1) 4M x 36

(1) 512K x 36

18MB

(1) 512K x 36

(1) 4M x 36

20MB

(1) 4M x 36

(1) 1M x 36

20MB

(1) 1M x 36

(1) 4M x 36

24MB

(1) 4M x 36

(1) 2M x 36

24MB

(1) 2M x 36

(1) 4M x 36

32MB

(1) 4M x 36

(1) 4M x 36

32MB

(1) 8M x 36

NONE

33MB

(1) 8M x 36

(1) 256K x 36

33MB

(1) 256K x 36

(1) 8M x 36

34MB

(1) 8M x 36

(1) 512K x 36

34MB

(1) 512K x 36

(1) 8M x 36

36MB

(1) 8M x 36

(1) 1M x 36

36MB

(1) 1M x 36

(1) 8M x 36

40MB

(1) 8M x 36

(1) 2M x 36

40MB

(1) 2M x 36

(1) 8M x 36

48MB

(1) 8M x 36

(1) 4M x 36

48MB

(1) 4M x 36

(1) 8M x 36

64MB

(1) 8M x 36

(1) 8M x 36

64MB

(1) 16M x 36

NONE

DRAM CONFIGURATION (CON'T)

Size

Bank 0

Bank 1

65MB

(1) 16M x 36

(1) 256K x 36

65MB

(1) 256K x 36

(1) 16M x 36

66MB

(1) 16M x 36

(1) 512K x 36

66MB

(1) 512K x 36

(1) 16M x 36

68MB

(1) 16M x 36

(1) 1M x 36

68MB

(1) 1M x 36

(1) 16M x 36

72MB

(1) 16M x 36

(1) 2M x 36

72MB

(1) 2M x 36

(1) 16M x 36

80MB

(1) 16M x 36

(1) 4M x 36

80MB

(1) 4M x 36

(1) 16M x 36

96MB

(1) 16M x 36

(1) 8M x 36

96MB

(1) 8M x 36

(1) 16M x 36

128MB

(1) 16M x 36

(1) 16M x 36

CPU TYPE CONFIGURATION

Type

JP19

JP20

JP21

JP22

JP23

CX486M6

N/A

2 & 3

1 & 2

2 & 3

N/A

AM486SXL

1 & 2

N/A

2 & 3

2 & 3

N/A

AM486SX(PLUS)

4 & 5

N/A

1 & 2

2 & 3

2 & 3

80486SX

1 & 2

N/A

1 & 2

2 & 3

N/A

AM486DXL

1 & 2

N/A

2 & 3

2 & 3

N/A

CX486M7

N/A

2 & 3

1 & 2

2 & 3

N/A

80486DX

1 & 2

N/A

1 & 2

2 & 3

N/A

80486DX2

1 & 2

N/A

1 & 2

2 & 3

N/A

AM486DX4(PLUS)

4 & 5

N/A

1 & 2

2 & 3

2 & 3

80486DX4

1 & 2

N/A

1 & 2

2 & 3

N/A

P23S

1 & 2

N/A

1 & 2

2 & 3

N/A

P24D

2 & 3

1 & 2

1 & 2

1 & 2

1 & 2

P24T

1 & 2

1 & 2

1 & 2

1 & 2

N/A

Note: Pins designated should be in the closed position.

CPU TYPE CONFIGURATION (CON'T)

Type

JP38

JP39

JP40

JP41

JP42

CX486M6

2 & 3

2 & 3

N/A

1 & 2

2 & 3

AM486SXL

N/A

3 & 4

1 & 2

3 & 4

2 & 3

AM486SX(PLUS)

4 & 5

N/A

N/A

2 & 3

2 & 3

80486SX

4 & 5

N/A

N/A

2 & 3

2 & 3

AM486DXL

N/A

3 & 4

1 & 2, 3 & 4

3 & 4

1 & 2, 3 & 4

CX486M7

2 & 3

2 & 3

3 & 4

1 & 2

1 & 2, 3 & 4

80486DX

4 & 5

N/A

3 & 4

2 & 3

1 & 2, 3 & 4

80486DX2

4 & 5

N/A

3 & 4

2 & 3

1 & 2, 3 & 4

AM486DX4(PLUS)

4 & 5

N/A

3 & 4

2 & 3

1 & 2, 3 & 4

80486DX4

4 & 5

N/A

3 & 4

2 & 3

1 & 2, 3 & 4

P23S

4 & 5

N/A

3 & 4

2 & 3

2 & 3

P24D

4 & 5

N/A

3 & 4

2 & 3

1 & 2, 3 & 4

P24T

1 & 2

1 & 2

2 & 3

2 & 3

1 & 2, 3 & 4

Note: Pins designated should be in the closed position.

CPU TYPE CONFIGURATION (CON'T)

Type

JP43

JP44

JP45

JP46

JP48

JP49

CX486M6

N/A

N/A

2 & 3

N/A

N/A

N/A

AM486SXL

N/A

N/A

4 & 5

N/A

N/A

N/A

AM486SX(PLUS)

N/A

N/A

3 & 4

N/A

N/A

N/A

80486SX

N/A

N/A

3 & 4

N/A

2 & 3

1 & 2

AM486DXL

N/A

N/A

4 & 5

N/A

1 & 2

2 & 3

CX486M7

N/A

N/A

2 & 3

N/A

1 & 2

2 & 3

80486DX

2 & 3

N/A

3 & 4

N/A

2 & 3

1 & 2

80486DX2

2 & 3

N/A

3 & 4

N/A

2 & 3

1 & 2

AM486DX4(PLUS)

2 & 3

N/A

3 & 4

N/A

1 & 2

1 & 2

80486DX4

1 & 2

N/A

3 & 4

N/A

2 & 3

1 & 2

P23S

N/A

N/A

3 & 4

N/A

N/A

N/A

P24D

1 & 2, or 2 & 3

N/A

1 & 2, 3 & 4

N/A

1 & 2

1 & 2

P24T

N/A

N/A

3 & 4

1 & 2, or 2 & 3

1 & 2

1 & 2

Note: Pins designated should be in the closed position. This board also accepts SL-series CPUs & am486dxl2, but no jumper settings are listed.

CPU SPEED CONFIGURATION

Speed

JP37

25MHz

pins 1 & 2, 5 & 6 closed

33MHz

pins 1 & 2, 3 & 4 closed

40MHz

pins 5 & 6 closed

50iMHz

pins 1 & 2, 5 & 6 closed

50MHz

pins 3 & 4 closed

66iMHz

pins 1 & 2, 3 & 4 closed

75iMHz

pins 1 & 2, 5 & 6 closed

80iMHz

pins 5 & 6 closed

100iMHz

pins 1 & 2, 3 & 4 closed

120iMHz

pins 5 & 6 closed

CPU VOLTAGE CONFIGURATION

Voltage

JP26

Auto detect

Open

3.3v

pins 2 & 3 closed

5v

pins 1 & 2 closed

DMA CONFIGURATION

DMA

JP13

JP14

»

DMA 1

pins 2 & 3 closed

pins 2 & 3 closed

»

DMA 3

pins 1 & 2 closed

pins 1 & 2 closed

FLOPPY ENHANCED MODE CONFIGURATION

Setting

JP28

JP29

»

Enabled

Closed

Closed

»

Disabled

Open

Open

KEYBOARD CONFIGURATION

Type

JP1

JP2

JP5

JP6

AT

Open

Open

pins 2 & 3 closed

pins 2 & 3 closed

PS/2

Closed

Closed

pins 1 & 2 closed

pins 1 & 2 closed

MEDIA DETECT CONFIGURATION

Setting

JP30

JP31

»

Enabled

Closed

Closed

»

Disabled

Open

Open

MISCELLANEOUS TECHNICAL NOTE

Note: The location of pin 1 is unidentified.