TERRATEC PROFIMEDIA

SOUNDSYSTEM MAESTRO 16/96

Card Type

Sound card

Chip Set

Unidentified

Maximum Onboard Memory

None

I/O Options

Audio in (2), audio out (2), CD-ROM audio (3), CD-ROM interface, game/MIDI port, microphone in (2), volume, wavetable

Data Bus

16-bit ISA

Floppy drives supported

None

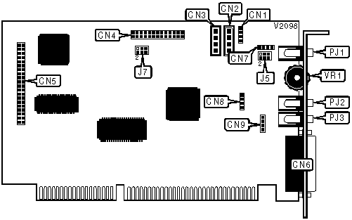
CONNECTIONS

Function

Label

Function

Label

Sony CD - audio in

CN1

Audio in

CN8

Panasonic/IDE CD - audio in

CN2

Mic in

CN9

Mitsumi CD - audio in

CN3

Audio out

PJ1

Wavetable

CN4

Audio in

PJ2

IDE CD-ROM interface

CN5

Mic in

PJ3

Game/MIDI port

CN6

Volume

VR1

Audio out

CN7

   

USER CONFIGURABLE SETTINGS

Function

Label

Position

Preamplifier enabled

J5

Pins 1 & 3, 2 & 4 closed

Preamplifier disabled

J5

Pins 3 & 5, 4 & 6 closed

Internal wavetable

J7

Pins 1 & 3, 2 & 4 closed

External wavetable

J7

Pins 3 & 5, 4 & 6 closed