QUATECH, INC.

BCA-100

Card Type

Serial/Parallel interface

Chipset/Controller

Zilog

I/O Options

Serial/Parallel port

Maximum DRAM

N/A

CONNECTIONS

Purpose

Location

Purpose

Location

DB-25 serial/parallel port

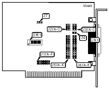
CN1

Standy clock output

J4

BASE MEMORY ADDRESS SELECT

Address

SW1/1

SW1/2

SW1/3

SW1/4

SW1/5

SW1/6

27Xh

Off

On

On

Off

Off

Off

2EXh

Off

On

Off

Off

Off

On

2FXh

Off

On

Off

Off

Off

Off

37Xh

Off

Off

On

Off

Off

Off

3EXh

Off

Off

Off

Off

Off

On

3FXh

Off

Off

Off

Off

Off

Off

CLOCK SPEED SELECT

Divide by

J7

1

Pins 1 & 2 closed

2

Pins 2 & 3 closed

DTE/DCE CONFIGURATION

Jumper

J5 (DTE)

J6 (DCE)

A

On

Off

B

On

Off

C

On

Off

D

On

Off

E

On

Off

F

Off

Off

G

On

On

H

On

Off

I

Off

Off

J

On

Off

K

Off

Off

INTERRUPT SELECT

IRQ

J1/A

J1/B

J1/C

J1/D

J1/E

J1/F

IRQ2

Closed

Open

Open

Open

Open

Open

IRQ3

Open

Closed

Open

Open

Open

Open

IRQ4

Open

Open

Closed

Open

Open

Open

IRQ5

Open

Open

Open

Closed

Open

Open

IRQ6

Open

Open

Open

Open

Closed

Open

IRQ7

Open

Open

Open

Open

Open

Closed

RECEIVE CLOCK SOURCE

Source

J3/A

J3/B

J3/C

TXCA clock

On

Off

Off

RXCi external clock

Off

On

Off

CLKA

Off

Off

On

TRANSMIT CLOCK SOURCE

Source

J2/A

J2/B

J2/C

RXCA clock

On

Off

Off

TXCi external clock

Off

On

Off

CLKB

Off

Off

On