GTEK, INC.

SMARTCARD-8

Card Type

Serial card

Chip Set

Unidentified

Maximum Onboard Memory

Unidentified

I/O Options

Serial ports (8 RS-232)

Hard Drives supported

None

Floppy drives supported

None

Data Bus

16-bit ISA

Card Size

Half-length, full-height card

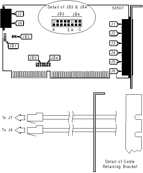
CONNECTIONS

Function

Label

Function

Label

Serial port via RJ-45 connector

J1

Serial port via RJ-45 connector

J5

Serial port via RJ-45 connector

J2

Serial port via RJ-45 connector

J6

Serial port via RJ-45 connector

J3

Serial port via RJ-45 connector

J7

Serial port via RJ-45 connector

J4

Serial port via RJ-45 connector

J8

BASE I/O ADDRESS SELECT

Setting

JB4/A

JB4/B

JB4/C

2E0h

Open

Open

Open

2E4h

Closed

Open

Open

210h

Open

Closed

Open

214h

Closed

Closed

Open

218h

Open

Open

Closed

21Ch

Closed

Open

Closed

220h

Open

Closed

Closed

N/A

Closed

Closed

Closed

SERIAL PORT INTERRUPT SELECTION

IRQ

JB3

IRQ2

JP3/E closed

IRQ3

JP3/D closed

IRQ5

JP3/C closed

IRQ10

JP3/B closed

IRQ12

JP3/A closed

MISCELLANEOUS TECHNICAL NOTES

To configure Guardian Watchdog™ system:

a) Plug supplied jumper cable onto bottom two pins of JB1 and plug other end onto reset jumper of mother-board.

b) Plug reset button cable onto top two pins of JB1.