CREATIVE LABS, INC.

VIBRA 16

Card Type

Sound card

Chip Set

Unidentified

Maximum Onboard Memory

Unidentified

I/O Options

Game/MIDI port, CD-ROM audio in (2), microphone in, line in, line out, speaker out, wavetable connector, PC speaker connector

Data Bus

16-bit ISA

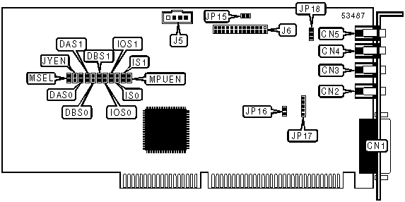
CONNECTIONS

Function

Label

Function

Label

Game/MIDI port

CN1

Line in

CN5

Speaker out

CN2

Audio in - CD-ROM

J5

Line out

CN3

Feature connector

J6

Microphone in

CN4

PC speaker connector

JP15

USER CONFIGURABLE SETTINGS

Function

Label

Position

»

Factory configured - do not alter

JP16

Closed

»

Factory configured - do not alter

JP17

Unidentified

»

Factory configured - do not alter

JP18

Unidentified

»

MPU I/O address 330h

MSEL

Closed

 

MPU I/O address 300h

MSEL

Open

»

MPU-401 enabled

MPUEN

Closed

 

MPU-401 disabled

MPUEN

Open

»

Joystick enabled

JYEN

Closed

 

Joystick disabled

JYEN

Open

BASE I/O ADDRESS

Setting

IOS0

IOS1

»

220h

Closed

Closed

 

240h

Open

Closed

 

260h

Closed

Open

 

280h

Open

Open

LOW DMA CHANNEL SELECTION

Setting

DAS0

DAS1

 

DMA 0

Closed

Closed

»

DMA 1

Open

Closed

 

DMA 3

Closed

Open

 

Low DMA disabled

Open

Open

HIGH DMA CHANNEL SELECTION

Setting

DBS0

DBS1

»

DMA 5

Closed

Closed

 

DMA 6

Open

Closed

 

DMA 7

Closed

Open

 

Low DMA selected

Open

Open

INTERRUPT SELECTION

IRQ

IS0

IS1

 

2

Closed

Closed

»

5

Open

Closed

 

7

Closed

Open

 

10

Open

Open