DIGI INTERNATIONAL, INC.

MC/4I+, MC/8I+ (RS-232 VERSION)

Card Type

Serial

Processor

80C186

Processor Speed

Unidentified

Chipset

Unidentified

Maximum Onboard Memory

256KB dual-ported RAM

I/O Options

Serial ports (5 for MC/4i+, 9 for MC/8i+)

Data Bus

MCA

Card Size

Full height, full length

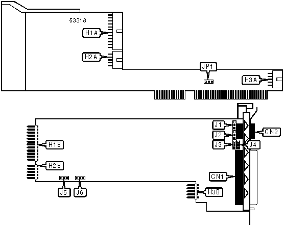
CONNECTIONS

Function

Label

Function

Label

RS-232 asynchronous serial ports via DB-78 connector

CN1

Header to H2B

H2A

RS-232 synchronous serial port via RJ-45 connector

CN2

Header to H2A

H2B

Header to H1B

H1A

Header to H3B

H3A

Header to H1A

H1B

Header to H3A

H3B

Note:Standard serial ports are provided on an included adapter cable.

USER CONFIGURABLE SETTINGS

Setting

Label

Position

 

Pin 10 of synchronous port is receive/transmit clock signal A

J1

Pins 1 & 2 closed

 

Pin 10 of synchronous port is DCD signal

J1

Pins 2 & 3 closed

 

Pin 1 of synchronous port is transmit/receive clock signal

J2

Pins 1 & 2 closed

 

Pin 1 of synchronous port is sync B signal

J2

Pins 2 & 3 closed

»

Shared memory window is 32KB

JP1

Pins 2 & 3 closed

 

Shared memory window is 128KB

JP1

Pins 1 & 2 closed

EPROM SIZE SELECTION

Setting

J5

J6

16KB

Pins 1 & 2 closed

Pins 1 & 2 closed

32KB

Pins 1 & 2 closed

Pins 1 & 2 closed

64KB

Pins 1 & 2 closed

Pins 2 & 3 closed

128KB

Pins 2 & 3 closed

Pins 2 & 3 closed

SYNCHRONOUS PORT PIN 2 CONFIGURATION

Setting

J3

J4

DSR signal

Pins 1 & 2 closed

Pins 1 & 2 closed

Sync A signal

Pins 2 & 3 closed

Pins 2 & 3 closed