DIGI INTERNATIONAL, INC.

MC/4I, MC/8I (PART NO. 30001224)

Card Type

Serial

Processor

80C186

Processor Speed

Unidentified

Chipset

Unidentified

Maximum Onboard Memory

256KB dual-ported RAM

I/O Options

Serial ports (4 for MC/4i, 8 for MC/8i)

Data Bus

MCA

Card Size

Full height, full length

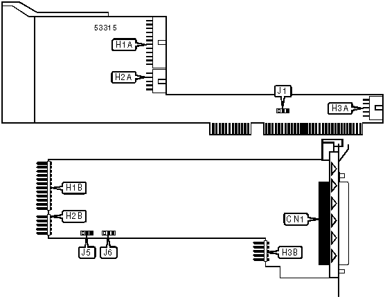
CONNECTIONS

Function

Label

Function

Label

RS-232, RS-422, or RS-485 serial ports via DB-78 connector

CN1

Header to H2A

H2B

Header to H1B

H1A

Header to H3B

H3A

Header to H1A

H1B

Header to H3A

H3B

Header to H2B

H2A

   

Note:Standard serial ports are provided on an included adapter cable.

The types of serial ports provided are configured at the factory and are not user-configurable.

USER CONFIGURABLE SETTINGS

Setting

Label

Position

»

Shared memory window is 32KB

J1

Pins 2 & 3 closed

 

Shared memory window is 128KB

J1

Pins 1 & 2 closed

EPROM SIZE SELECTION

Setting

J5

J6

16KB

Pins 1 & 2 closed

Pins 1 & 2 closed

32KB

Pins 1 & 2 closed

Pins 1 & 2 closed

64KB

Pins 1 & 2 closed

Pins 2 & 3 closed

128KB

Pins 2 & 3 closed

Pins 2 & 3 closed

Note:On RS-422 versions of this board, the jumpers are labeled J3 and J4, respectively.