AZTECH LABS, INC.
PCI 338-A3D (VER. 0.2)
|
Card Type |
Sound card |
|
Chip Set |
Unidentified |
|
I/O Options |
Line in, microphone in, line out, game/MIDI port, audio in - CD-ROM, TAD connector, auxiliary connector, video connector |
|
Data Bus |
32-bit PCI |
|
Card Size |
Half-length, half-height card |
|
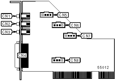
CONNECTIONS | |||
|
Function |
Label |
Function |
Label |
|
Line in |
CN1 |
Audio in - CD-ROM |
CN5 |
|
Microphone in |
CN2 |
TAD connector |
CN6 |
|
Line out |
CN3 |
Auxiliary line out |
CN7 |
|
Game/MIDI port |
CN4 |
Video connector |
CN8 |