AMERICAN DATA AQUISITION CORPORATION

5508BG

Card Type

Data Aquisition

Chip Set

Unidentified

Maximum Onboard Memory

Unidentified

I/O Options

Analog input, digital input

Hard Drives supported

None

Floppy drives supported

None

Data Bus

8-bit ISA

Card Size

Three-quarter length

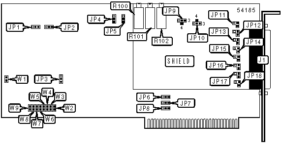
CONNECTIONS

Function

Label

Function

Label

37-pin analog/digital signals connector

J1

Bipolar offset selector

R101

Unipolar offset selector

R100

A/D converter range selector

R102

USER CONFIGURABLE SETTINGS

Function

Label

Position

»

Two's compliment data coding

JP1

Pins 1 & 2 closed

 

Straight binary data coding

JP1

Pins 2 & 3 closed

»

Sign extend data coding

JP2

Pins 1 & 2 closed

 

Zero extend data coding

JP2

Pins 2 & 3 closed

»

On-board oscillator

JP3

Pins 2 & 3 closed

 

Exterior hardware trigger

JP3

Pins 1 & 2 closed

»

Scan disabled

W1

Open

 

Scan enabled

W1

Closed

A/D RANGE SELECTION

Polarity

Voltage

JP4

JP5

Bipolar

+ 5V

Pins 1 & 2 closed

Pins 1 & 2 closed

Unipolar

0-10V

Pins 1 & 2 closed

Pins 2 & 3 closed

Bipolar

+ 10V

Pins 2 & 3 closed

Pins 1 & 2 closed

EXCITATION & BRIDGE POWER VOLTAGE

V EXC

Vb

JP9

JP10

 

+2.5V

5V

Pins 1 & 2 closed

Pins 2 & 3 closed

»

+2.5V

12V

Pins 2 & 3 closed

Pins 2 & 3 closed

 

+2.5V

15V external

Pins 2 & 4 closed

Pins 2 & 3 closed

 

5V

12V

Pins 2 & 3 closed

Pins 2 & 4 closed

 

5V

15V external

Pins 2 & 4 closed

Pins 2 & 4 closed

 

10V

15V external

Pins 2 & 4 closed

Pins 1 & 2 closed

CHANNEL 0 INPUT BRIDGE CONFIGURATION

Setting

JP11

»

Quarter bridge

Pins 1 & 2 closed

 

Full bridge

Pins 2 & 3 closed

 

Half bridge

Open

CHANNEL 1 INPUT BRIDGE CONFIGURATION

Setting

JP12

»

Quarter bridge

Pins 1 & 2 closed

 

Full bridge

Pins 2 & 3 closed

 

Half bridge

Open

CHANNEL 2 INPUT BRIDGE CONFIGURATION

Setting

JP13

»

Quarter bridge

Pins 1 & 2 closed

 

Full bridge

Pins 2 & 3 closed

 

Half bridge

Open

CHANNEL 3 INPUT BRIDGE CONFIGURATION

Setting

JP14

»

Quarter bridge

Pins 1 & 2 closed

 

Full bridge

Pins 2 & 3 closed

 

Half bridge

Open

CHANNEL 4 INPUT BRIDGE CONFIGURATION

Setting

JP15

»

Quarter bridge

Pins 1 & 2 closed

 

Full bridge

Pins 2 & 3 closed

 

Half bridge

Open

CHANNEL 5 INPUT BRIDGE CONFIGURATION

Setting

JP16

»

Quarter bridge

Pins 1 & 2 closed

 

Full bridge

Pins 2 & 3 closed

 

Half bridge

Open

CHANNEL 6 INPUT BRIDGE CONFIGURATION

Setting

JP17

»

Quarter bridge

Pins 1 & 2 closed

 

Full bridge

Pins 2 & 3 closed

 

Half bridge

Open

CHANNEL 7 INPUT BRIDGE CONFIGURATION

Setting

JP18

»

Quarter bridge

Pins 1 & 2 closed

 

Full bridge

Pins 2 & 3 closed

 

Half bridge

Open

BASE I/O ADDRESS SELECTION

Setting

W9

W8

W7

W6

W5

W4

W3

W2

 

000h

Open

Open

Open

Open

Open

Open

Open

Open

 

004h

Open

Open

Open

Open

Open

Open

Open

Closed

 

008h

Open

Open

Open

Open

Open

Open

Closed

Open

 

00Ch

Open

Open

Open

Open

Open

Open

Closed

Closed

 

010h

Open

Open

Open

Open

Open

Closed

Open

Open

»

110h

Open

Closed

Open

Open

Open

Closed

Open

Open

 

3ECh

Closed

Closed

Closed

Closed

Closed

Open

Closed

Closed

 

3F0h

Closed

Closed

Closed

Closed

Closed

Closed

Open

Open

 

3F4h

Closed

Closed

Closed

Closed

Closed

Closed

Open

Closed

 

3F8h

Closed

Closed

Closed

Closed

Closed

Closed

Closed

Open

 

3FCh

Closed

Closed

Closed

Closed

Closed

Closed

Closed

Closed

Note:

A total of 256 base address settings are available. The jumpers are a binary representation of the decimal memory addresses. W9 is the Most Significant Bit and jumper W2 is the Least Significant Bit. The jumpers have the following decimal values: W9=512, W8=256, W7=128, W6=64, W5=32, W4=16, W3=8, W2=4. Turn off the switches and add the values of the switches to obtain the correct memory address. (Close=1, Open=0)

IRQ INTERRUPT SELECTION

IRQ

JP6

JP7

JP8

»

Disabled

Open

Open

Open

 

IRQ2

Open

Open

Pins 1 & 2 closed

 

IRQ3

Open

Pins 1 & 2 closed

Open

 

IRQ4

Pins 1 & 2 closed

Open

Open

 

IRQ5

Open

Open

Pins 2 & 3 closed

 

IRQ6

Open

Pins 2 & 3 closed

Open

 

IRQ7

Pins 2 & 3 closed

Open

Open