WESTERN DIGITAL CORPORATION

WD1002-FOX

Data bus:

8-bit, ISA

Size:

Half-length, half-height card

Hard drive supported:

N/A

Floppy drives supported:

Two 360KB, 1.2MB drives or floppy tape drives

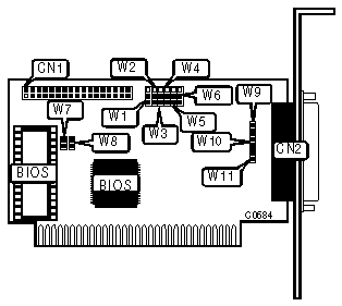
CONNECTIONS

Function

Location

34-pin connector - floppy drive internal

CN1

37-pin floppy disk drive port - external

CN2

USER CONFIGURABLE SETTINGS

Function

Location

Setting

Factory configured setting - do not alter

W3

pins 1 & 2 closed

Factory configured setting - do not alter

W4

pins 2 & 3 closed

Optional BIOS - enabled

W5

pins 1 & 2 closed

Optional BIOS - disabled

W5

pins 2 & 3 closed

Controller grounded to chassis

W6

pins 1 & 2 closed

Controller not grounded

W6

pins 2 & 3 closed

Dual speed spindle option - enabled

W7

closed

Dual speed spindle option - disabled

W7

open

Precompensation set to 187nsec

W8

closed

Precompensation set to 125nsec

W8

open

DRIVE POWER SELECT

Setting

W9

W10

W11

Power supplied by host

closed

closed

closed

Power supplied by drive

open

open

open

BIOS ADDRESS

Address

W1

W2

EF000 - EEFFF

pins 2 & 3 closed

pins 2 & 3 closed

ED000 - ECFFF

pins 2 & 3 closed

pins 1 & 2 closed

CF000 - CEFFF

pins 1 & 2 closed

pins 2 & 3 closed

CD000 - CCFFF

pins 1 & 2 closed

pins 1 & 2 closed

Note: If W1 & W2 are removed this will disable the BIOS regardless of the setting of W5.